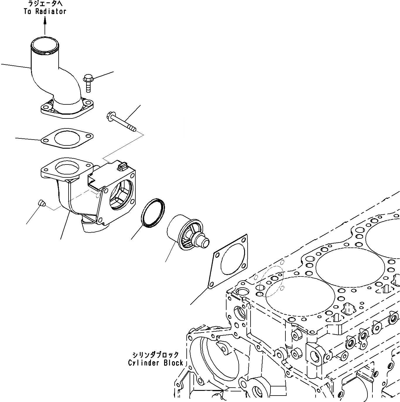
Запчасти Komatsu SAA6D125E-5A ТЕРМОСТАТ ДВИГАТЕЛЬ СИСТЕМА ОХЛАЖДЕНИЯ

Схема запчастей Komatsu SAA6D125E-5A - ТЕРМОСТАТ ДВИГАТЕЛЬ СИСТЕМА ОХЛАЖДЕНИЯ
9
3
7
8
1
6
5
2
4
FIT
1:1
100%

Артикул

Название

Примечание

Количество

1

6251-21-6410

Housing

SN: 560004-UP

1шт.

2

6150-22-6490

Gasket

SN: 560004-UP

1шт.

3

01437-01065

Bolt

SN: 560004-UP

4шт.

4

02720-20204

Plug, Tapered

SN: 560004-UP

1шт.

5

600-421-6630

Thermostat

SN: 560004-UP

1шт.

6

6162-13-6440

Seal

SN: 560004-UP

1шт.

7

6251-61-6270

Connector

SN: 560004-UP

1шт.

8

6210-61-6441

Gasket

SN: 560004-UP

1шт.

9

01435-01025

Bolt

SN: 560004-UP

2шт.

Выбрано товаров: 9