Качественные детали и логистика
Оригинальные и аналоговые запчасти с доставкой по России, Казахстану и Беларуси
©2022 PartSell ООО "Система" ИНН 2463123282 ОГРН 1212400004838
Центральный офис: г. Красноярск, Академика Киренского, д.87, пом.4
Телефон: 8 (800) 777-65-74 Email: zakaz@partsell.ru
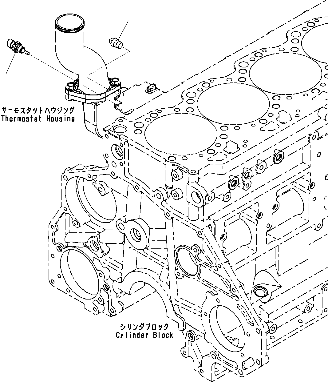
ХЛАДАГЕНТ ТЕМПЕРАТУРН. ДАТЧИК
№
Артикул
Название
Примечание
Количество
1
07042-00415
Plug, Taper
SN: 560004-UP
1шт.
2
6261-81-6900
Sensor Assembly, Temperature
|2
6261-81-6910
Sensor
6261-84-9740
O-ring
Выбрано товаров: 0