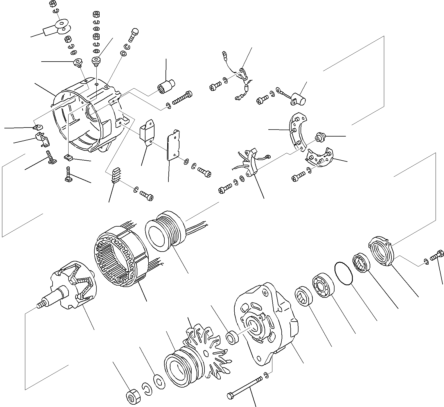
Запчасти Komatsu SAA6D125E-5A ГЕНЕРАТОР КРЕПЛЕНИЕS (/) ДВИГАТЕЛЬ ЭЛЕКТРИКА

Схема запчастей Komatsu SAA6D125E-5A - ГЕНЕРАТОР КРЕПЛЕНИЕS (/) ДВИГАТЕЛЬ ЭЛЕКТРИКА
13
1
2
3
4
5
6
7
8
9
10
11
12
14
15
16
17
18
19
20
21
22
23
24
24
25
26
27
28
29
30
31
32
33
34
FIT
1:1
100%

Артикул

Название

Примечание

Количество

|1

600-821-9680

Alternator

SN: 560004-UP

1шт.

1

SD1211-46000X0

Stator Assembly

SN: 560004-UP

1шт.

|1

SD1230-19400X0

Bracket, Rear

SN: 560004-UP

1шт.

2

SD2240-20610X0

Bracket, Rear

SN: 560004-UP

1шт.

3

SD1235-07900X0

Heat Sink, +

SN: 560004-UP

1шт.

4

SD1235-08000X0

Heat Sink, -

SN: 560004-UP

1шт.

5

SD8140-0603510

Bolt

SN: 560004-UP

1шт.

6

SD3220-40000X0

Support

SN: 560004-UP

1шт.

7

SD4215-00701X0

Insulator

SN: 560004-UP

1шт.

8

SD4041-05710X0

Bushing

SN: 560004-UP

1шт.

9

SD5030-05200X0

Washer

SN: 560004-UP

2шт.

10

SD8140-0503010

Bolt

SN: 560004-UP

1шт.

11

SD4215-00800X0

Insulator

SN: 560004-UP

1шт.

12

SD4041-05700X0

Bushing

SN: 560004-UP

1шт.

13

SD6060-11920X0

Condenser

SN: 560004-UP

1шт.

14

SD1235-07601X0

Resistor Assembly

SN: 560004-UP

1шт.

15

SD1239-03600X0

Connector Assembly

SN: 560004-UP

1шт.

16

SD4041-03700X0

Bushing

SN: 560004-UP

2шт.

17

SD1239-04310X0

Charger, Lamp

SN: 560004-UP

1шт.

18

SD6206-00200X0

Bearing, Roller

SN: 560004-UP

1шт.

19

SD1291-00300X0

Regulator

SN: 560004-UP

1шт.

20

SD3221-23220X0

Cover

SN: 560004-UP

1шт.

21

SD1251-00600X0

Coil Assembly

SN: 560004-UP

1шт.

22

SD1221-16700X0

Rotor Assembly

SN: 560004-UP

1шт.

|22

SD1240-07400X0

Bracket Assembly, Front

SN: 560004-UP

1шт.

23

SD2242-09010X0

Bracket, Front

SN: 560004-UP

1шт.

24

SD6410-02000X0

Seal, Oil

SN: 560004-UP

2шт.

25

SD6206-00320X0

Bearing, Ball

SN: 560004-UP

1шт.

26

SD4142-00900X0

O-ring

SN: 560004-UP

1шт.

27

SD2202-02200X0

Cover

SN: 560004-UP

1шт.

28

SD5010-21500X0

Bolt

SN: 560004-UP

3шт.

29

SD5010-04300X0

Bolt

SN: 560004-UP

3шт.

30

SD3600-17300X0

Collar

SN: 560004-UP

1шт.

31

SD3448-00440X0

Fan

SN: 560004-UP

1шт.

32

SD2080-22400X0

Pulley, Non Hardening

SN: 560004-UP

1шт.

33

SD3000-07800X0

Washer

SN: 560004-UP

1шт.

34

SD8264-1830010

Nut

SN: 560004-UP

1шт.

Выбрано товаров: 0