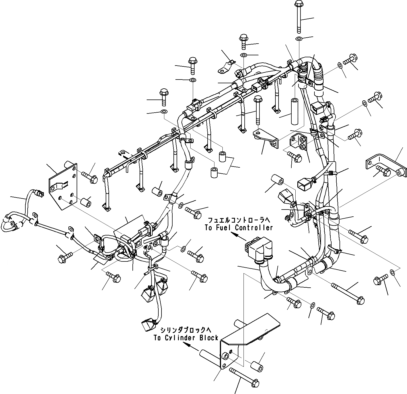
Запчасти Komatsu SAA6D125E-5A ЭЛЕКТРИЧ. ЭЛЕКТРОПРОВОДКА (/) ДВИГАТЕЛЬ ЭЛЕКТРИКА

Схема запчастей Komatsu SAA6D125E-5A - ЭЛЕКТРИЧ. ЭЛЕКТРОПРОВОДКА (/) ДВИГАТЕЛЬ ЭЛЕКТРИКА
1
45
46
48
47
52
54
53
61
55
57
59
61
58
51
50
49
61
60
56
41
44
43
45
42
48
47
48
47
36
25
24
25
28
25
35
34
33
32
37
40
39
38
31
30
23
29
26
27
5
3
13
15
21
19
12
9
11
22
11
18
20
14
23
6
8
6
7
9
10
4
16
1
2
17
FIT
1:1
100%

Артикул

Название

Примечание

Количество

1

6251-81-9810

Wire Harness

SN: 560004-UP

1шт.

2

6251-81-9290

Bracket

SN: 560004-UP

1шт.

3

01436-01015

Bolt

SN: 560004-UP

1шт.

4

01436-01030

Bolt

SN: 560004-UP

1шт.

5

6144-11-5630

Spacer

SN: 560004-UP

2шт.

6

600-051-2280

Clip

SN: 560004-UP

2шт.

7

01435-01055

Bolt

SN: 560004-UP

2шт.

8

01643-31032

Washer

SN: 560004-UP

2шт.

9

6218-81-8440

Clamp

SN: 560004-UP

2шт.

10

01435-01020

Bolt

SN: 560004-UP

1шт.

11

6218-81-8490

Band

SN: 560004-UP

2шт.

12

6251-81-9670

Bracket

SN: 560004-UP

1шт.

13

01435-01020

Bolt

SN: 560004-UP

1шт.

14

6218-81-8440

Clamp

SN: 560004-UP

1шт.

15

600-051-2280

Clip

SN: 560004-UP

1шт.

16

01435-01025

Bolt

SN: 560004-UP

1шт.

17

01643-31032

Washer

SN: 560004-UP

1шт.

18

6218-81-8490

Band

SN: 560004-UP

1шт.

19

6144-11-5630

Spacer

SN: 560004-UP

1шт.

20

6218-81-8440

Clamp

SN: 560004-UP

1шт.

21

01435-01065

Bolt

SN: 560004-UP

1шт.

22

6218-81-8490

Band

SN: 560004-UP

1шт.

23

6218-81-8490

Band

SN: 560004-UP

2шт.

24

6251-81-9270

Bracket

SN: 560004-UP

1шт.

25

01435-01020

Bolt

SN: 560004-UP

3шт.

26

6218-81-8440

Clamp

SN: 560004-UP

1шт.

27

600-051-2200

Clip

SN: 560004-UP

1шт.

28

01643-31032

Washer

SN: 560004-UP

1шт.

29

6218-81-8490

Band

SN: 560004-UP

1шт.

30

6251-81-9660

Bracket

SN: 560004-UP

1шт.

31

01435-01090

Bolt

SN: 560004-UP

1шт.

32

6218-81-8440

Clamp

SN: 560004-UP

1шт.

33

600-051-2180

Clip

SN: 560004-UP

1шт.

34

01435-01020

Bolt

SN: 560004-UP

1шт.

35

01643-31032

Washer

SN: 560004-UP

1шт.

36

6218-81-8490

Band

SN: 560004-UP

1шт.

37

6215-71-6190

Spacer

SN: 560004-UP

1шт.

38

600-051-2140

Clip

SN: 560004-UP

1шт.

39

01436-01010

Bolt

SN: 560004-UP

1шт.

40

01643-31032

Washer

SN: 560004-UP

1шт.

41

08193-20010

Clip

SN: 560004-UP

1шт.

42

600-051-2180

Clip

SN: 560004-UP

1шт.

43

01435-01020

Bolt

SN: 560004-UP

1шт.

44

01643-31032

Washer

SN: 560004-UP

1шт.

45

6134-12-5120

Spacer

SN: 560004-UP

3шт.

46

600-051-2140

Clip

SN: 560004-UP

4шт.

47

01435-01045

Bolt

SN: 560004-UP

3шт.

48

01643-31032

Washer

SN: 560004-UP

4шт.

49

6251-81-9330

Bracket

SN: 560004-UP

1шт.

50

01435-01045

Bolt

SN: 560004-UP

2шт.

51

6134-12-5120

Spacer

SN: 560004-UP

1шт.

52

600-051-2180

Clip

SN: 560004-UP

1шт.

53

01435-01050

Bolt

SN: 560004-UP

1шт.

54

01643-31032

Washer

SN: 560004-UP

1шт.

55

6251-81-9350

Bracket

SN: 560004-UP

1шт.

56

01435-01055

Bolt

SN: 560004-UP

1шт.

57

6218-81-8490

Band

SN: 560004-UP

1шт.

58

6251-81-9360

Bracket

SN: 560004-UP

1шт.

59

01435-01020

Bolt

SN: 560004-UP

1шт.

60

01435-01016

Bolt

SN: 560004-UP

1шт.

61

6218-81-8490

Band

SN: 560004-UP

5шт.

Выбрано товаров: 61