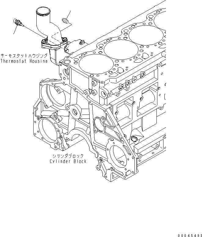
Запчасти Komatsu SAA6D125E-5B-02 ДАТЧИК ТЕМПЕРАТУРЫ ВОДЫ ДВИГАТЕЛЬ

Схема запчастей Komatsu SAA6D125E-5B-02 - ДАТЧИК ТЕМПЕРАТУРЫ ВОДЫ ДВИГАТЕЛЬ
1
2
FIT
1:1
100%

Артикул

Название

Примечание

Количество

1

07042-A0415

PLUG

SN: 560001-UP

1шт.

2

6261-81-6901

SENSOR ASS'Y

SN: 565000-UP

1шт.

2

0

SENSOR ASS'Y

SN: 560001-564999

1шт.

2

6261-81-6910

SENSOR,WATER TEMPERATURE

SN: 560001-564999

1шт.

2

6216-84-9740

SEAL

SN: 560001-UP

1шт.

Выбрано товаров: 0