Запчасти Komatsu SAA6D125E-5B-02 КАРТЕР МАХОВИКА ДВИГАТЕЛЬ

Схема запчастей Komatsu SAA6D125E-5B-02 - КАРТЕР МАХОВИКА ДВИГАТЕЛЬ
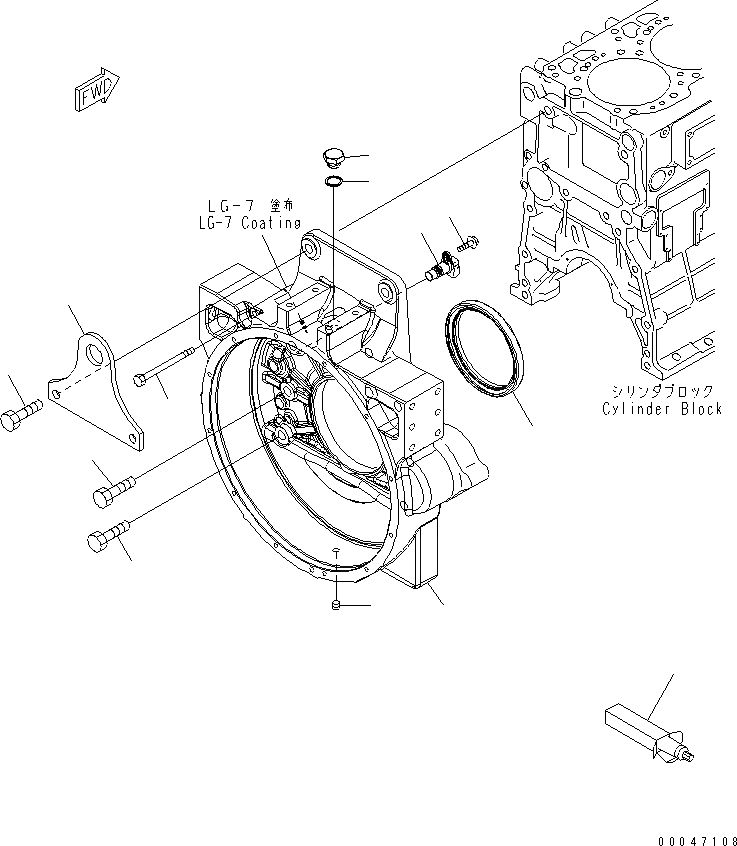
1
2
3
4
5
6
7
8
9
10
11
12
13
FIT
1:1
100%

Артикул

Название

Примечание

Количество

1

6251-21-4141

HOUSING,FLYWHEEL

SN: 560001-UP

1шт.

2

07043-70211

PLUG

SN: 560001-UP

1шт.

3

01010-61650

BOLT

SN: 560001-UP

6шт.

4

01010-61660

BOLT

SN: 560001-UP

2шт.

5

01011-81030

BOLT

SN: 560001-UP

1шт.

6

6151-21-4150

SEAL, REAR

SN: 560001-UP

1шт.

7

6150-21-3921

PLATE,HANGER

SN: 560001-UP

1шт.

8

01010-61660

BOLT

SN: 560001-UP

2шт.

9

6261-81-2901

SENSOR ASS'Y,REVOLUTION

SN: 560001-UP

1шт.

10

01435-00820

BOLT

SN: 560001-UP

1шт.

11

6114-11-8910

PLUG

SN: 560001-UP

1шт.

12

07005-02216

GASKET

SN: 560001-UP

1шт.

13

09920-00150

LIQUID GASKET,LG-7, 150G

SN: 560001-UP

-2шт.

Выбрано товаров: 13