Запчасти Komatsu SAA6D125E-5B-02 УПРАВЛЕНИЕ ПОДАЧ. ТОПЛИВА ДВИГАТЕЛЬ

Схема запчастей Komatsu SAA6D125E-5B-02 - УПРАВЛЕНИЕ ПОДАЧ. ТОПЛИВА ДВИГАТЕЛЬ
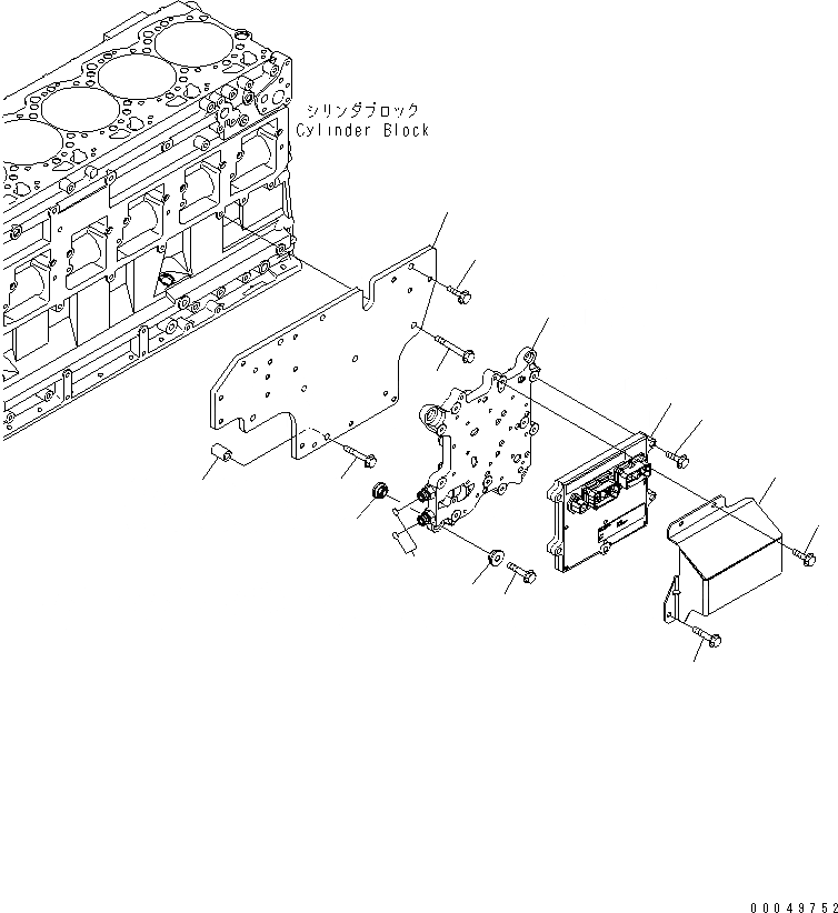
1
2
3
4
5
6
7
8
9
9
10
11
12
13
14
FIT
1:1
100%

Артикул

Название

Примечание

Количество

1

600-461-1201

CONTROLLER ASS'Y

SN: 561328-UP

1шт.

1

600-461-1200

CONTROLLER ASS'Y

SN: 560001-561327

1шт.

2

01435-00840

BOLT

SN: 560001-UP

3шт.

3

6251-21-6210

BRACKET

SN: 560001-UP

1шт.

4

6251-21-6220

SPACER

SN: 560001-UP

1шт.

5

01435-01030

BOLT

SN: 560001-UP

3шт.

6

01435-01085

BOLT

SN: 560001-UP

4шт.

7

01435-01060

BOLT

SN: 560001-UP

1шт.

8

6261-81-7100

COOLER

SN: 560001-UP

1шт.

9

6251-81-7210

CUSHION

SN: 560001-UP

8шт.

10

01435-01050

BOLT

SN: 560001-UP

4шт.

11

02896-11012

O-RING

SN: 560001-UP

2шт.

12

6261-81-7330

COVER,CONTROLLER

SN: 560001-UP

1шт.

13

01435-00845

BOLT

SN: 560001-UP

2шт.

14

01435-00820

BOLT

SN: 560001-UP

2шт.

Выбрано товаров: 15