Запчасти Komatsu SAA6D125E-5B-02 АНТИКОРРОЗ. ЭЛЕМЕНТ ДВИГАТЕЛЬ

Схема запчастей Komatsu SAA6D125E-5B-02 - АНТИКОРРОЗ. ЭЛЕМЕНТ ДВИГАТЕЛЬ
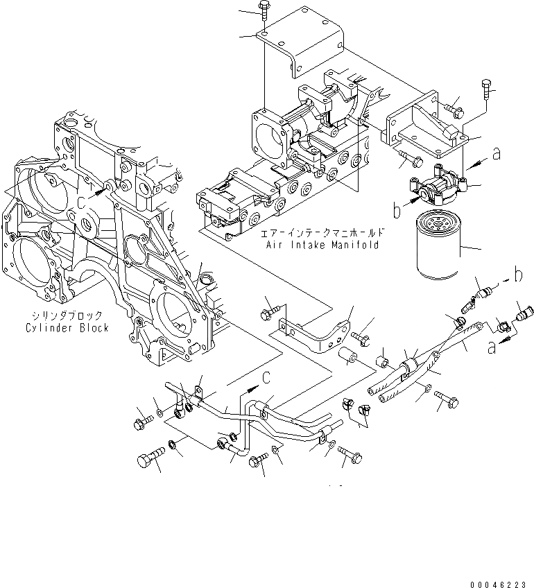
1
2
3
4
5
6
7
8
9
10
11
12
13
14
14
14
15
16
16
16
17
17
18
18
18
19
20
21
22
23
23
23
24
25
26
27
28
29
29
FIT
1:1
100%

Артикул

Название

Примечание

Количество

|$2

6150-61-8172

RESISTOR ASS'Y

SN: 560001-UP

1шт.

1

6150-61-8211

HEAD

SN: 560001-UP

1шт.

2

600-411-1151

CARTRIDGE

SN: 560001-UP

1шт.

3

6251-61-8280

BRACKET

SN: 560001-UP

1шт.

4

01435-01030

BOLT

SN: 560001-UP

1шт.

5

01435-01035

BOLT

SN: 560001-UP

1шт.

6

6251-61-8170

BRACKET

SN: 560001-UP

1шт.

7

01435-01025

BOLT

SN: 561328-UP

3шт.

7

01435-01025

BOLT

SN: 560001-561327

2шт.

8

6251-61-8130

BRACKET

SN: 560001-UP

1шт.

9

01435-01030

BOLT

SN: 560001-UP

2шт.

10

01435-01040

BOLT

SN: 560001-UP

2шт.

11

02010-70632

BOLT

SN: 560001-UP

4шт.

12

6251-61-8160

TUBE,INLET

SN: 560001-UP

1шт.

13

6251-61-8270

TUBE,RETURN

SN: 560001-UP

1шт.

14

07005-01412

GASKET

SN: 560001-UP

4шт.

15

07206-31014

BOLT,JOINT

SN: 560001-UP

2шт.

16

600-051-6100

CLIP

SN: 560001-UP

3шт.

17

01435-01016

BOLT

SN: 560001-UP

2шт.

18

01643-31032

WASHER

SN: 560001-UP

3шт.

19

01435-01050

BOLT

SN: 560001-UP

1шт.

20

6144-11-5630

SPACER

SN: 560001-UP

1шт.

21

07260-20936

HOSE

SN: 560001-UP

1шт.

22

07260-20918

HOSE

SN: 560001-UP

1шт.

23

07281-00197

CLAMP

SN: 560001-UP

4шт.

24

07095-20314

CUSHION

SN: 560001-UP

1шт.

25

04434-52110

CLIP

SN: 560001-UP

1шт.

26

6631-11-5630

SPACER

SN: 560001-UP

1шт.

27

01435-01040

BOLT

SN: 560001-UP

1шт.

28

01643-31032

WASHER

SN: 560001-UP

1шт.

29

6150-61-8411

VALVE,WATER

SN: 560001-UP

2шт.

Выбрано товаров: 31