Запчасти Komatsu SAA6D125E-5B-02 ГЕНЕРАТОР И КРЕПЛЕНИЕ (A) (С КРЫШКОЙ) ДВИГАТЕЛЬ

Схема запчастей Komatsu SAA6D125E-5B-02 - ГЕНЕРАТОР И КРЕПЛЕНИЕ (A) (С КРЫШКОЙ) ДВИГАТЕЛЬ
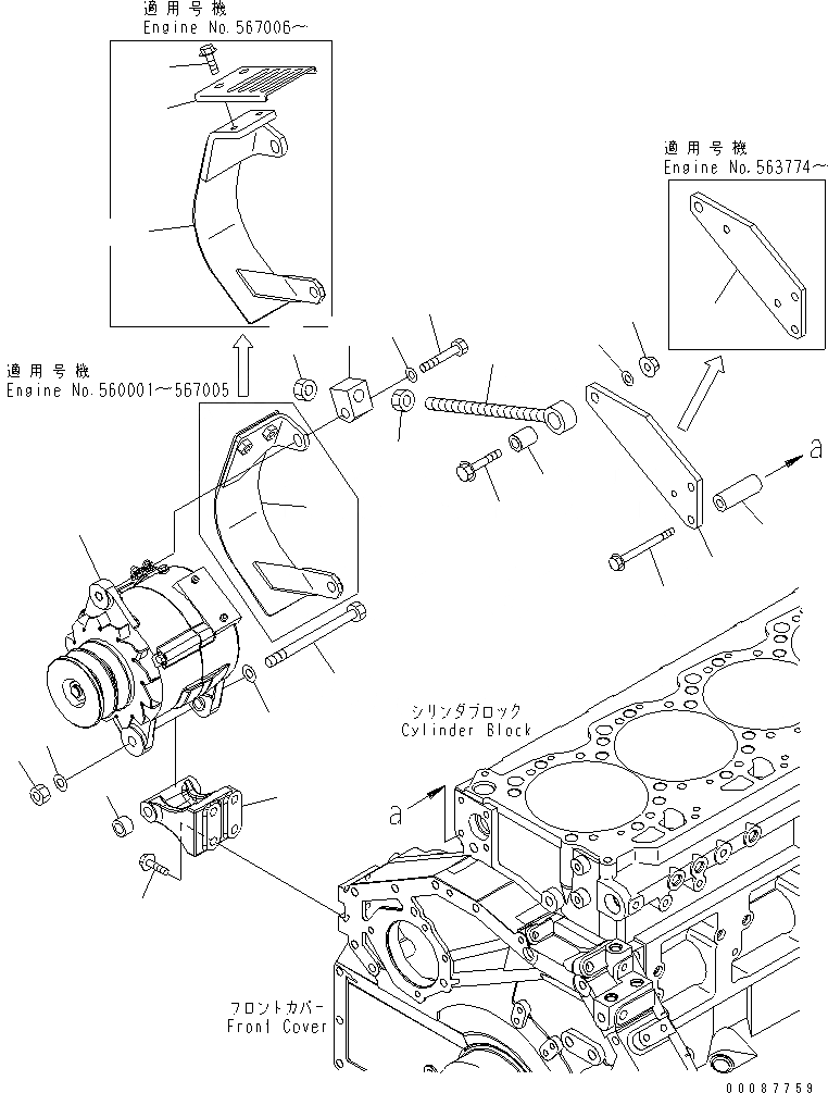
1
2
3
4
4
5
6
7
8
8
9
10
11
12
13
13
14
15
16
17
18
19
20
20
21
22
FIT
1:1
100%

Артикул

Название

Примечание

Количество

1

600-821-9680

ALTERNATOR A. (50A),(SEE FIG.A6010-B3W8)

SN: 560001-UP

1шт.

2

6128-21-6780

BOLT

SN: 560001-UP

1шт.

3

02205-10812

NUT

SN: 560001-UP

1шт.

4

01640-21323

WASHER

SN: 560001-UP

2шт.

5

6251-81-6490

BRACKET

SN: 560001-UP

1шт.

6

01435-01030

BOLT

SN: 560001-UP

4шт.

7

6151-51-8490

SPACER

SN: 560001-UP

1шт.

8

6251-81-6530

PLATE

SN: 563774-UP

1шт.

8

6251-81-6510

PLATE

SN: 560001-563773

1шт.

9

01435-01085

BOLT

SN: 560001-UP

2шт.

10

6112-23-6971

SPACER

SN: 567006-UP

2шт.

10

6204-81-9560

SPACER

SN: 560001-567005

2шт.

11

6150-82-8610

ROD,ADJUSTING

SN: 560001-UP

1шт.

12

6150-82-8690

PLATE

SN: 560001-UP

1шт.

13

01580-11411

NUT

SN: 560001-UP

2шт.

14

6215-81-6150

PIN,INNER

SN: 560001-UP

1шт.

15

01435-01255

BOLT

SN: 560001-UP

1шт.

16

01584-01210

NUT

SN: 560001-UP

1шт.

17

01643-31232

WASHER

SN: 560001-UP

1шт.

18

01050-51260

BOLT

SN: 560001-UP

1шт.

19

01643-31232

WASHER

SN: 560001-UP

1шт.

20

6251-81-6550

COVER,SAFETY

SN: 567006-UP

1шт.

20

6156-81-6730

COVER,SAFETY

SN: 560001-567005

1шт.

21

6251-81-6560

COVER

SN: 567006-UP

1шт.

22

01435-01016

BOLT

SN: 567006-UP

2шт.

Выбрано товаров: 25