Запчасти Komatsu SAA6D125E-5B ВЫПУСКН. GAS RE-CIRCULATION (/) ДВИГАТЕЛЬ

Схема запчастей Komatsu SAA6D125E-5B - ВЫПУСКН. GAS RE-CIRCULATION (/) ДВИГАТЕЛЬ
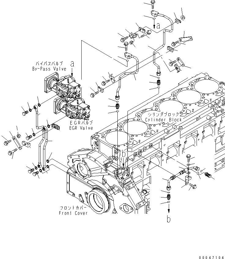
1
1
2
2
3
4
5
5
6
6
7
7
8
9
10
10
11
12
13
14
14
14
14
15
16
17
18
19
20
21
22
23
23
23
23
23
23
23
24
24
24
24
25
26
27
28
29
30
31
32
33
34
34
35
35
36
37
38
39
40
FIT
1:1
100%

Артикул

Название

Примечание

Количество

1

6251-51-9850

UNION

SN: 560001-UP

2шт.

2

6251-51-9890

O-RING

SN: 560001-UP

2шт.

3

6251-51-9410

TUBE,SUPPLY

SN: 560001-UP

1шт.

4

6251-51-9310

TUBE,SUPPLY

SN: 560001-UP

1шт.

5

6251-51-9880

O-RING

SN: 560001-UP

2шт.

6

07000-E2012

O-RING

SN: 560001-UP

2шт.

7

01435-00825

BOLT

SN: 560001-UP

4шт.

8

6251-51-9380

PLATE

SN: 560001-UP

1шт.

9

01435-01020

BOLT

SN: 560001-UP

1шт.

10

6166-75-6820

CLAMP

SN: 560001-UP

2шт.

11

01435-00830

BOLT

SN: 560001-UP

1шт.

12

6251-51-9391

PLATE

SN: 560001-UP

1шт.

13

01435-01020

BOLT

SN: 560001-UP

1шт.

14

6166-75-6810

CLAMP

SN: 560001-UP

4шт.

15

01435-00835

BOLT

SN: 560001-UP

1шт.

16

6251-51-9490

BRACKET

SN: 560001-UP

1шт.

17

6131-12-5920

SPACER

SN: 560001-UP

1шт.

18

01435-01090

BOLT

SN: 560001-UP

1шт.

19

01435-00840

BOLT

SN: 560001-UP

1шт.

20

01584-00806

NUT

SN: 560001-UP

1шт.

21

6251-51-9510

TUBE,RETURN

SN: 560001-UP

1шт.

22

6251-51-9610

TUBE,RETURN

SN: 560001-UP

1шт.

23

07005-01412

WASHER

SN: 560001-UP

8шт.

24

07206-31014

BOLT,JOINT

SN: 560001-UP

4шт.

25

6251-51-8410

PLATE

SN: 560001-UP

1шт.

26

6132-21-4630

SPACER

SN: 560001-UP

1шт.

27

01435-01035

BOLT

SN: 560001-UP

1шт.

28

6166-75-6820

CLAMP

SN: 560001-UP

1шт.

29

6261-51-9480

CLAMP

SN: 560001-UP

1шт.

30

01435-00840

BOLT

SN: 560001-UP

1шт.

31

6251-51-9220

TUBE,SUPPLY

SN: 560001-UP

1шт.

32

6251-51-9850

UNION

SN: 560001-UP

1шт.

33

6251-51-9810

ELBOW

SN: 560001-UP

1шт.

34

6251-51-9880

O-RING

SN: 560001-UP

2шт.

35

6251-51-9890

O-RING

SN: 560001-UP

2шт.

36

6251-51-9230

BRACKET

SN: 560001-UP

1шт.

37

01435-01030

BOLT

SN: 560001-UP

1шт.

38

600-051-6100

CLIP

SN: 560001-UP

1шт.

39

01435-01020

BOLT

SN: 560001-UP

1шт.

40

01643-31032

WASHER

SN: 560001-UP

1шт.

Выбрано товаров: 40