Качественные детали и логистика
Оригинальные и аналоговые запчасти с доставкой по России, Казахстану и Беларуси
©2022 PartSell ООО "Система" ИНН 2463123282 ОГРН 1212400004838
Центральный офис: г. Красноярск, Академика Киренского, д.87, пом.4
Телефон: 8 (800) 777-65-74 Email: zakaz@partsell.ru
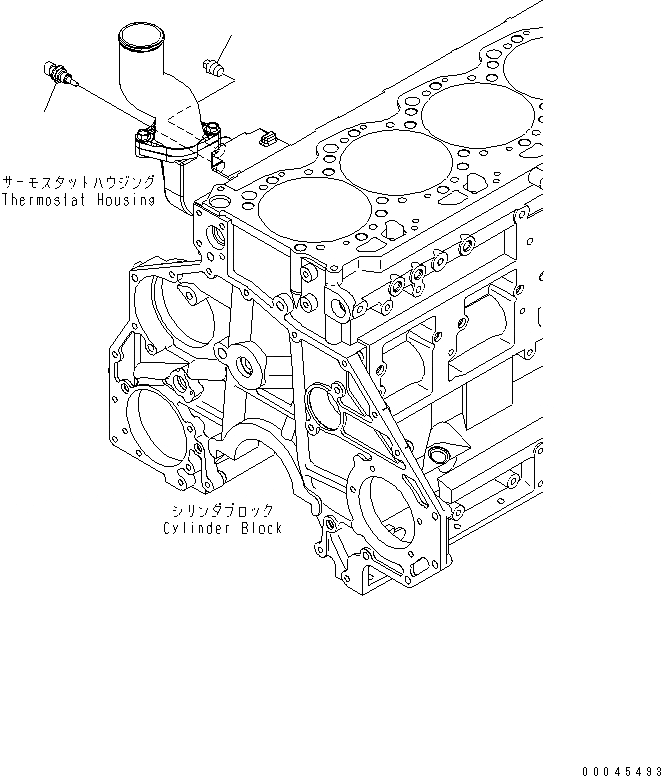
ДАТЧИК ТЕМПЕРАТУРЫ ВОДЫ
№
Артикул
Название
Примечание
Количество
1
07042-A0415
PLUG
SN: 560001-UP
1шт.
2
6261-81-6900
SENSOR ASS'Y
|$3
6261-81-6910
SENSOR,WATER TEMPERATURE
|$4
6261-84-9740
O-RING
Выбрано товаров: 0