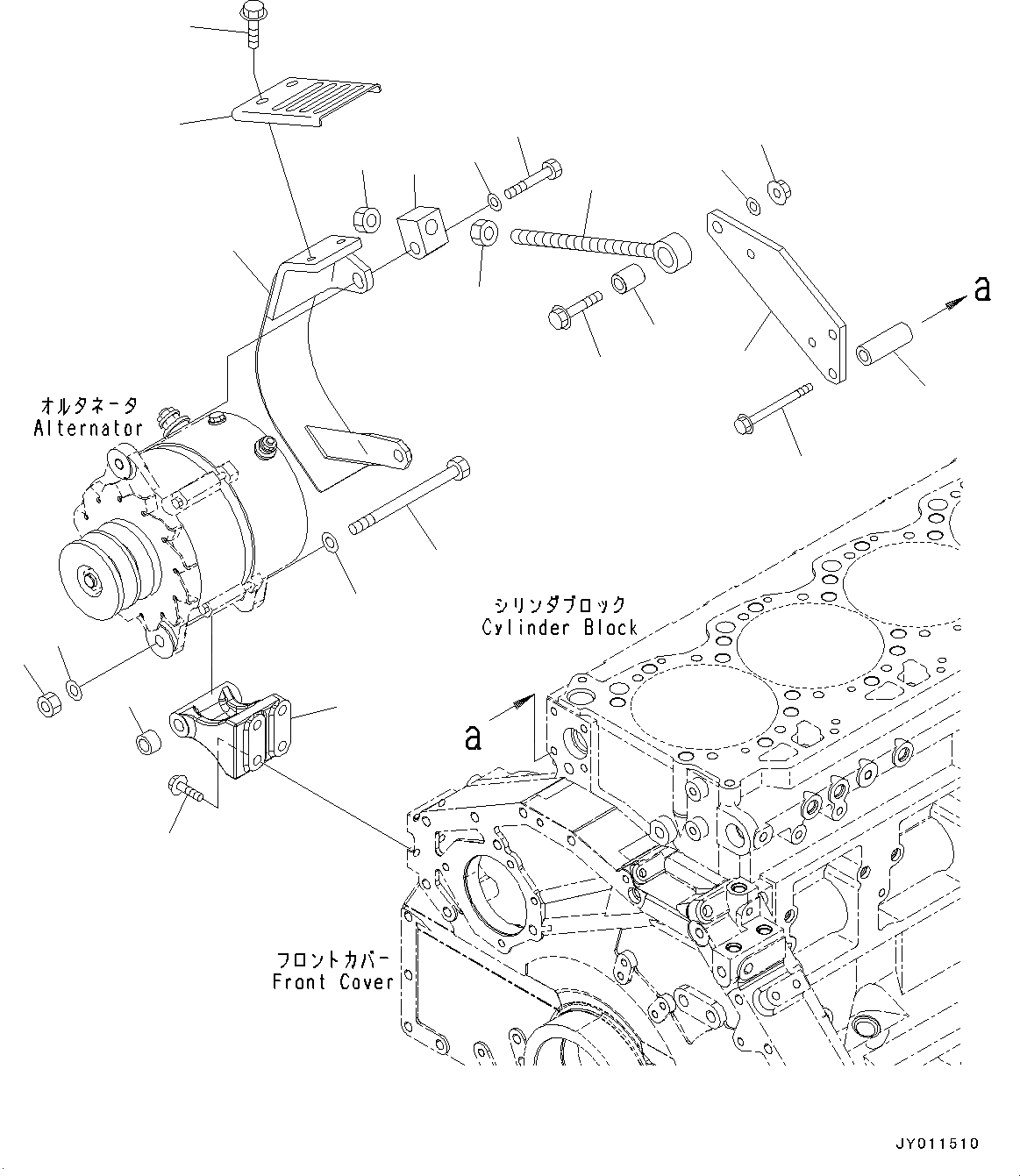
Запчасти Komatsu SAA6D125E-5B ГЕНЕРАТОР, КРЕПЛЕНИЕ (№77-) ГЕНЕРАТОР, 7AMP.

Схема запчастей Komatsu SAA6D125E-5B - ГЕНЕРАТОР, КРЕПЛЕНИЕ (№77-) ГЕНЕРАТОР, 7AMP.
17
18
19
16
13
12
11
5
15
12
10
3
4
8
9
2
6
14
1
3
7
21
20
FIT
1:1
100%

Артикул

Название

Примечание

Количество

1

6128-21-6780

Bolt

SN: 567007-UP

1шт.

2

02205-10812

Nut

SN: 567007-UP

1шт.

3

01640-21323

Washer

SN: 567007-UP

2шт.

4

6251-81-6490

Bracket

SN: 567007-UP

1шт.

5

01435-01030

Bolt

SN: 567007-UP

4шт.

6

6151-51-8490

Spacer

SN: 567007-UP

1шт.

7

6251-81-6530

Plate

SN: 567007-UP

1шт.

8

01435-01085

Bolt

SN: 567007-UP

2шт.

9

6112-23-6971

Spacer

SN: 567007-UP

2шт.

10

6150-82-8610

Rod, Adjusting

SN: 567007-UP

1шт.

11

6150-82-8690

Plate

SN: 567007-UP

1шт.

12

01580-11411

Nut

SN: 567007-UP

2шт.

13

6215-81-6150

Pin

SN: 567007-UP

1шт.

14

01435-01255

Bolt

SN: 567007-UP

1шт.

15

01584-01210

Nut

SN: 567007-UP

1шт.

16

01643-31232

Washer

SN: 567007-UP

1шт.

17

01050-51260

Bolt

SN: 567007-UP

1шт.

18

01643-31232

Washer

SN: 567007-UP

1шт.

19

6251-81-6550

Cover, Safety

SN: 567007-UP

1шт.

20

6251-81-6560

Cover, Safety

SN: 567007-UP

1шт.

21

01435-01016

Bolt

SN: 567007-UP

2шт.

Выбрано товаров: 21