Запчасти Komatsu SAA6D125E-5B ПРОВОДКА, ПРОВОДКА, ДВИГАТЕЛЬ (№77-) ПРОВОДКА, ДЛЯ EC REGULATION ARRANGEMENT

Схема запчастей Komatsu SAA6D125E-5B - ПРОВОДКА, ПРОВОДКА, ДВИГАТЕЛЬ (№77-) ПРОВОДКА, ДЛЯ EC REGULATION ARRANGEMENT
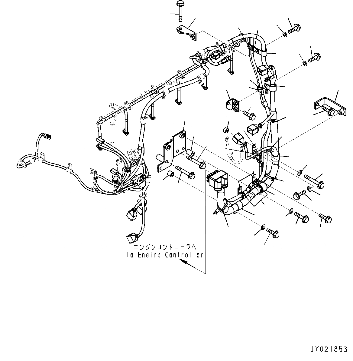
1
2
3
4
5
6
7
8
9
10
12
13
14
15
16
17
18
19
20
22
25
26
27
28
29
30
31
32
33
34
35
36
37
38
27
11
25
7
13
10
23
21
24
FIT
1:1
100%

Артикул

Название

Примечание

Количество

1

6251-81-9921

Wiring Harness

SN: 567007-UP

1шт.

2

6251-81-9420

Bracket

SN: 567007-UP

1шт.

3

01435-01065

Bolt

SN: 567007-UP

1шт.

4

01435-01080

Bolt

SN: 567007-UP

1шт.

5

6631-11-5630

Spacer

SN: 567007-UP

1шт.

6

6166-11-5391

Spacer

SN: 567007-UP

1шт.

7

600-051-2280

Clip

SN: 567007-UP

2шт.

8

01435-01040

Bolt

SN: 567007-UP

1шт.

9

01435-01050

Bolt

SN: 567007-UP

1шт.

10

01643-31032

Washer

SN: 567007-UP

2шт.

11

6218-81-8440

Clamp

SN: 567007-UP

2шт.

12

01435-01025

Bolt

SN: 567007-UP

2шт.

13

6218-81-8490

Band

SN: 567007-UP

3шт.

14

6251-81-9670

Bracket

SN: 567007-UP

1шт.

15

01435-01020

Bolt

SN: 567007-UP

1шт.

16

6218-81-8440

Clamp

SN: 567007-UP

1шт.

17

600-051-2280

Clip

SN: 567007-UP

1шт.

18

01435-01025

Bolt

SN: 567007-UP

1шт.

19

01643-31032

Washer

SN: 567007-UP

1шт.

20

6218-81-8490

Band

SN: 567007-UP

1шт.

21

6131-12-5920

Spacer

SN: 567007-UP

1шт.

22

600-051-2300

Clip

SN: 567007-UP

1шт.

23

01435-01045

Bolt

SN: 567007-UP

1шт.

24

01643-31032

Washer

SN: 567007-UP

1шт.

25

6218-81-8490

Band

SN: 567007-UP

2шт.

26

6251-81-9270

Bracket

SN: 567007-UP

1шт.

27

01435-01020

Bolt

SN: 567007-UP

3шт.

28

6218-81-8440

Clamp

SN: 567007-UP

1шт.

29

600-051-2200

Clip

SN: 567007-UP

1шт.

30

01643-31032

Washer

SN: 567007-UP

1шт.

31

6218-81-8490

Band

SN: 567007-UP

1шт.

32

6251-81-9660

Bracket

SN: 567007-UP

1шт.

33

01435-01090

Bolt

SN: 567007-UP

1шт.

34

6218-81-8440

Clamp

SN: 567007-UP

1шт.

35

600-051-2180

Clip

SN: 567007-UP

1шт.

36

01435-01020

Bolt

SN: 567007-UP

1шт.

37

01643-31032

Washer

SN: 567007-UP

1шт.

38

6218-81-8490

Band

SN: 567007-UP

1шт.

Выбрано товаров: 38