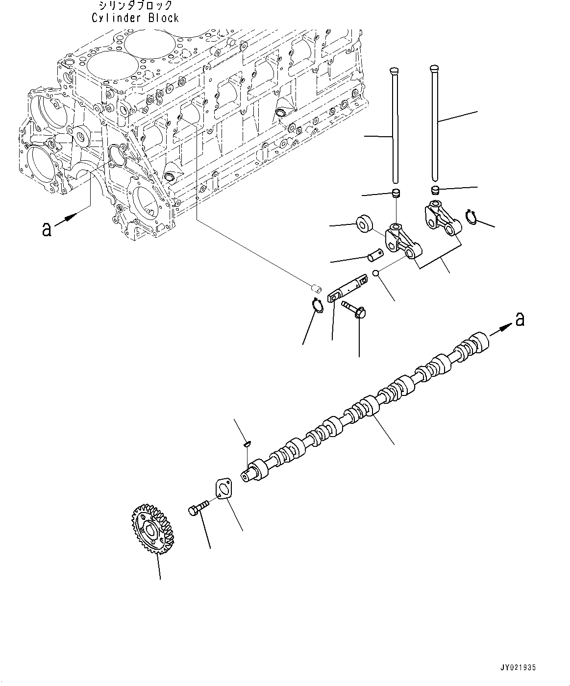
Запчасти Komatsu SAA6D125E-5B РАСПРЕДВАЛ, РАСПРЕДВАЛ (№77-) РАСПРЕДВАЛ

Схема запчастей Komatsu SAA6D125E-5B - РАСПРЕДВАЛ, РАСПРЕДВАЛ (№77-) РАСПРЕДВАЛ
14
14
12
13
12
11
10
9
8
7
7
6
5
4
3
2
1
FIT
1:1
100%

Артикул

Название

Примечание

Количество

|$0

6150-41-1012

Camshaft Assembly

SN: 567007-UP

1шт.

1

Camshaft

SN: 567007-UP

1шт.

2

6150-41-1130

Plate, Thrust

SN: 567007-UP

1шт.

3

6150-41-1120

Gear, Camshaft

SN: 567007-UP

1шт.

4

04010-00725

Key, Woodruff

SN: 567007-UP

1шт.

5

01010-81022

Bolt

SN: 567007-UP

2шт.

|$6

6150-41-2302

Lever Assembly

SN: 567007-UP

12шт.

6

Lever

SN: 567007-UP

1шт.

7

Socket

SN: 567007-UP

1шт.

8

Roller

SN: 567007-UP

1шт.

9

Pin

SN: 567007-UP

1шт.

9

6150-41-2401

Shaft Assembly

SN: 567007-UP

6шт.

10

Shaft

SN: 567007-UP

1шт.

11

6150-81-8420

Ball

SN: 567007-UP

1шт.

12

04064-02012

Ring, Snap

SN: 567007-UP

12шт.

13

6150-41-2450

Bolt

SN: 567007-UP

12шт.

14

6150-41-3111

Rod, Push

SN: 567007-UP

12шт.

Выбрано товаров: 17