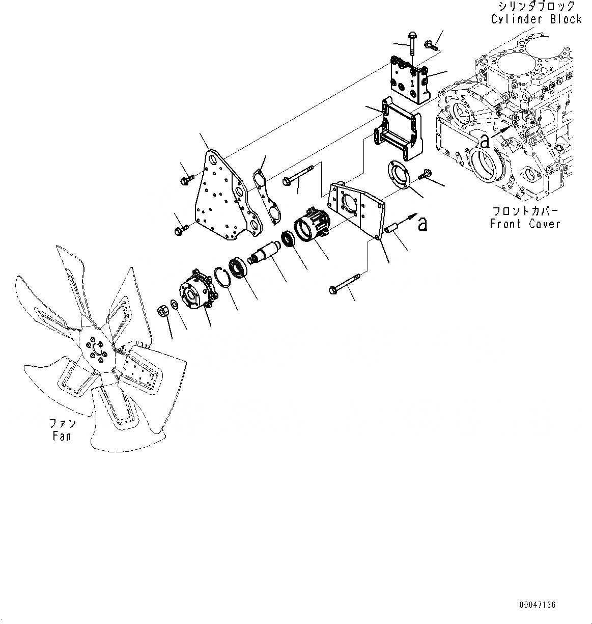
Запчасти Komatsu SAA6D125E-5BA ВЕНТИЛЯТОР ОХЛАЖДЕНИЯ ПРИВОД (№-) ВЕНТИЛЯТОР ОХЛАЖДЕНИЯ ПРИВОД

Схема запчастей Komatsu SAA6D125E-5BA - ВЕНТИЛЯТОР ОХЛАЖДЕНИЯ ПРИВОД (№-) ВЕНТИЛЯТОР ОХЛАЖДЕНИЯ ПРИВОД
14
9
4
5
11
17
19
12
16
15
21
10
13
20
1
6
8
2
3
7
18
13
FIT
1:1
100%

Артикул

Название

Примечание

Количество

|$0

6156-61-3100

Case Assembly

SN: 660001-UP

1шт.

1

6151-61-3152

Case

SN: 660001-UP

1шт.

2

6156-61-3110

Hub

SN: 660001-UP

1шт.

3

6151-61-3170

Shaft

SN: 660001-UP

1шт.

4

01583-02414

Nut

SN: 660001-UP

1шт.

5

01643-32460

Washer

SN: 660001-UP

1шт.

6

06037-06307

Bearing, Ball

SN: 660001-UP

1шт.

7

06037-06206

Bearing, Ball

SN: 660001-UP

1шт.

8

04065-08025

Ring, Snap

SN: 660001-UP

1шт.

9

01435-01030

Bolt

SN: 660001-UP

4шт.

10

6151-61-3970

Cover, Dust

SN: 660001-UP

1шт.

11

6251-61-3450

Bracket

SN: 660001-UP

1шт.

12

6161-61-6920

Spacer

SN: 660001-UP

2шт.

13

01436-01045

Bolt

SN: 660001-UP

6шт.

14

6251-61-3520

Bracket

SN: 660001-UP

1шт.

15

6251-61-3820

Bracket

SN: 660001-UP

1шт.

16

01435-01095

Bolt

SN: 660001-UP

2шт.

17

6251-21-3940

Plate

SN: 660001-UP

1шт.

18

6251-61-6340

Gasket

SN: 660001-UP

1шт.

19

01435-01025

Bolt

SN: 660001-UP

8шт.

20

01435-01035

Bolt

SN: 660001-UP

4шт.

21

01435-01030

Bolt

SN: 660001-UP

2шт.

Выбрано товаров: 22