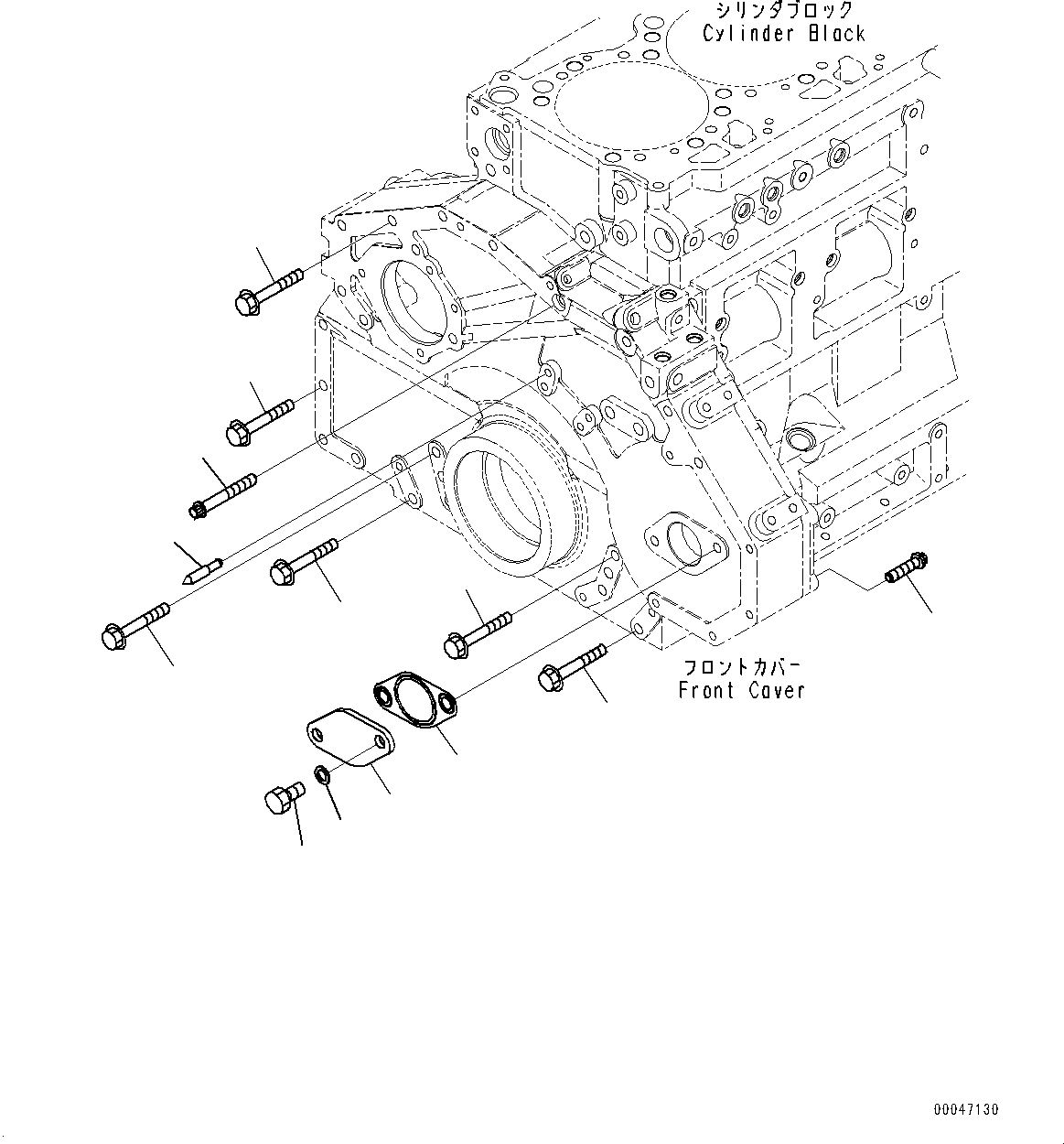
Запчасти Komatsu SAA6D125E-5BA ЭЛЕМЕНТЫ ПЕРЕДН. КРЫШКИ (№-) ЭЛЕМЕНТЫ ПЕРЕДН. КРЫШКИ

Схема запчастей Komatsu SAA6D125E-5BA - ЭЛЕМЕНТЫ ПЕРЕДН. КРЫШКИ (№-) ЭЛЕМЕНТЫ ПЕРЕДН. КРЫШКИ
3
2
2
6
1
8
9
5
1
7
4
2
1
FIT
1:1
100%

Артикул

Название

Примечание

Количество

1

01435-01070

Bolt

SN: 660001-UP

4шт.

2

01435-01080

Bolt

SN: 660001-UP

5шт.

3

01437-01075

Bolt

SN: 660001-UP

1шт.

4

6251-21-3211

Plate

SN: 660001-UP

1шт.

5

6251-21-3231

Gasket

SN: 660001-UP

1шт.

6

01050-51225

Bolt

SN: 660001-UP

2шт.

7

6251-21-3250

Gasket

SN: 660001-UP

2шт.

8

6150-81-9130

Bolt

SN: 660001-UP

4шт.

9

6150-22-3340

Pointer

SN: 660001-UP

1шт.

Выбрано товаров: 9