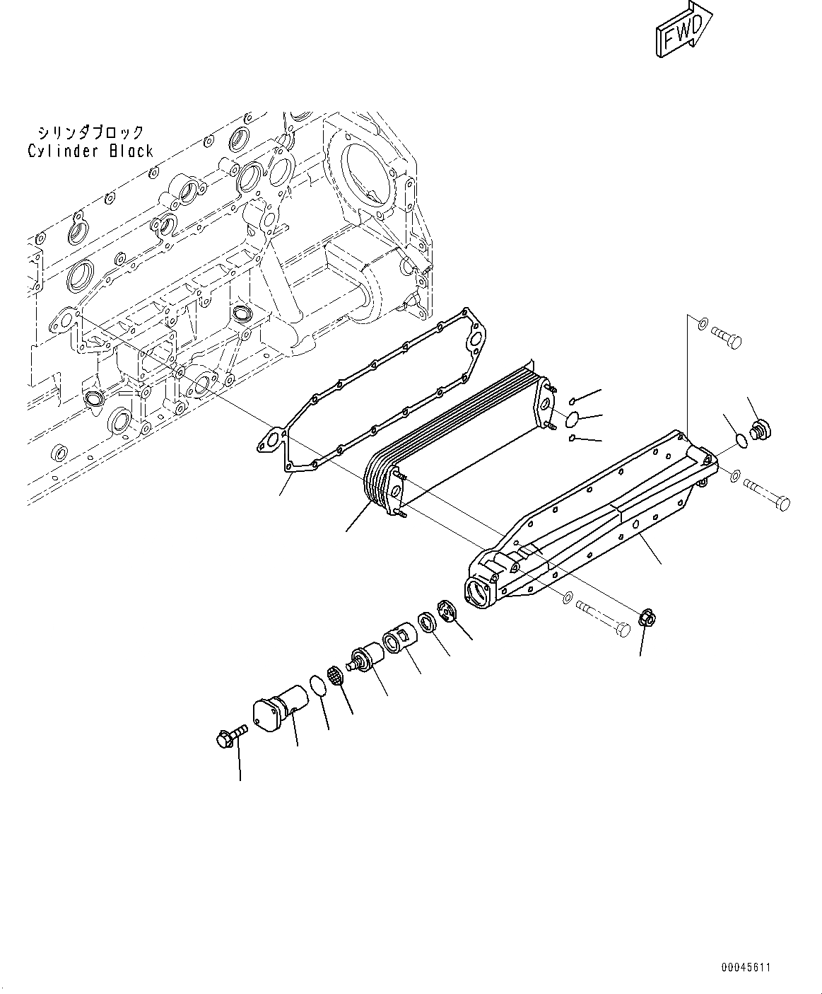
Запчасти Komatsu SAA6D125E-5BA ДВИГАТЕЛЬ МАСЛООХЛАДИТЕЛЬ (№-) ДВИГАТЕЛЬ МАСЛООХЛАДИТЕЛЬ

Схема запчастей Komatsu SAA6D125E-5BA - ДВИГАТЕЛЬ МАСЛООХЛАДИТЕЛЬ (№-) ДВИГАТЕЛЬ МАСЛООХЛАДИТЕЛЬ
16
13
8
12
11
10
9
7
15
6
5
1
2
3
4
4
14
FIT
1:1
100%

Артикул

Название

Примечание

Количество

1

6152-62-2210

Element

SN: 660001-UP

1шт.

2

6150-61-2125

Cover

SN: 660001-UP

1шт.

3

6150-61-2510

O-ring

SN: 660001-UP

2шт.

4

6150-61-2520

O-ring

SN: 660001-UP

4шт.

5

6150-61-2580

Nut

SN: 660001-UP

4шт.

6

6150-61-2530

Plug

SN: 660001-UP

1шт.

7

6151-62-2130

Cover

SN: 660001-UP

1шт.

8

07000-63042

O-ring

SN: 660001-UP

1шт.

9

6251-61-2610

Thermostat

SN: 660001-UP

1шт.

10

6150-61-2540

Seal

SN: 660001-UP

1шт.

11

6150-61-2141

Case

SN: 660001-UP

1шт.

12

6150-61-2151

Plate

SN: 660001-UP

1шт.

13

6151-62-2180

Strainer

SN: 660001-UP

1шт.

14

01435-00825

Bolt

SN: 660001-UP

2шт.

15

6150-61-2550

O-ring

SN: 660001-UP

1шт.

16

6150-61-2815

Gasket

SN: 660001-UP

1шт.

Выбрано товаров: 16