Запчасти Komatsu SAA6D125E-5BA ТОПЛИВН. ФИЛЬТР., (/) (№-7) ТОПЛИВН. ФИЛЬТР.

Схема запчастей Komatsu SAA6D125E-5BA - ТОПЛИВН. ФИЛЬТР., (/) (№-7) ТОПЛИВН. ФИЛЬТР.
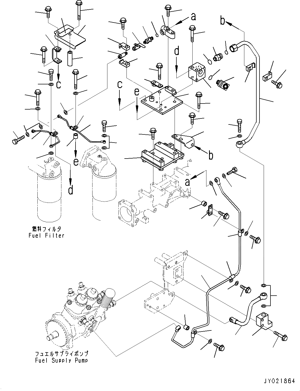
1
2
52
56
61
60
62
59
16
18
24
23
16
17
42
47
44
11
43
41
6
5
8
7
9
13
10
48
14
15
17
19
21
22
19
46
45
12
49
50
55
53
57
56
65
24
54
21
40
39
4
17
3
20
25
26
27
27
28
29
30
31
33
32
38
37
34
36
35
51
58
63
64
66
66
FIT
1:1
100%

Артикул

Название

Примечание

Количество

1

6251-71-7610

Bracket

SN: 660001-660174

1шт.

2

01435-01060

Bolt

SN: 660001-660174

1шт.

3

6251-71-1230

Bracket

SN: 660001-660174

1шт.

4

01435-01025

Bolt

SN: 660001-660174

3шт.

5

6251-71-7420

Block

SN: 660001-660174

1шт.

6

01435-01040

Bolt

SN: 660001-660174

2шт.

7

205-62-74690

Nipple

SN: 660001-660174

1шт.

8

07002-11423

O-ring

SN: 660001-660174

1шт.

9

6128-81-4810

Valve

SN: 660001-660174

1шт.

10

6245-71-6180

Bolt

SN: 660001-660174

1шт.

11

6240-71-6530

Clamp

SN: 660001-660174

1шт.

12

6240-71-6540

Clamp

SN: 660001-660174

1шт.

13

01435-01040

Bolt

SN: 660001-660174

1шт.

14

6251-71-7620

Tube, Return

SN: 660001-660174

1шт.

15

6251-71-7630

Tube, Return

SN: 660001-660174

1шт.

16

6245-71-5960

Bolt

SN: 660001-660174

2шт.

17

07005-00812

Seal, Washer

SN: 660001-660174

4шт.

18

6251-71-7550

Bolt

SN: 660001-660174

1шт.

19

07005-00812

Seal, Washer

SN: 660001-660174

3шт.

20

6631-11-5630

Spacer

SN: 660001-660174

1шт.

21

6245-71-5950

Clip

SN: 660001-660174

2шт.

22

01435-01085

Bolt

SN: 660001-660174

1шт.

23

01435-01075

Bolt

SN: 660001-660174

1шт.

24

01643-31032

Washer

SN: 660001-660174

2шт.

25

6251-71-7640

Tube, Inlet

SN: 660001-660174

1шт.

26

07206-31014

Bolt, Joint

SN: 660001-660174

1шт.

27

07005-01412

Seal, Washer

SN: 660001-660174

2шт.

28

6166-53-2640

Stay

SN: 660001-660174

1шт.

29

6206-11-4590

Spacer

SN: 660001-660174

1шт.

30

01435-01055

Bolt

SN: 660001-660174

1шт.

31

600-051-6080

Clip

SN: 660001-660174

1шт.

32

01435-01020

Bolt

SN: 660001-660174

1шт.

33

01643-31032

Washer

SN: 660001-660174

1шт.

34

600-051-6080

Clip

SN: 660001-660174

1шт.

35

01435-01025

Bolt

SN: 660001-660174

1шт.

36

01643-31032

Washer

SN: 660001-660174

2шт.

37

6631-11-5630

Spacer

SN: 660001-660174

1шт.

38

600-051-6080

Clip

SN: 660001-660174

1шт.

39

01435-01035

Bolt

SN: 660001-660174

1шт.

40

01643-31032

Washer

SN: 660001-660174

1шт.

41

6251-71-7860

Bracket

SN: 660001-660174

1шт.

42

01435-01065

Bolt

SN: 660001-660174

1шт.

43

6251-71-7850

Cover

SN: 660001-660174

1шт.

44

01435-01020

Bolt

SN: 660001-660174

1шт.

45

01435-01090

Bolt

SN: 660001-660174

1шт.

46

6130-12-4571

Spacer

SN: 660001-660174

1шт.

47

6245-81-9420

Plate

SN: 660001-660174

1шт.

48

6212-85-2440

Bracket

SN: 660001-660174

1шт.

49

01435-01065

Bolt

SN: 660001-660174

1шт.

50

6251-71-7770

Tube, Bypass

SN: 660001-660174

1шт.

51

6251-71-7780

Tube

SN: 660001-660174

1шт.

52

6251-71-7660

Block

SN: 660001-660174

1шт.

53

01435-01070

Bolt

SN: 660001-660174

1шт.

54

20U-62-41680

Elbow

SN: 660001-660174

1шт.

55

02781-00516

Union

SN: 660001-660174

1шт.

56

07002-12034

O-ring

SN: 660001-660174

2шт.

57

02896-11015

O-ring

SN: 660001-660174

1шт.

58

6251-71-7670

Bracket

SN: 660001-660174

1шт.

59

01435-01030

Bolt

SN: 660001-660174

2шт.

60

6240-71-6530

Clamp

SN: 660001-660174

1шт.

61

6240-71-6540

Clamp

SN: 660001-660174

1шт.

62

01435-01045

Bolt

SN: 660001-660174

1шт.

63

6251-71-7690

Block

SN: 660001-660174

1шт.

64

01435-01060

Bolt

SN: 660001-660174

2шт.

65

6251-71-7790

Joint

SN: 660001-660174

1шт.

66

07005-02012

Gasket

SN: 660001-660174

3шт.

Выбрано товаров: 66