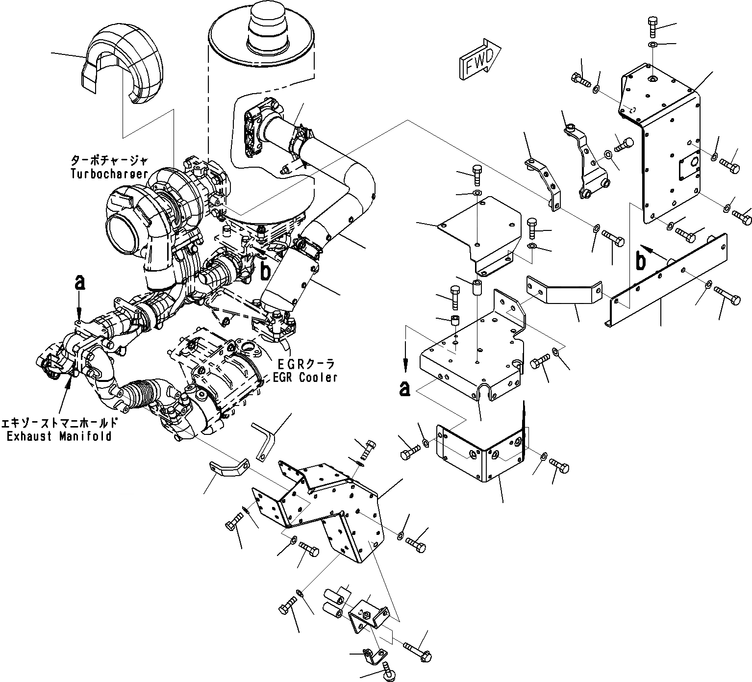
Запчасти Komatsu SAA6D125E-5C ТЕРМОЗАЩИТА ДВИГАТЕЛЬ ГОЛОВКА ЦИЛИНДРОВ И ITS КОМПОНЕНТЫ

Схема запчастей Komatsu SAA6D125E-5C - ТЕРМОЗАЩИТА ДВИГАТЕЛЬ ГОЛОВКА ЦИЛИНДРОВ И ITS КОМПОНЕНТЫ
46
16
15
17
11
10
11
14
13
12
11
10
9
8
7
6
5
4
3
2
1
11
28
29
34
33
32
31
30
29
28
27
26
25
24
23
22
21
20
19
18
32
42
42
43
45
44
45
42
41
40
39
38
36
37
35
42
42
43
FIT
1:1
100%

Артикул

Название

Примечание

Количество

1

6251-11-6110

Cover

SN: 560016-UP

1шт.

2

6251-11-6380

Bracket

SN: 560016-UP

1шт.

3

6152-51-5520

Spacer

SN: 560016-UP

2шт.

4

01435-01075

Bolt

SN: 560016-UP

2шт.

5

6934-71-5860

Bracket

SN: 560016-UP

1шт.

6

01435-01025

Bolt

SN: 560016-UP

1шт.

7

6251-11-6480

Bracket

SN: 560016-UP

1шт.

8

01010-E1025

Bolt

SN: 560016-UP

1шт.

9

01010-E1025

Bolt

SN: 560016-UP

2шт.

10

01010-E1030

Bolt

SN: 560016-UP

4шт.

11

01643-31032

Washer

SN: 560016-UP

7шт.

12

6251-11-6570

Bracket

SN: 560016-UP

1шт.

13

01010-E1025

Bolt

SN: 560016-UP

1шт.

14

01643-31032

Washer

SN: 560016-UP

1шт.

15

6251-11-6610

Cover

SN: 560016-UP

1шт.

16

6251-11-6620

Cover

SN: 560016-UP

1шт.

17

6251-11-6640

Cover

SN: 560016-UP

1шт.

18

6251-11-6530

Bracket

SN: 560016-UP

1шт.

19

01643-31032

Washer

SN: 560016-UP

2шт.

20

01010-E1065

Bolt

SN: 560016-UP

2шт.

21

6251-11-6540

Bracket

SN: 560016-UP

1шт.

22

6251-11-6510

Bracket

SN: 560016-UP

1шт.

23

6631-11-5630

Spacer

SN: 560016-UP

4шт.

24

01010-E1040

Bolt

SN: 560016-UP

4шт.

25

01643-31032

Washer

SN: 560016-UP

2шт.

26

01010-E1030

Bolt

SN: 560016-UP

2шт.

27

6251-11-6520

Cover

SN: 560016-UP

1шт.

28

01643-31032

Washer

SN: 560016-UP

6шт.

29

01010-E1025

Bolt

SN: 560016-UP

6шт.

30

6251-11-6730

Cover

SN: 560016-UP

1шт.

31

6144-11-5630

Spacer

SN: 560016-UP

5шт.

32

01643-31032

Washer

SN: 560016-UP

7шт.

33

01010-E1016

Bolt

SN: 560016-UP

2шт.

34

01010-E1050

Bolt

SN: 560016-UP

5шт.

35

6251-11-6740

Bracket

SN: 560016-UP

1шт.

36

01643-31032

Washer

SN: 560016-UP

2шт.

37

01010-E1035

Bolt

SN: 560016-UP

2шт.

38

6251-11-6750

Bracket

SN: 560016-UP

1шт.

39

01643-31032

Washer

SN: 560016-UP

2шт.

40

01010-E1025

Bolt

SN: 560016-UP

2шт.

41

6155-11-8620

Cover

SN: 560016-UP

1шт.

42

01643-31032

Washer

SN: 560016-UP

6шт.

43

01010-E1020

Bolt

SN: 560016-UP

2шт.

44

01010-E1025

Bolt

SN: 560016-UP

1шт.

45

01010-E1030

Bolt

SN: 560016-UP

2шт.

46

6155-11-5410

Cover

SN: 560016-UP

1шт.

Выбрано товаров: 46