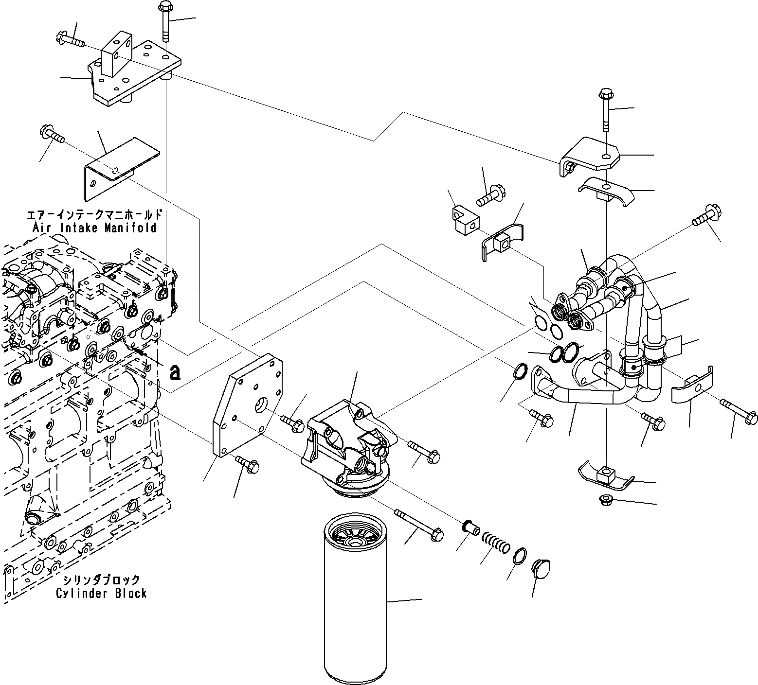
Запчасти Komatsu SAA6D125E-5C ДВИГАТЕЛЬ МАСЛ. ФИЛЬТР ДВИГАТЕЛЬ СИСТЕМА СМАЗКИ СИСТЕМА

Схема запчастей Komatsu SAA6D125E-5C - ДВИГАТЕЛЬ МАСЛ. ФИЛЬТР ДВИГАТЕЛЬ СИСТЕМА СМАЗКИ СИСТЕМА
11
10
9
6
1
3
5
8
4
7
2
12
13
26
30
22
25
31
26
28
17
19
19
16
15
16
14
18
29
21
26
23
25
27
26
25
24
20
FIT
1:1
100%

Артикул

Название

Примечание

Количество

|1

6217-51-5102

Head Assembly

SN: 560016-UP

1шт.

1

6217-51-5111

Head

SN: 560016-UP

1шт.

2

600-211-1890

Spring

SN: 560016-UP

1шт.

3

6162-55-5230

Valve

SN: 560016-UP

1шт.

4

6162-53-5430

Packing

SN: 560016-UP

1шт.

5

6217-51-5660

Cap

SN: 560016-UP

1шт.

6

600-211-1340

Cartridge

SN: 560016-UP

1шт.

7

01435-01060

Bolt

SN: 560016-UP

2шт.

8

01436-01010

Bolt

SN: 560016-UP

2шт.

9

6251-51-5250

Plate

SN: 560016-UP

1шт.

10

01435-01025

Bolt

SN: 560016-UP

1шт.

11

01435-01035

Bolt

SN: 560016-UP

3шт.

12

6251-51-5370

Cover

SN: 560016-UP

1шт.

13

01435-01016

Bolt

SN: 560016-UP

2шт.

14

6251-51-5870

Tube, Inlet

SN: 560016-UP

1шт.

15

6251-51-5880

Tube, Outlet

SN: 560016-UP

1шт.

16

6124-61-2181

Grommet

SN: 560016-UP

2шт.

17

6154-51-5810

Grommet

SN: 560016-UP

1шт.

18

07000-73025

O-ring

SN: 560016-UP

2шт.

19

01435-01025

Bolt

SN: 560016-UP

5шт.

20

01435-01025

Bolt

SN: 560016-UP

2шт.

21

6251-51-5310

Bracket

SN: 560016-UP

1шт.

22

01435-01060

Bolt

SN: 560016-UP

4шт.

23

6251-51-5320

Bracket

SN: 560016-UP

1шт.

24

01435-01045

Bolt

SN: 560016-UP

2шт.

25

6251-51-5180

Cushion

SN: 560016-UP

4шт.

26

07094-30518

Clamp

SN: 560016-UP

4шт.

27

01435-01270

Bolt

SN: 560016-UP

1шт.

28

01584-01210

Nut

SN: 560016-UP

1шт.

29

6251-51-5330

Bracket

SN: 560016-UP

1шт.

30

01435-01040

Bolt

SN: 560016-UP

1шт.

31

01435-01260

Bolt

SN: 560016-UP

1шт.

Выбрано товаров: 32