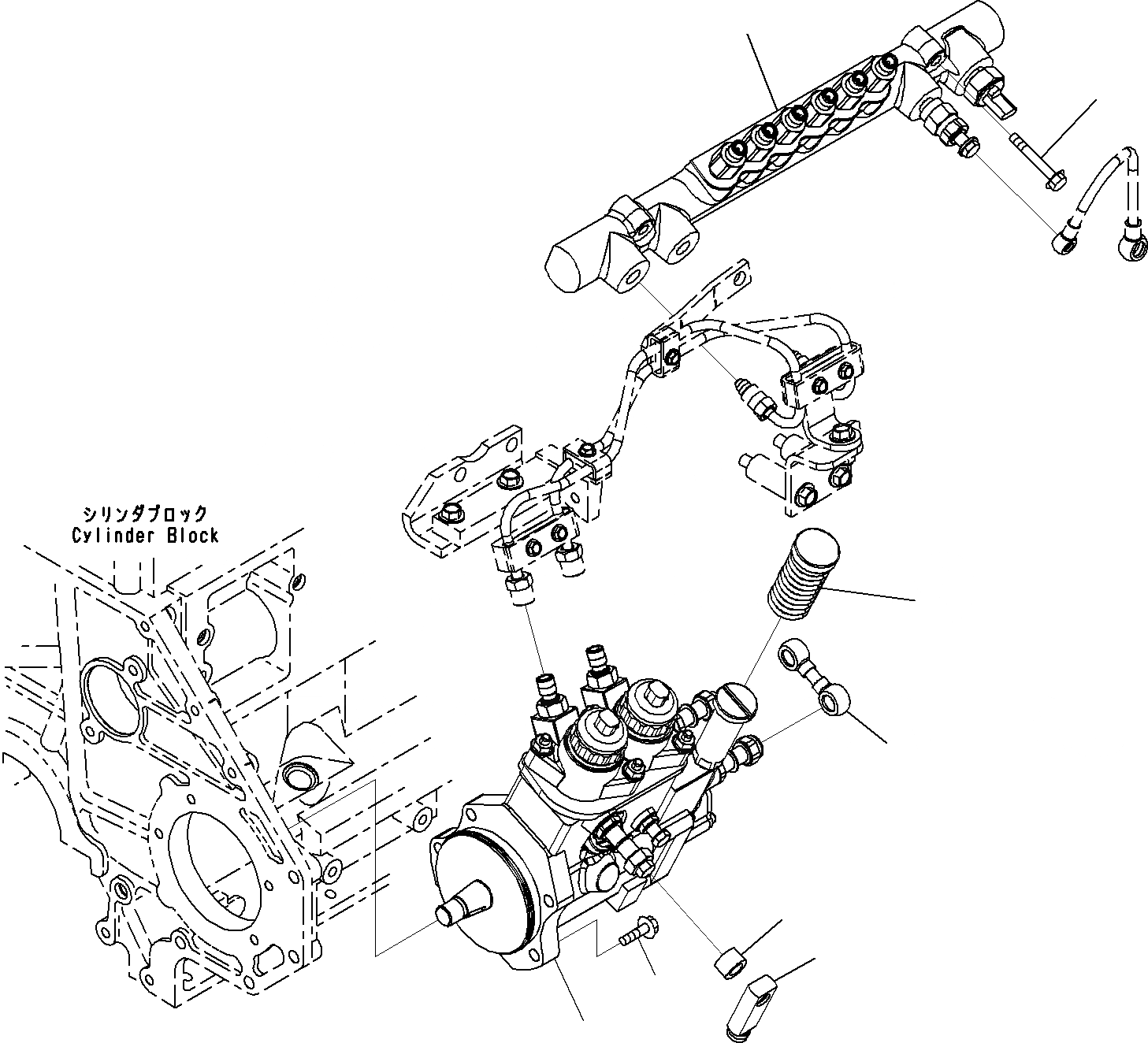
Запчасти Komatsu SAA6D125E-5C ТОПЛ. НАСОС (/) ДВИГАТЕЛЬ ТОПЛИВН. СИСТЕМА

Схема запчастей Komatsu SAA6D125E-5C - ТОПЛ. НАСОС (/) ДВИГАТЕЛЬ ТОПЛИВН. СИСТЕМА
6
5
2
1
3
4
7
8
FIT
1:1
100%

Артикул

Название

Примечание

Количество

1

6251-71-1120

Pump

SN: 560016-UP

1шт.

2

01435-01035

Bolt

SN: 560016-UP

4шт.

3

6217-71-5910

Tube

SN: 560016-UP

1шт.

4

6217-71-1910

Cover

SN: 560016-UP

1шт.

5

6151-51-8490

Spacer

SN: 560016-UP

1шт.

6

6156-71-5370

Joint

SN: 560016-UP

1шт.

7

6261-71-1210

Common Rail Assembly

SN: 560016-UP

1шт.

8

01435-01050

Bolt

SN: 560016-UP

2шт.

Выбрано товаров: 8