Запчасти Komatsu SAA6D125E-5D ТЕРМОЗАЩИТА(№-) ДВИГАТЕЛЬ

Схема запчастей Komatsu SAA6D125E-5D - ТЕРМОЗАЩИТА(№-) ДВИГАТЕЛЬ
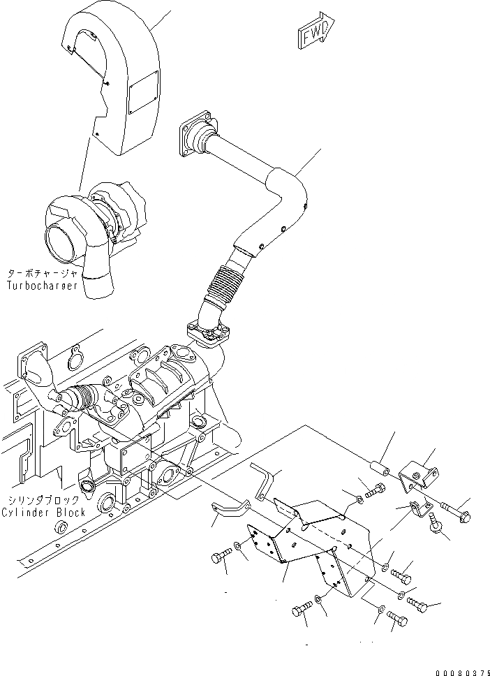
1
2
3
4
5
6
7
8
9
9
10
10
11
11
11
11
11
12
13
14
15
16
FIT
1:1
100%

Артикул

Название

Примечание

Количество

1

6251-11-6120

COVER,HEAT SHIELD

SN: 565561-UP

1шт.

2

6251-11-6380

BRACKET

SN: 565561-UP

1шт.

3

6152-51-5520

SPACER

SN: 565561-UP

2шт.

4

01435-01075

BOLT

SN: 565561-UP

2шт.

5

6934-71-5860

BRACKET

SN: 565561-UP

1шт.

6

01435-01025

BOLT

SN: 565561-UP

1шт.

7

6251-11-6480

BRACKET

SN: 565561-UP

1шт.

8

01010-E1025

BOLT

SN: 565561-UP

1шт.

9

01010-E1025

BOLT

SN: 565561-UP

2шт.

10

01010-E1030

BOLT

SN: 565561-UP

4шт.

11

01643-31032

WASHER

SN: 565561-UP

7шт.

12

6251-11-6570

BRACKET

SN: 565561-UP

1шт.

13

01010-E1025

BOLT

SN: 565561-UP

1шт.

14

01643-31032

WASHER

SN: 565561-UP

1шт.

15

6251-11-6660

COVER,HEAT SHIELD

SN: 565561-UP

1шт.

16

6251-11-5460

COVER,TURBOCHARGER

SN: 565561-UP

1шт.

Выбрано товаров: 16