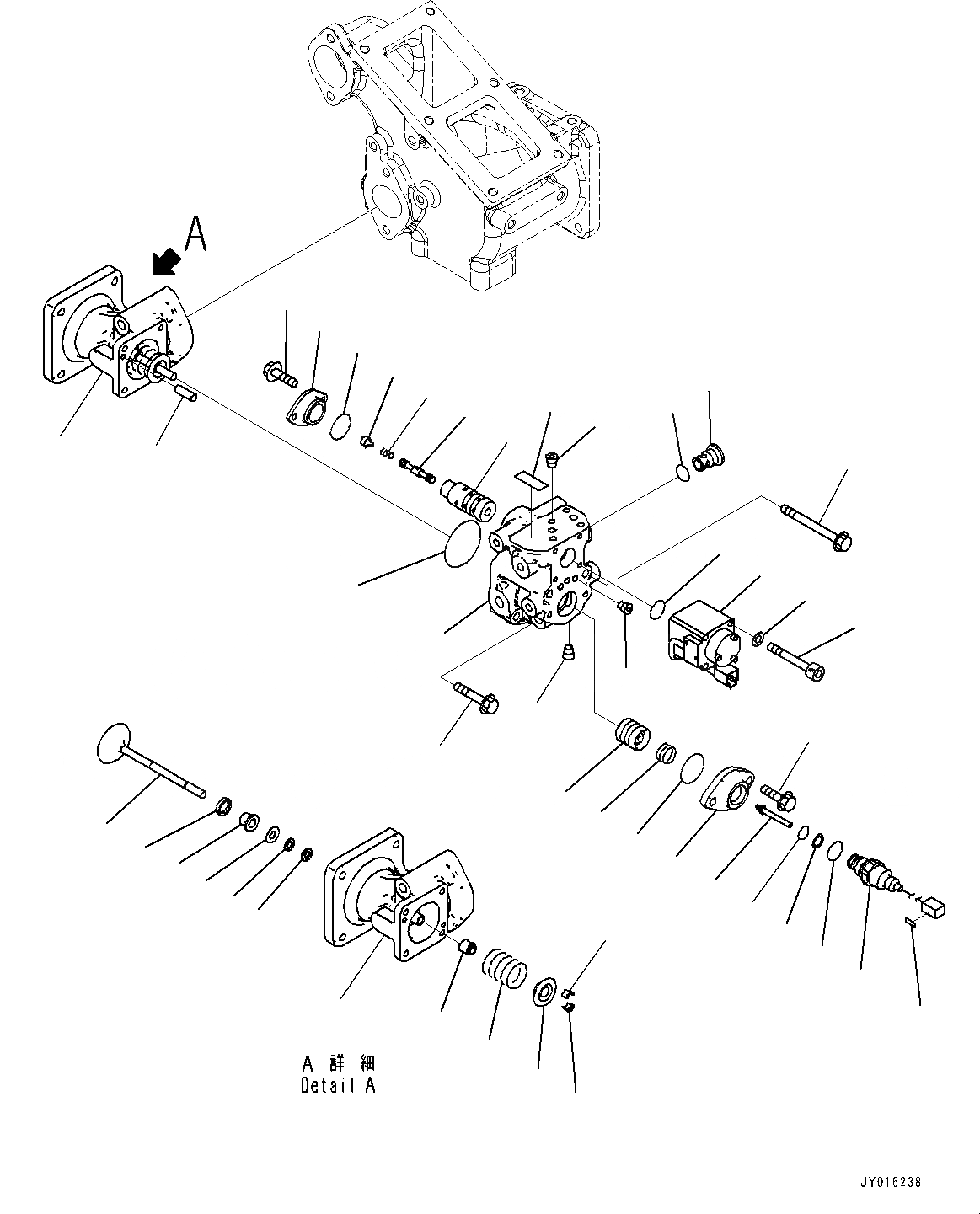
Запчасти Komatsu SAA6D125E-5D ВЫПУСКН. GAS RE-CIRCULATION (EGR) КЛАПАН, ВНУТР. ЧАСТИ, EGR КЛАПАН (№7-) ВЫПУСКН. GAS RE-CIRCULATION (EGR) КЛАПАН

Схема запчастей Komatsu SAA6D125E-5D - ВЫПУСКН. GAS RE-CIRCULATION (EGR) КЛАПАН, ВНУТР. ЧАСТИ, EGR КЛАПАН (№7-) ВЫПУСКН. GAS RE-CIRCULATION (EGR) КЛАПАН
3
4
6
5
7
8
12
9
10
11
11
2
19
1
24
22
23
15
17
16
14
21
20
18
25
13
18
27
18
26
28
29
31
30
34
36
37
38
33
32
40
42
41
39
35
43
3
4
6
5
7
8
12
9
10
11
11
2
19
1
24
22
23
15
17
16
14
21
20
18
25
13
18
27
18
26
28
29
31
30
34
36
37
38
33
32
40
42
41
39
35
43
FIT
1:1
100%

Артикул

Название

Примечание

Количество

|$0

6261-41-4900

Valve Assembly, (EGR)

SN: 567555-UP

1шт.

1

6261-41-4910

Valve Assembly

SN: 567555-UP

1шт.

2

6261-41-4920

Case

SN: 567555-UP

1шт.

3

6261-41-4810

Seal

SN: 567555-UP

1шт.

4

6261-41-4820

Insulator

SN: 567555-UP

1шт.

5

6261-41-4830

Cover

SN: 567555-UP

1шт.

6

6261-41-4840

Plate

SN: 567555-UP

1шт.

7

6261-41-4851

Ring

SN: 567555-UP

1шт.

8

6261-41-9650

Valve

SN: 567555-UP

1шт.

9

6261-41-9610

Spring

SN: 567555-UP

1шт.

10

6204-41-4510

Seat

SN: 567555-UP

1шт.

11

6204-41-4520

Cotter

SN: 567555-UP

2шт.

12

6204-41-4541

Seal

SN: 567555-UP

1шт.

12

6261-41-9530

Case Assembly

SN: 567555-UP

1шт.

13

6261-41-9540

Case

SN: 567555-UP

1шт.

14

6553-51-2110

Bushing

SN: 567555-UP

1шт.

15

6553-51-2820

Seat, T=50mm

SN: 567555-UP

1шт.

16

6553-51-3110

Spool

SN: 567555-UP

1шт.

17

6553-51-3511

Spring

SN: 567555-UP

1шт.

18

708-21-12541

Plug

SN: 567555-UP

7шт.

19

04020-00514

Pin, Dowel

SN: 567555-UP

2шт.

20

6261-41-9640

Filter

SN: 567555-UP

1шт.

21

07002-61823

O-ring

SN: 567555-UP

1шт.

22

6261-41-4960

Cover

SN: 567555-UP

1шт.

23

07000-E2025

O-ring

SN: 567555-UP

1шт.

24

01435-00612

Bolt

SN: 567555-UP

2шт.

25

07000-E2055

O-ring

SN: 567555-UP

1шт.

26

01435-00895

Bolt

SN: 567555-UP

2шт.

27

01435-00845

Bolt

SN: 567555-UP

2шт.

28

6261-41-9580

Piston

SN: 567555-UP

1шт.

29

6261-41-9620

Spring

SN: 567555-UP

1шт.

30

6261-41-9550

Cover

SN: 567555-UP

1шт.

31

07000-A2035

O-ring

SN: 567555-UP

1шт.

32

01435-00820

Bolt

SN: 567555-UP

2шт.

32

729-12-11001

Sensor Assembly

SN: 567555-UP

1шт.

33

729-12-11100

Sensor Assembly

SN: 567555-UP

1шт.

34

729-12-11700

Core Assembly

SN: 569452-UP

1шт.

34

729-12-11201

Core Assembly

SN: 567555-569451

1шт.

35

729-11-11180

Plate

SN: 567555-UP

1шт.

36

07000-B2012

O-ring

SN: 567555-UP

1шт.

37

07001-02012

Ring, Back-up

SN: 567555-UP

1шт.

38

07002-62034

O-ring

SN: 567555-UP

1шт.

39

6261-41-9590

Solenoid Assembly

SN: 567555-UP

1шт.

40

07000-A2016

O-ring

SN: 567555-UP

1шт.

41

6553-81-7110

Bolt

SN: 567555-UP

4шт.

42

01643-30623

Washer

SN: 567555-UP

4шт.

43

6261-41-9690

Plate

SN: 567555-UP

1шт.

|$0

6261-41-4900

Valve Assembly, (EGR)

SN: 567555-UP

1шт.

1

6261-41-4910

Valve Assembly

SN: 567555-UP

1шт.

2

6261-41-4920

Case

SN: 567555-UP

1шт.

3

6261-41-4810

Seal

SN: 567555-UP

1шт.

4

6261-41-4820

Insulator

SN: 567555-UP

1шт.

5

6261-41-4830

Cover

SN: 567555-UP

1шт.

6

6261-41-4840

Plate

SN: 567555-UP

1шт.

7

6261-41-4851

Ring

SN: 567555-UP

1шт.

8

6261-41-9650

Valve

SN: 567555-UP

1шт.

9

6261-41-9610

Spring

SN: 567555-UP

1шт.

10

6204-41-4510

Seat

SN: 567555-UP

1шт.

11

6204-41-4520

Cotter

SN: 567555-UP

2шт.

12

6204-41-4541

Seal

SN: 567555-UP

1шт.

12

6261-41-9530

Case Assembly

SN: 567555-UP

1шт.

13

6261-41-9540

Case

SN: 567555-UP

1шт.

14

6553-51-2110

Bushing

SN: 567555-UP

1шт.

15

6553-51-2820

Seat, T=50mm

SN: 567555-UP

1шт.

16

6553-51-3110

Spool

SN: 567555-UP

1шт.

17

6553-51-3511

Spring

SN: 567555-UP

1шт.

18

708-21-12541

Plug

SN: 567555-UP

7шт.

19

04020-00514

Pin, Dowel

SN: 567555-UP

2шт.

20

6261-41-9640

Filter

SN: 567555-UP

1шт.

21

07002-61823

O-ring

SN: 567555-UP

1шт.

22

6261-41-4960

Cover

SN: 567555-UP

1шт.

23

07000-E2025

O-ring

SN: 567555-UP

1шт.

24

01435-00612

Bolt

SN: 567555-UP

2шт.

25

07000-E2055

O-ring

SN: 567555-UP

1шт.

26

01435-00895

Bolt

SN: 567555-UP

2шт.

27

01435-00845

Bolt

SN: 567555-UP

2шт.

28

6261-41-9580

Piston

SN: 567555-UP

1шт.

29

6261-41-9620

Spring

SN: 567555-UP

1шт.

30

6261-41-9550

Cover

SN: 567555-UP

1шт.

31

07000-A2035

O-ring

SN: 567555-UP

1шт.

32

01435-00820

Bolt

SN: 567555-UP

2шт.

32

729-12-11001

Sensor Assembly

SN: 567555-UP

1шт.

33

729-12-11100

Sensor Assembly

SN: 567555-UP

1шт.

34

729-12-11700

Core Assembly

SN: 569452-UP

1шт.

34

729-12-11201

Core Assembly

SN: 567555-569451

1шт.

35

729-11-11180

Plate

SN: 567555-UP

1шт.

36

07000-B2012

O-ring

SN: 567555-UP

1шт.

37

07001-02012

Ring, Back-up

SN: 567555-UP

1шт.

38

07002-62034

O-ring

SN: 567555-UP

1шт.

39

6261-41-9590

Solenoid Assembly

SN: 567555-UP

1шт.

40

07000-A2016

O-ring

SN: 567555-UP

1шт.

41

6553-81-7110

Bolt

SN: 567555-UP

4шт.

42

01643-30623

Washer

SN: 567555-UP

4шт.

43

6261-41-9690

Plate

SN: 567555-UP

1шт.

Выбрано товаров: 94