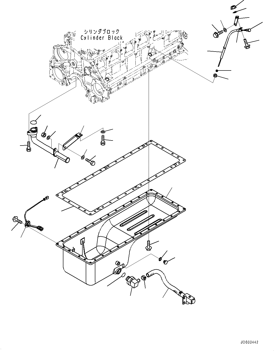
Запчасти Komatsu SAA6D125E-5D МАСЛЯНЫЙ ПОДДОН И ВСАСЫВАЮЩИЙ ПАТРУБОК (№7-) МАСЛЯНЫЙ ПОДДОН И ВСАСЫВАЮЩИЙ ПАТРУБОК

Схема запчастей Komatsu SAA6D125E-5D - МАСЛЯНЫЙ ПОДДОН И ВСАСЫВАЮЩИЙ ПАТРУБОК (№7-) МАСЛЯНЫЙ ПОДДОН И ВСАСЫВАЮЩИЙ ПАТРУБОК
1
3
19
20
21
22
7
2
32
31
29
28
27
26
25
24
23
30
18
17
16
15
14
13
12
11
9
8
10
6
5
4
1
3
19
20
21
22
7
2
32
31
29
28
27
26
25
24
23
30
18
17
16
15
14
13
12
11
9
8
10
6
5
4
FIT
1:1
100%

Артикул

Название

Примечание

Количество

1

6150-21-5550

Pan, Oil

SN: 567555-UP

1шт.

2

6150-21-5813

Gasket

SN: 567555-UP

1шт.

3

01435-01025

Bolt

SN: 567555-UP

36шт.

|$3

6251-51-6620

Hose Assembly, Oil Drain

SN: 567555-UP

1шт.

4

6251-51-6630

Elbow Assembly

SN: 567555-UP

1шт.

5

6251-51-6640

Hose Assembly

SN: 567555-UP

1шт.

6

07281-00359

Clamp, Hose

SN: 567555-UP

1шт.

7

07002-23634

O-ring

SN: 567555-UP

1шт.

8

6207-21-5340

Gauge

SN: 567555-UP

1шт.

9

6251-21-5410

Guide, Oil Gauge

SN: 567555-UP

1шт.

10

6150-21-5920

Collar

SN: 567555-UP

1шт.

11

6150-21-5930

Nut

SN: 567555-UP

1шт.

12

6251-21-5510

Bracket

SN: 567555-UP

1шт.

13

01643-31032

Washer

SN: 567555-UP

1шт.

14

01435-01025

Bolt

SN: 567555-UP

1шт.

15

04434-51310

Clip

SN: 567555-UP

1шт.

16

01435-01025

Bolt

SN: 567555-UP

1шт.

17

01643-31032

Washer

SN: 567555-UP

1шт.

18

01584-01008

Nut

SN: 567555-UP

1шт.

19

6741-81-9220

Sensor, Oil Level

SN: 567555-UP

1шт.

19

7861-91-4220

O-ring

SN: 567555-UP

1шт.

20

01435-00612

Bolt

SN: 567555-UP

3шт.

21

6672-12-6290

Bolt

SN: 567555-UP

1шт.

22

07005-01612

Seal, Washer

SN: 567555-UP

1шт.

23

6150-51-6330

Strainer

SN: 567555-UP

1шт.

24

07000-73045

O-ring

SN: 567555-UP

1шт.

25

01010-81035

Bolt

SN: 567555-UP

2шт.

26

6150-51-6340

Bracket

SN: 567555-UP

1шт.

27

01010-81020

Bolt

SN: 567555-UP

1шт.

28

01643-31032

Washer

SN: 567555-UP

1шт.

29

01010-81030

Bolt

SN: 567555-UP

1шт.

30

01643-31032

Washer

SN: 567555-UP

1шт.

31

01580-01008

Nut

SN: 567555-UP

1шт.

32

01643-31032

Washer

SN: 567555-UP

1шт.

1

6150-21-5550

Pan, Oil

SN: 567555-UP

1шт.

2

6150-21-5813

Gasket

SN: 567555-UP

1шт.

3

01435-01025

Bolt

SN: 567555-UP

36шт.

|$3

6251-51-6620

Hose Assembly, Oil Drain

SN: 567555-UP

1шт.

4

6251-51-6630

Elbow Assembly

SN: 567555-UP

1шт.

5

6251-51-6640

Hose Assembly

SN: 567555-UP

1шт.

6

07281-00359

Clamp, Hose

SN: 567555-UP

1шт.

7

07002-23634

O-ring

SN: 567555-UP

1шт.

8

6207-21-5340

Gauge

SN: 567555-UP

1шт.

9

6251-21-5410

Guide, Oil Gauge

SN: 567555-UP

1шт.

10

6150-21-5920

Collar

SN: 567555-UP

1шт.

11

6150-21-5930

Nut

SN: 567555-UP

1шт.

12

6251-21-5510

Bracket

SN: 567555-UP

1шт.

13

01643-31032

Washer

SN: 567555-UP

1шт.

14

01435-01025

Bolt

SN: 567555-UP

1шт.

15

04434-51310

Clip

SN: 567555-UP

1шт.

16

01435-01025

Bolt

SN: 567555-UP

1шт.

17

01643-31032

Washer

SN: 567555-UP

1шт.

18

01584-01008

Nut

SN: 567555-UP

1шт.

19

6741-81-9220

Sensor, Oil Level

SN: 567555-UP

1шт.

19

7861-91-4220

O-ring

SN: 567555-UP

1шт.

20

01435-00612

Bolt

SN: 567555-UP

3шт.

21

6672-12-6290

Bolt

SN: 567555-UP

1шт.

22

07005-01612

Seal, Washer

SN: 567555-UP

1шт.

23

6150-51-6330

Strainer

SN: 567555-UP

1шт.

24

07000-73045

O-ring

SN: 567555-UP

1шт.

25

01010-81035

Bolt

SN: 567555-UP

2шт.

26

6150-51-6340

Bracket

SN: 567555-UP

1шт.

27

01010-81020

Bolt

SN: 567555-UP

1шт.

28

01643-31032

Washer

SN: 567555-UP

1шт.

29

01010-81030

Bolt

SN: 567555-UP

1шт.

30

01643-31032

Washer

SN: 567555-UP

1шт.

31

01580-01008

Nut

SN: 567555-UP

1шт.

32

01643-31032

Washer

SN: 567555-UP

1шт.

Выбрано товаров: 68