Запчасти Komatsu SAA6D125E-5E PОБОД КОЛЕСАING НАСОС И ТРУБЫ(№7-) ДВИГАТЕЛЬ

Схема запчастей Komatsu SAA6D125E-5E - PОБОД КОЛЕСАING НАСОС И ТРУБЫ(№7-) ДВИГАТЕЛЬ
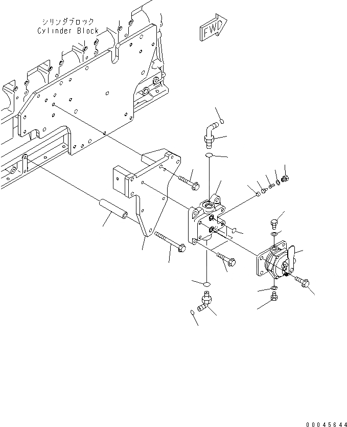
1
2
3
4
5
6
7
8
9
10
11
12
13
14
15
15
16
16
17
18
19
20
21
22
FIT
1:1
100%

Артикул

Название

Примечание

Количество

1

6251-71-6740

BRACKET

SN: 560347-UP

1шт.

2

01435-01090

BOLT

SN: 560347-UP

3шт.

3

6251-71-6780

SPACER

SN: 560347-UP

1шт.

4

01436-01035

BOLT

SN: 560347-UP

1шт.

|$6

6261-71-8100

BLOCK ASS'Y

SN: 560347-UP

1шт.

5

6261-71-8110

BLOCK

SN: 560347-UP

1шт.

6

6217-71-6850

PLUG

SN: 560347-UP

1шт.

7

6217-71-6820

VALVE

SN: 560347-UP

1шт.

8

6217-71-6830

SPRING

SN: 560347-UP

1шт.

9

6217-71-6840

WASHER

SN: 560347-UP

1шт.

10

6217-71-6870

PIN

SN: 560347-UP

1шт.

11

07000-12014

O-RING

SN: 560347-UP

2шт.

12

01435-01035

BOLT

SN: 560347-UP

2шт.

13

6261-71-8240

PRIMING PUMP ASS'Y

SN: 560347-UP

1шт.

14

01435-01025

BOLT

SN: 560347-UP

4шт.

15

6110-53-5910

PLUG

SN: 560347-UP

2шт.

16

07005-01412

GASKET

SN: 560347-UP

2шт.

17

02782-10423

ELBOW

SN: 560347-UP

1шт.

18

07002-12034

O-RING

SN: 560347-UP

1шт.

19

02896-11012

O-RING

SN: 560347-UP

1шт.

20

02782-10422

ELBOW

SN: 560987-UP

1шт.

|$28

02782-10516

ELBOW

SN: 560347-560986

1шт.

21

07002-12034

O-RING

SN: 560347-UP

1шт.

22

02896-11015

O-RING

SN: 560347-560851

1шт.

Выбрано товаров: 24