Запчасти Komatsu SAA6D125E-5E ТЕРМОСТАТ И ТЕРМОСТАТ (№7-) ТЕРМОСТАТ И ТЕРМОСТАТ

Схема запчастей Komatsu SAA6D125E-5E - ТЕРМОСТАТ И ТЕРМОСТАТ (№7-) ТЕРМОСТАТ И ТЕРМОСТАТ
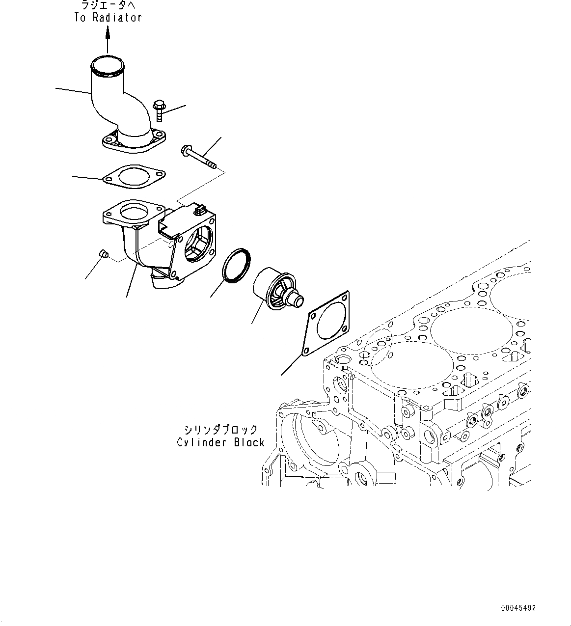
4
2
5
6
1
8
7
3
9
4
2
5
6
1
8
7
3
9
FIT
1:1
100%

Артикул

Название

Примечание

Количество

1

6251-21-6410

Housing, Thermostat

SN: 567555-UP

1шт.

2

6150-22-6490

Gasket

SN: 567555-UP

1шт.

3

01437-01065

Bolt

SN: 567555-UP

2шт.

4

02720-20204

Plug

SN: 567555-UP

1шт.

5

600-421-6630

Thermostat

SN: 567555-UP

1шт.

6

6162-13-6440

Seal, Oil, Thermostat

SN: 567555-UP

1шт.

7

6251-61-6270

Connector

SN: 567555-UP

1шт.

8

6210-61-6441

Gasket

SN: 567555-UP

1шт.

9

01435-01025

Bolt

SN: 567555-UP

1шт.

1

6251-21-6410

Housing, Thermostat

SN: 567555-UP

1шт.

2

6150-22-6490

Gasket

SN: 567555-UP

1шт.

3

01437-01065

Bolt

SN: 567555-UP

2шт.

4

02720-20204

Plug

SN: 567555-UP

1шт.

5

600-421-6630

Thermostat

SN: 567555-UP

1шт.

6

6162-13-6440

Seal, Oil, Thermostat

SN: 567555-UP

1шт.

7

6251-61-6270

Connector

SN: 567555-UP

1шт.

8

6210-61-6441

Gasket

SN: 567555-UP

1шт.

9

01435-01025

Bolt

SN: 567555-UP

1шт.

Выбрано товаров: 18