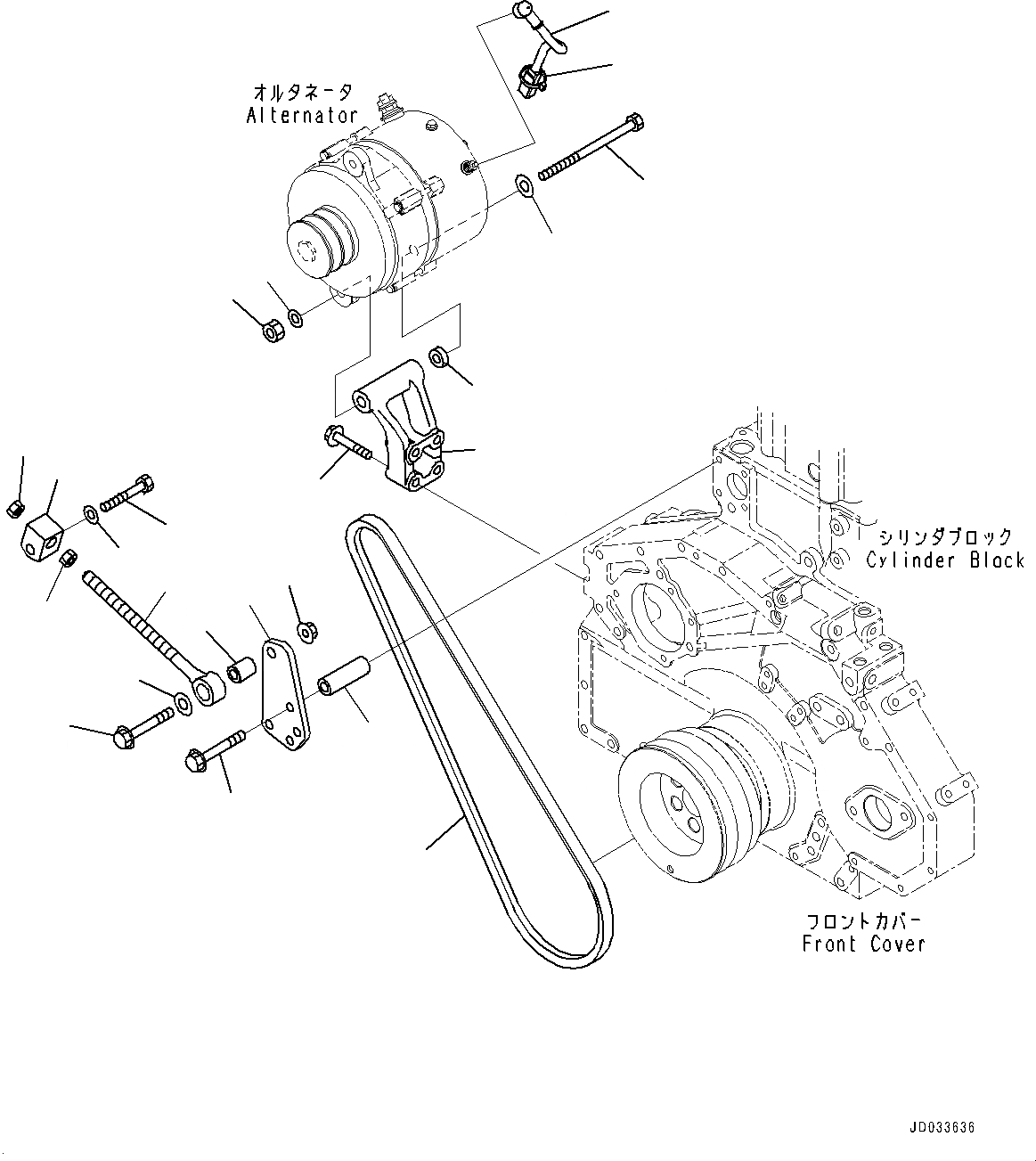
Запчасти Komatsu SAA6D125E-5E ГЕНЕРАТОР, КРЕПЛЕНИЕ (№7-) ГЕНЕРАТОР, 7AMP, ДЛЯ HARDENED ШКИВ

Схема запчастей Komatsu SAA6D125E-5E - ГЕНЕРАТОР, КРЕПЛЕНИЕ (№7-) ГЕНЕРАТОР, 7AMP, ДЛЯ HARDENED ШКИВ
4
7
8
10
12
13
14
15
16
18
19
20
14
3
3
2
1
5
6
21
17
11
9
4
7
8
10
12
13
14
15
16
18
19
20
14
3
3
2
1
5
6
21
17
11
9
FIT
1:1
100%

Артикул

Название

Примечание

Количество

1

6128-21-6780

Bolt

SN: 567555-UP

1шт.

2

02205-10812

Nut

SN: 567555-UP

1шт.

3

01640-21323

Washer

SN: 567555-UP

2шт.

4

205-62-54561

Spacer

SN: 567555-UP

1шт.

5

421-06-43170

Wiring Harness

SN: 567555-UP

1шт.

6

08034-20519

Band

SN: 567555-UP

1шт.

7

6154-81-6411

Bracket

SN: 567555-UP

1шт.

8

01435-01055

Bolt

SN: 567555-UP

4шт.

9

6150-82-8650

Plate

SN: 567555-UP

1шт.

10

01435-01090

Bolt

SN: 567555-UP

2шт.

11

6211-11-9790

Spacer

SN: 567555-UP

2шт.

12

6150-82-8610

Rod, Adjusting

SN: 567555-UP

1шт.

13

6150-82-8690

Plate

SN: 567555-UP

1шт.

14

01580-11411

Nut

SN: 567555-UP

2шт.

15

6215-81-6150

Pin

SN: 567555-UP

1шт.

16

01435-01255

Bolt

SN: 567555-UP

1шт.

17

01584-01210

Nut

SN: 567555-UP

1шт.

18

01643-31232

Washer

SN: 567555-UP

1шт.

19

01050-51255

Bolt

SN: 567555-UP

1шт.

20

01643-31232

Washer

SN: 567555-UP

1шт.

21

04120-21754

V-belt

SN: 567555-UP

1шт.

1

6128-21-6780

Bolt

SN: 567555-UP

1шт.

2

02205-10812

Nut

SN: 567555-UP

1шт.

3

01640-21323

Washer

SN: 567555-UP

2шт.

4

205-62-54561

Spacer

SN: 567555-UP

1шт.

5

421-06-43170

Wiring Harness

SN: 567555-UP

1шт.

6

08034-20519

Band

SN: 567555-UP

1шт.

7

6154-81-6411

Bracket

SN: 567555-UP

1шт.

8

01435-01055

Bolt

SN: 567555-UP

4шт.

9

6150-82-8650

Plate

SN: 567555-UP

1шт.

10

01435-01090

Bolt

SN: 567555-UP

2шт.

11

6211-11-9790

Spacer

SN: 567555-UP

2шт.

12

6150-82-8610

Rod, Adjusting

SN: 567555-UP

1шт.

13

6150-82-8690

Plate

SN: 567555-UP

1шт.

14

01580-11411

Nut

SN: 567555-UP

2шт.

15

6215-81-6150

Pin

SN: 567555-UP

1шт.

16

01435-01255

Bolt

SN: 567555-UP

1шт.

17

01584-01210

Nut

SN: 567555-UP

1шт.

18

01643-31232

Washer

SN: 567555-UP

1шт.

19

01050-51255

Bolt

SN: 567555-UP

1шт.

20

01643-31232

Washer

SN: 567555-UP

1шт.

21

04120-21754

V-belt

SN: 567555-UP

1шт.

Выбрано товаров: 42