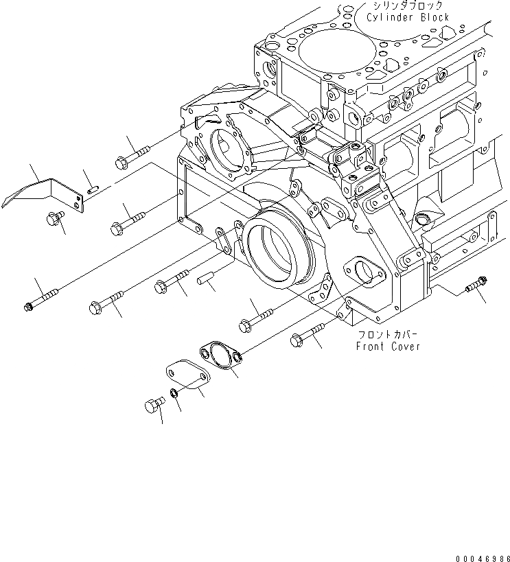
Запчасти Komatsu SAA6D125E-5F-02 ЭЛЕМЕНТЫ ПЕРЕДН. КРЫШКИ (КРЕПЛЕНИЕ БОЛТ И POINTER)(№-) ДВИГАТЕЛЬ

Схема запчастей Komatsu SAA6D125E-5F-02 - ЭЛЕМЕНТЫ ПЕРЕДН. КРЫШКИ (КРЕПЛЕНИЕ БОЛТ И POINTER)(№-) ДВИГАТЕЛЬ
1
2
2
2
3
4
4
5
6
7
8
9
10
11
12
13
FIT
1:1
100%

Артикул

Название

Примечание

Количество

1

04020-01228

PIN,DOWEL

SN: 560004-UP

2шт.

2

01435-01070

BOLT

SN: 560004-UP

8шт.

3

01435-01080

BOLT

SN: 560004-UP

5шт.

4

01435-01075

BOLT

SN: 560004-UP

2шт.

5

01437-01075

BOLT

SN: 560004-UP

1шт.

6

6251-21-3211

PLATE

SN: 560004-UP

1шт.

7

6251-21-3231

GASKET

SN: 560004-UP

1шт.

8

01050-51225

BOLT

SN: 560004-UP

2шт.

9

6251-21-3250

GASKET

SN: 560004-UP

2шт.

10

6150-81-9130

BOLT

SN: 560004-UP

4шт.

11

6156-21-3430

POINTER

SN: 560004-UP

1шт.

12

175-30-35180

PIN,DOWEL

SN: 560004-UP

1шт.

13

01435-01016

BOLT

SN: 560004-UP

1шт.

Выбрано товаров: 13