Запчасти Komatsu SAA6D125E-5F-02 МАСЛЯНЫЙ ПОДДОН И ВСАСЫВАЮЩИЙ ПАТРУБОК(№-) ДВИГАТЕЛЬ

Схема запчастей Komatsu SAA6D125E-5F-02 - МАСЛЯНЫЙ ПОДДОН И ВСАСЫВАЮЩИЙ ПАТРУБОК(№-) ДВИГАТЕЛЬ
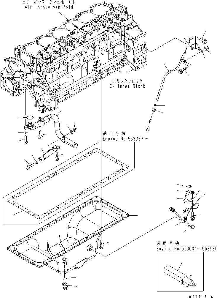
1
1A
2
3
4
5
6
7
8
9
10
11
12
13
14
15
16
17
18
19
20
21
22
23
24
25
26
27
28
29
30
31
31
32
FIT
1:1
100%

Артикул

Название

Примечание

Количество

1

6150-23-5181

PAN,OIL

SN: 560004-UP

1шт.

1A

6150-21-5813

GASKET

SN: 563937-UP

1шт.

2

01435-01025

BOLT

SN: 560004-UP

35шт.

3

07705-01400

VALVE,DRAIN

SN: 560004-UP

1шт.

4

07002-22434

O-RING

SN: 560004-UP

1шт.

5

6150-21-5650

GAUGE,OIL LEVEL

SN: 560004-UP

1шт.

6

6251-21-5440

GUIDE,OIL GAUGE

SN: 560004-UP

1шт.

7

6150-21-5920

COLLAR

SN: 560004-UP

1шт.

8

6150-21-5930

NUT

SN: 560004-UP

1шт.

9

6251-51-7170

BRACKET

SN: 560004-UP

1шт.

10

01435-01020

BOLT

SN: 560004-UP

1шт.

11

04434-51310

CLIP

SN: 560004-UP

1шт.

12

01435-01055

BOLT

SN: 560004-UP

1шт.

13

01584-01008

NUT

SN: 560004-UP

1шт.

14

6741-81-9220

SENSOR,OIL LEVEL

SN: 560004-UP

1шт.

14

7861-91-4220

O-RING

SN: 560004-UP

1шт.

15

01435-00612

BOLT

SN: 560004-UP

3шт.

16

426-01-11310

BRACKET

SN: 560004-UP

1шт.

17

08193-20010

CLIP

SN: 560004-UP

1шт.

18

600-051-2050

CLIP

SN: 563181-UP

1шт.

18

6240-81-4431

CLIP

SN: 560004-563180

1шт.

19

01435-01020

BOLT

SN: 560004-UP

1шт.

20

01435-01030

BOLT

SN: 560004-UP

1шт.

21

01643-31032

WASHER

SN: 560004-UP

1шт.

22

6150-51-6350

STRAINER

SN: 560004-UP

1шт.

23

07000-73045

O-RING

SN: 560004-UP

1шт.

24

01010-81035

BOLT

SN: 560004-UP

1шт.

25

6150-81-9370

BOLT

SN: 560004-UP

1шт.

26

6150-51-6241

BRACKET

SN: 560004-UP

1шт.

27

01010-81020

BOLT

SN: 560004-UP

1шт.

28

01643-31032

WASHER

SN: 560004-UP

1шт.

29

01010-81025

BOLT

SN: 560004-UP

1шт.

30

01580-01008

NUT

SN: 560004-UP

1шт.

31

01643-31032

WASHER

SN: 560004-UP

2шт.

32

09920-00150

LIQUID GASKET,LG-7, 150G

SN: 560004-563936

-2шт.

Выбрано товаров: 35