Запчасти Komatsu SAA6D125E-5F ГЕНЕРАТОР И КРЕПЛЕНИЕ (A)(№8-) ДВИГАТЕЛЬ

Схема запчастей Komatsu SAA6D125E-5F - ГЕНЕРАТОР И КРЕПЛЕНИЕ (A)(№8-) ДВИГАТЕЛЬ
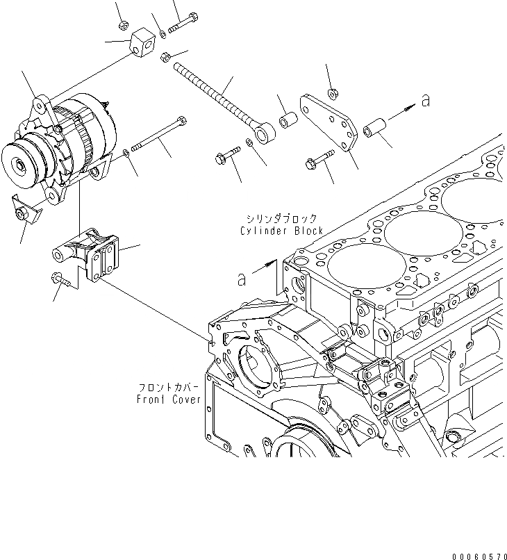
1
2
3
4
5
6
7
8
9
10
11
12
12
13
14
15
16
17
18
FIT
1:1
100%

Артикул

Название

Примечание

Количество

1

600-825-6150

ALTERNATOR A. (60A),(SEE FIG.A6010-B3X6)

SN: 562438-UP

1шт.

2

6128-21-6780

BOLT

SN: 562438-UP

1шт.

3

6156-81-6371

BRACKET

SN: 562438-UP

1шт.

4

01640-21323

WASHER

SN: 562438-UP

1шт.

5

6156-81-6480

BRACKET

SN: 562438-UP

1шт.

6

01435-01030

BOLT

SN: 562438-UP

4шт.

7

6150-82-8650

PLATE

SN: 562438-UP

1шт.

8

01435-01065

BOLT

SN: 562438-UP

2шт.

9

6206-11-4490

SPACER

SN: 562438-UP

2шт.

10

6150-82-8610

ROD,ADJUSTING

SN: 562438-UP

1шт.

11

6150-82-8690

PLATE

SN: 562438-UP

1шт.

12

01580-11411

NUT

SN: 562438-UP

2шт.

13

6215-81-6150

PIN,INNER

SN: 562438-UP

1шт.

14

01435-01255

BOLT

SN: 562438-UP

1шт.

15

01584-01210

NUT

SN: 562438-UP

1шт.

16

01643-31232

WASHER

SN: 562438-UP

1шт.

17

01050-51260

BOLT

SN: 562438-UP

1шт.

18

01643-31232

WASHER

SN: 562438-UP

1шт.

Выбрано товаров: 18