Запчасти Komatsu SAA6D125E-5F КРЕПЛЕНИЕ ТУРБОНАГНЕТАТЕЛЯ И СИСТЕМА СМАЗКИ МАСЛОПРОВОДЯЩАЯ ЛИНИЯ(№-) ДВИГАТЕЛЬ

Схема запчастей Komatsu SAA6D125E-5F - КРЕПЛЕНИЕ ТУРБОНАГНЕТАТЕЛЯ И СИСТЕМА СМАЗКИ МАСЛОПРОВОДЯЩАЯ ЛИНИЯ(№-) ДВИГАТЕЛЬ
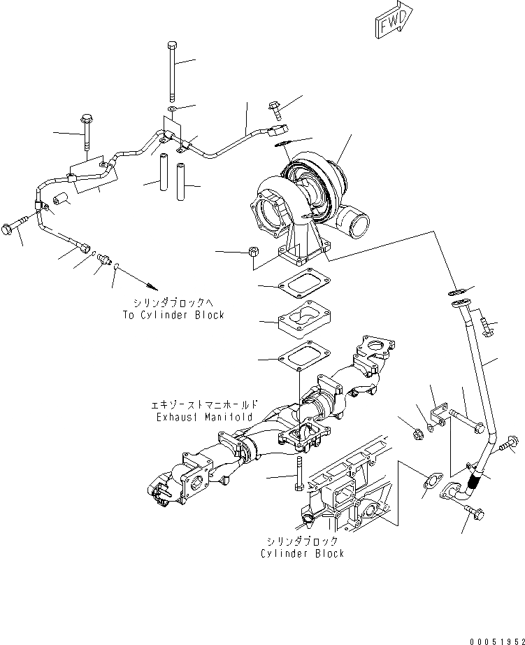
1
2
2
3
4
5
6
6
7
8
9
10
11
12
12
13
14
15
16
17
17
17
17
18
19
20
21
22
23
24
25
26
27
28
29
FIT
1:1
100%

Артикул

Название

Примечание

Количество

1

TURBOCHARGER ASS'Y,(SEE FIG.A1530-B3L1)

SN: 560004-UP

-1шт.

2

6251-11-5830

GASKET

SN: 560004-UP

2шт.

3

6156-11-5160

BOLT

SN: 560004-UP

2шт.

4

6114-11-5590

NUT

SN: 560004-UP

4шт.

5

6251-11-5180

PLATE

SN: 560004-UP

1шт.

6

6251-51-8230

TUBE,SUPPLY

SN: 560004-UP

1шт.

7

6221-51-8160

GASKET

SN: 560004-UP

1шт.

8

01435-00830

BOLT

SN: 560004-UP

2шт.

9

6251-51-9880

O-RING

SN: 560004-UP

1шт.

10

6251-51-9850

UNION

SN: 560004-UP

1шт.

11

6251-51-9890

O-RING

SN: 560004-UP

1шт.

12

6151-51-5490

SPACER

SN: 560004-UP

2шт.

13

01011-81095

BOLT

SN: 560004-UP

2шт.

14

01435-01085

BOLT

SN: 563204-UP

2шт.

|$18

01435-01080

BOLT

SN: 560004-563203

2шт.

15

6150-81-6920

SPACER

SN: 560004-UP

1шт.

16

01435-01065

BOLT

SN: 563204-UP

1шт.

|$21

01435-01060

BOLT

SN: 560004-563203

1шт.

17

600-051-6100

CLIP

SN: 560004-UP

5шт.

18

01643-31032

WASHER

SN: 560004-UP

5шт.

19

6251-51-8330

TUBE,RETURN

SN: 560004-UP

1шт.

20

6151-51-8151

GASKET

SN: 560004-UP

1шт.

21

01435-01025

BOLT

SN: 560004-UP

2шт.

22

6154-51-8310

GASKET

SN: 560004-UP

1шт.

23

01435-01025

BOLT

SN: 560004-UP

2шт.

24

6251-21-5480

BRACKET

SN: 560004-UP

1шт.

25

01435-01095

BOLT

SN: 560004-UP

1шт.

26

600-051-6190

CLIP

SN: 560004-UP

1шт.

27

01643-31032

WASHER

SN: 560004-UP

1шт.

28

01584-01008

NUT

SN: 560004-UP

1шт.

29

01435-01025

BOLT

SN: 560004-UP

1шт.

Выбрано товаров: 0