Запчасти Komatsu SAA6D125E-5F ТОПЛИВН. ВПРЫСК КОНТРОЛЛЕР КОМПОНЕНТЫ, (/) (№-) ТОПЛИВН. ВПРЫСК КОНТРОЛЛЕР КОМПОНЕНТЫ

Схема запчастей Komatsu SAA6D125E-5F - ТОПЛИВН. ВПРЫСК КОНТРОЛЛЕР КОМПОНЕНТЫ, (/) (№-) ТОПЛИВН. ВПРЫСК КОНТРОЛЛЕР КОМПОНЕНТЫ
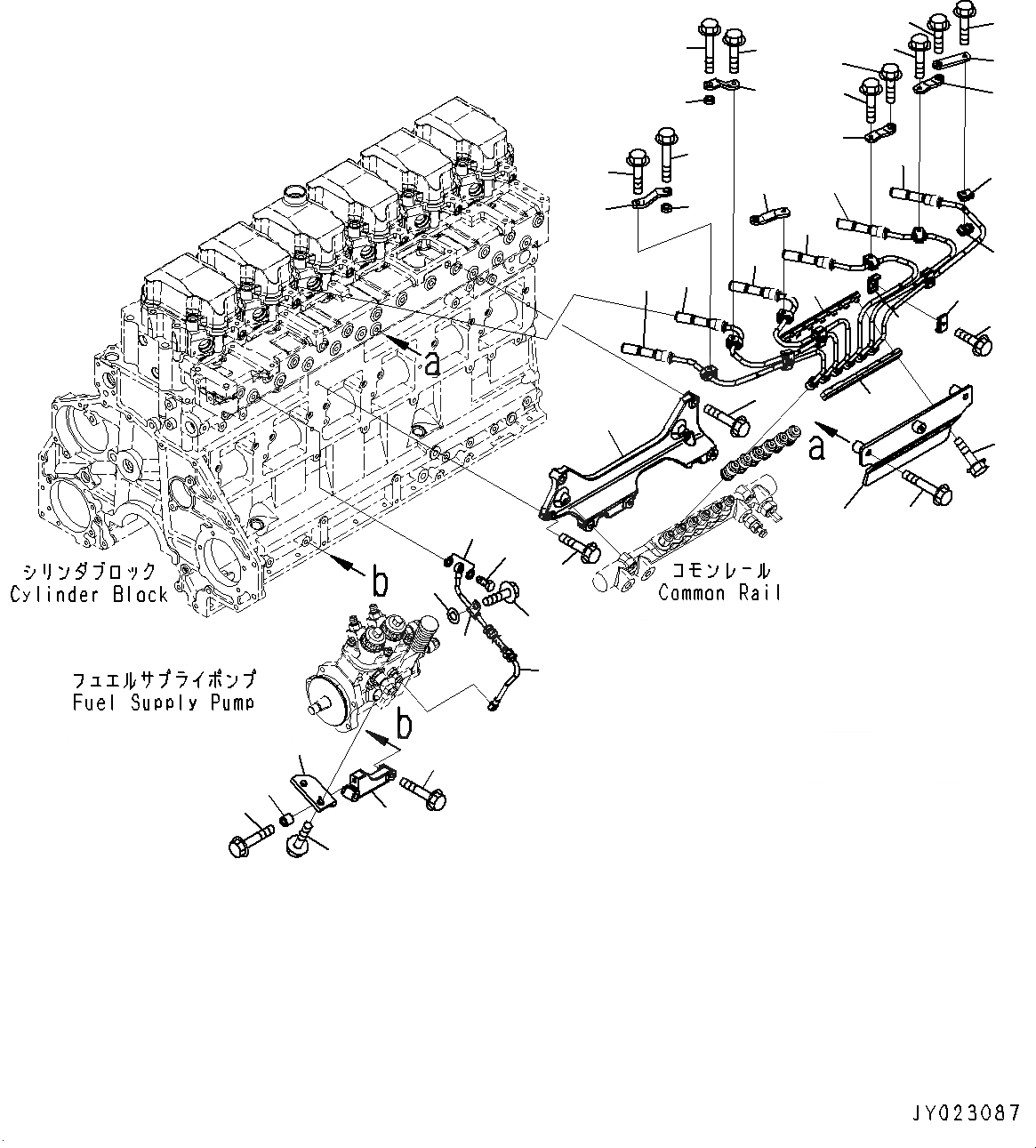
19
20
21
24
25
30
32
33
34
35
36
37
38
39
36
31
30
36
30
36
29
28
29
28
27
36
27
18
26
23
22
15
14
13
12
11
10
3
2
1
16
17
4
5
6
7
8
9
FIT
1:1
100%

Артикул

Название

Примечание

Количество

1

6251-21-6110

Bracket, Common Rail

SN: 560001-UP

1шт.

2

01435-01030

Bolt

SN: 560001-UP

2шт.

3

01435-01040

Bolt

SN: 560001-UP

1шт.

4

6156-21-6121

Bracket

SN: 560001-UP

1шт.

5

01435-01045

Bolt

SN: 560001-UP

2шт.

6

6251-21-6130

Bracket, Supply Pump

SN: 560001-UP

1шт.

7

6631-11-5630

Spacer

SN: 560001-UP

1шт.

8

01435-01040

Bolt

SN: 560001-UP

1шт.

9

01435-01220

Bolt

SN: 560001-UP

2шт.

10

6156-71-5611

Hose, Lubricator

SN: 560001-UP

1шт.

11

07206-30710

Bolt, Joint

SN: 560001-UP

1шт.

12

07005-01012

Seal, Washer

SN: 560001-UP

2шт.

13

600-051-6080

Clip

SN: 560001-UP

1шт.

14

01435-01020

Bolt

SN: 560001-UP

1шт.

15

01643-31032

Washer

SN: 560001-UP

1шт.

16

6251-71-5112

Tube, Fuel Supply, No.1

SN: 567351-UP

1шт.

16

6251-71-5111

Tube, Fuel Supply, No.1

SN: 560001-567350

1шт.

16

6251-71-5110

Tube, Fuel Supply, No.1

SN: 560001-564409

1шт.

17

6251-71-5122

Tube, Fuel Supply, No.2

SN: 567351-UP

1шт.

17

6251-71-5121

Tube, Fuel Supply, No2

SN: 560001-567350

1шт.

17

6251-71-5120

Tube, Fuel Supply, No.2

SN: 560001-564409

1шт.

18

6251-71-5132

Tube, Fuel Supply, No.3

SN: 567351-UP

1шт.

18

6251-71-5131

Tube, Fuel Supply, No.3

SN: 560001-567350

1шт.

18

6251-71-5130

Tube, Fuel Supply, No.3

SN: 560001-564409

1шт.

19

6251-71-5142

Tube, Fuel Supply, No.4

SN: 567351-UP

1шт.

19

6251-71-5141

Tube, Fuel Supply, No.4

SN: 560001-567350

1шт.

19

6251-71-5140

Tube, Fuel Supply, No.4

SN: 560001-564409

1шт.

20

6251-71-5152

Tube, Fuel Supply, No.5

SN: 567351-UP

1шт.

20

6251-71-5151

Tube, Fuel Supply, No.5

SN: 560001-567350

1шт.

20

6251-71-5150

Tube, Fuel Supply, No.5

SN: 560001-564409

1шт.

21

6251-71-5162

Tube, Fuel Supply, No.6

SN: 567351-UP

1шт.

21

6251-71-5161

Tube, Fuel Supply, No.6

SN: 560001-567350

1шт.

21

6251-71-5160

Tube, Fuel Supply, No.6

SN: 560001-564409

1шт.

22

6251-71-5240

Bracket

SN: 560001-UP

1шт.

23

01435-01050

Bolt

SN: 560001-UP

2шт.

24

6217-71-5261

Clamp

SN: 567174-UP

1шт.

24

6217-71-5260

Clamp, Half

SN: 560001-567173

1шт.

25

6217-71-5761

Clamp

SN: 567174-UP

1шт.

25

6217-71-5760

Clamp, Half

SN: 560001-567173

1шт.

26

01435-00635

Bolt

SN: 560001-UP

7шт.

27

6251-71-5210

Bracket

SN: 560001-UP

2шт.

28

6162-73-5940

Spacer

SN: 560001-UP

2шт.

29

01435-01050

Bolt

SN: 560001-UP

2шт.

30

6251-71-5230

Bracket

SN: 560001-UP

3шт.

31

01435-01020

Bolt

SN: 560001-UP

2шт.

32

6251-71-5220

Bracket

SN: 560001-UP

1шт.

33

01435-01025

Bolt

SN: 560001-UP

1шт.

34

6261-71-6660

Clamp, Half

SN: 560001-UP

6шт.

35

6261-71-6670

Clamp, Half

SN: 560001-UP

6шт.

36

01435-00630

Bolt

SN: 560001-UP

6шт.

37

6251-71-5840

Clamp, Half

SN: 560001-UP

4шт.

38

6251-71-5850

Clamp, Half

SN: 560001-UP

4шт.

39

01435-00625

Bolt

SN: 560001-UP

4шт.

Выбрано товаров: 53