Запчасти Komatsu SAA6D125E-5F ВЫПУСКН. GAS RE-CIRCULATION (EGR) КЛАПАН, (/) (№-) ВЫПУСКН. GAS RE-CIRCULATION (EGR) КЛАПАН

Схема запчастей Komatsu SAA6D125E-5F - ВЫПУСКН. GAS RE-CIRCULATION (EGR) КЛАПАН, (/) (№-) ВЫПУСКН. GAS RE-CIRCULATION (EGR) КЛАПАН
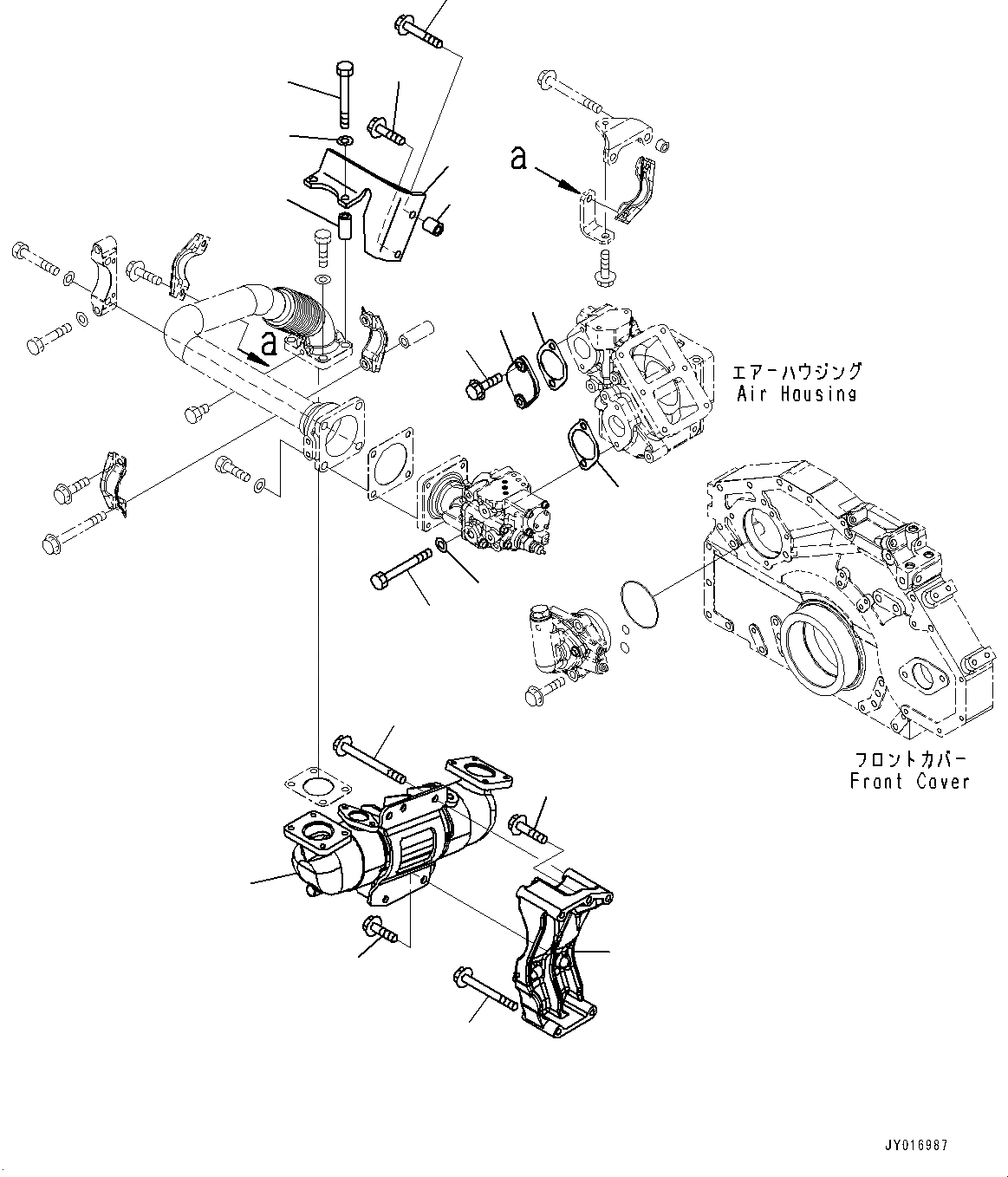
13
14
16
17
18
19
15
1
4
5
6
10
7
8
11
12
9
3
2
FIT
1:1
100%

Артикул

Название

Примечание

Количество

1

6166-61-6341

Gasket

SN: 560004-UP

1шт.

2

01011-E1005

Bolt

SN: 560004-UP

2шт.

3

01643-31032

Washer

SN: 560004-UP

2шт.

4

6251-11-4220

Cover

SN: 560004-UP

1шт.

5

6166-61-6341

Gasket

SN: 560004-UP

1шт.

6

01435-01025

Bolt

SN: 560004-UP

2шт.

7

6251-21-6610

Bracket

SN: 560004-UP

1шт.

8

01435-01090

Bolt

SN: 565776-UP

1шт.

8

01435-01090

Bolt

SN: 560004-565775

2шт.

9

01435-01035

Bolt

SN: 560004-UP

1шт.

10

6251-61-7100

Cooler Assembly, E GR

SN: 560004-UP

1шт.

11

01435-01020

Bolt

SN: 560004-UP

1шт.

12

01436-01020

Bolt

SN: 560004-UP

2шт.

13

6251-61-7150

Bracket

SN: 560004-UP

1шт.

14

6128-21-6730

Spacer

SN: 560004-UP

1шт.

15

01435-01050

Bolt

SN: 560004-UP

1шт.

16

01435-01025

Bolt

SN: 560004-UP

1шт.

17

6933-21-6330

Spacer

SN: 560004-UP

2шт.

18

01010-E1085

Bolt

SN: 560004-UP

2шт.

19

01643-31032

Washer

SN: 560004-UP

2шт.

Выбрано товаров: 20