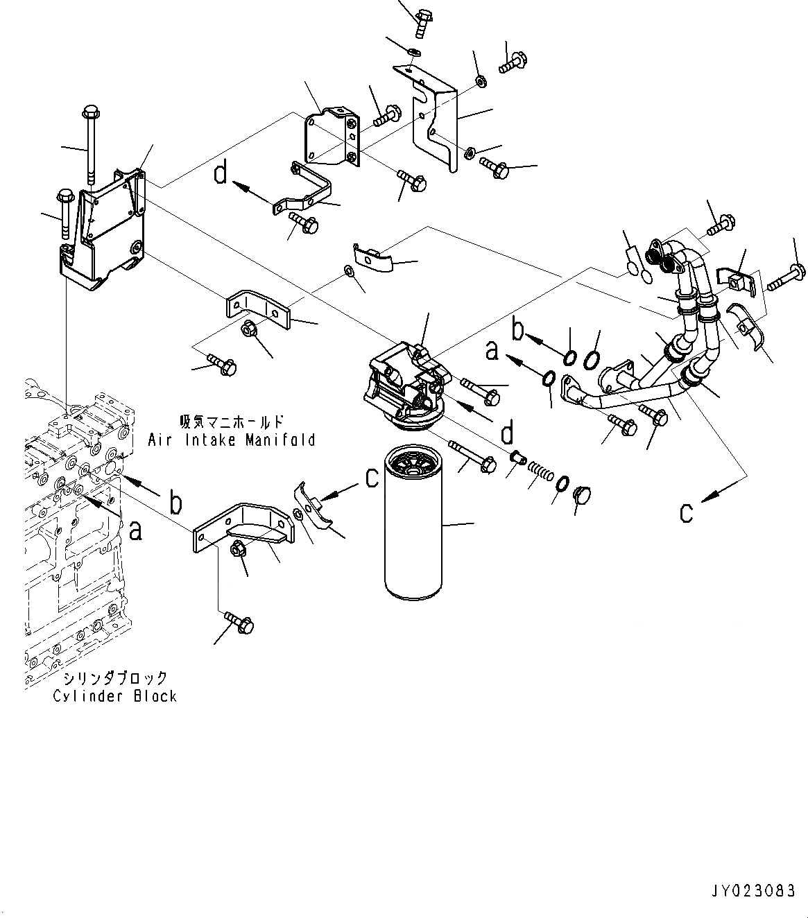
Запчасти Komatsu SAA6D125E-5F ДВИГАТЕЛЬ МАСЛ. ФИЛЬТР (№-) ДВИГАТЕЛЬ МАСЛ. ФИЛЬТР, ТРУБЫ

Схема запчастей Komatsu SAA6D125E-5F - ДВИГАТЕЛЬ МАСЛ. ФИЛЬТР (№-) ДВИГАТЕЛЬ МАСЛ. ФИЛЬТР, ТРУБЫ
25
34
29
35
32
6
3
2
4
5
8
7
22
26
28
32
33
32
31
31
20
31
23
22
1
24
30
32
35
34
27
25
21
31
9
11
10
12
19
18
19
18
17
19
18
14
16
13
15
FIT
1:1
100%

Артикул

Название

Примечание

Количество

|$0

6217-51-5103

Head Assembly, Oil Filter

SN: 566541-UP

1шт.

|$1

6217-51-5102

Head Assembly, Oil Filter

SN: 560004-566540

1шт.

1

6217-51-5112

Head

SN: 566541-UP

1шт.

1

6217-51-5111

Head

SN: 560004-566540

1шт.

2

600-211-1890

Spring

SN: 560004-UP

1шт.

3

6162-55-5230

Valve

SN: 560004-UP

1шт.

4

6162-53-5430

Packing

SN: 560004-UP

1шт.

5

6217-51-5660

Cap

SN: 560004-UP

1шт.

6

600-211-1340

Cartridge

SN: 560004-UP

1шт.

7

01435-01060

Bolt

SN: 560004-UP

2шт.

8

01436-01010

Bolt

SN: 560004-UP

1шт.

9

6251-51-5110

Bracket

SN: 560004-UP

1шт.

10

01435-01080

Bolt

SN: 560004-566605

2шт.

11

01436-01085

Bolt

SN: 560004-UP

2шт.

12

6251-51-5480

Bracket

SN: 560004-UP

1шт.

13

01435-01020

Bolt

SN: 560004-UP

2шт.

14

6251-51-5490

Bracket

SN: 560004-UP

1шт.

15

01435-01020

Bolt

SN: 560004-UP

1шт.

16

01436-01015

Bolt

SN: 560004-UP

1шт.

17

6251-51-5380

Cover

SN: 560004-UP

1шт.

18

01435-01025

Bolt

SN: 560004-UP

4шт.

19

6110-23-6490

Spacer

SN: 560004-UP

4шт.

20

6251-51-5650

Tube,Inlet

SN: 560004-UP

1шт.

21

6251-51-5660

Tube, Return

SN: 560004-UP

1шт.

22

6124-61-2181

Grommet

SN: 560004-UP

2шт.

23

6154-51-5810

Grommet

SN: 560004-UP

1шт.

24

07000-73025

O-ring

SN: 560004-UP

2шт.

25

01435-01025

Bolt

SN: 560004-UP

5шт.

26

01435-01025

Bolt

SN: 560004-UP

2шт.

27

6251-51-5170

Bracket

SN: 560004-UP

1шт.

28

01435-01025

Bolt

SN: 560004-UP

1шт.

29

6251-51-5150

Bracket

SN: 560004-UP

1шт.

30

01435-01025

Bolt

SN: 560004-UP

2шт.

31

6251-51-5180

Cushion

SN: 560004-UP

4шт.

32

07094-30518

Clamp

SN: 560004-UP

4шт.

33

01435-01275

Bolt

SN: 560004-UP

2шт.

34

01584-01210

Nut

SN: 560004-UP

2шт.

35

01643-31232

Washer

SN: 560004-UP

2шт.

Выбрано товаров: 38