Запчасти Komatsu SAA6D125E-5G-02 ТЕРМОЗАЩИТА(№8-) ДВИГАТЕЛЬ

Схема запчастей Komatsu SAA6D125E-5G-02 - ТЕРМОЗАЩИТА(№8-) ДВИГАТЕЛЬ
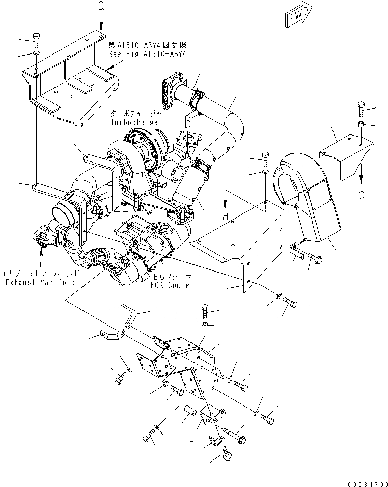
1
2
3
4
5
6
7
8
9
9
10
10
11
11
11
11
11
12
13
14
15
16
17
18
19
20
21
22
23
24
25
26
27
27
27
28
28
28
FIT
1:1
100%

Артикул

Название

Примечание

Количество

1

6251-11-6110

COVER

SN: 562853-UP

1шт.

2

6251-11-6380

BRACKET

SN: 562853-UP

1шт.

3

6152-51-5520

SPACER

SN: 562853-UP

2шт.

4

01435-01075

BOLT

SN: 562853-UP

2шт.

5

6934-71-5860

BRACKET

SN: 562853-UP

1шт.

6

01435-01025

BOLT

SN: 562853-UP

1шт.

7

6251-11-6480

BRACKET

SN: 562853-UP

1шт.

8

01010-E1025

BOLT

SN: 562853-UP

1шт.

9

01010-E1025

BOLT

SN: 562853-UP

2шт.

10

01010-E1030

BOLT

SN: 562853-UP

4шт.

11

01643-31032

WASHER

SN: 562853-UP

7шт.

12

6251-11-6570

BRACKET

SN: 562853-UP

1шт.

13

01010-E1025

BOLT

SN: 562853-UP

1шт.

14

01643-31032

WASHER

SN: 562853-UP

1шт.

15

6251-11-6611

COVER

SN: 562853-UP

1шт.

16

6251-11-6620

COVER

SN: 562853-UP

1шт.

17

6251-11-6640

COVER

SN: 562853-UP

1шт.

18

6251-11-4710

BRACKET

SN: 562853-UP

1шт.

19

6631-11-5630

SPACER

SN: 562853-UP

3шт.

20

01010-E1035

BOLT

SN: 562853-UP

3шт.

21

6251-11-5450

COVER,TURBOCHARGER

SN: 562853-UP

1шт.

22

6251-11-5420

BRACKET

SN: 562853-UP

1шт.

23

01435-01020

BOLT

SN: 562853-UP

1шт.

24

6251-11-5640

COVER

SN: 562853-UP

1шт.

25

6251-11-5620

BRACKET

SN: 562853-UP

1шт.

26

6251-11-5630

BRACKET

SN: 562853-UP

1шт.

27

6110-23-6490

SPACER

SN: 562853-UP

12шт.

28

01010-E1030

BOLT

SN: 562853-UP

12шт.

Выбрано товаров: 28