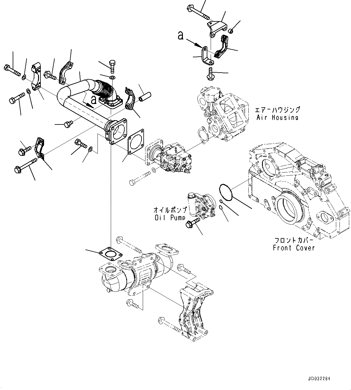
Запчасти Komatsu SAA6D125E-5G ВЫПУСКН. GAS RE-CIRCULATION (EGR) КЛАПАН, EGR КЛАПАН И ОХЛАДИТЕЛЬ КРЕПЛЕНИЕ (/) (№79-) ВЫПУСКН. GAS RE-CIRCULATION (EGR) КЛАПАН

Схема запчастей Komatsu SAA6D125E-5G - ВЫПУСКН. GAS RE-CIRCULATION (EGR) КЛАПАН, EGR КЛАПАН И ОХЛАДИТЕЛЬ КРЕПЛЕНИЕ (/) (№79-) ВЫПУСКН. GAS RE-CIRCULATION (EGR) КЛАПАН
8
9
10
7
5
3
6
4
2
1
14
12
13
15
11
4
3
2
1
12
13
5
7
8
9
10
11
13
14
22
23
24
25
26
27
28
29
15
21
20
19
18
17
16
6
FIT
1:1
100%

Артикул

Название

Примечание

Количество

1

07000-72085

O-ring

SN: 5329-UP

1шт.

2

07000-72012

O-ring

SN: 5329-UP

1шт.

3

07000-72015

O-ring

SN: 5329-UP

1шт.

4

01435-01035

Bolt

SN: 5329-UP

3шт.

5

6251-11-9320

Tube

SN: 5329-UP

1шт.

6

6261-11-9520

Gasket

SN: 5329-UP

1шт.

7

01010-E1030

Bolt

SN: 5329-UP

2шт.

8

01643-31032

Washer

SN: 5329-UP

2шт.

9

6207-11-5390

Gasket

SN: 5329-UP

1шт.

10

6251-11-9150

Plate

SN: 5329-UP

1шт.

11

01010-E1030

Bolt

SN: 5329-UP

2шт.

12

01010-E1060

Bolt

SN: 5329-UP

2шт.

13

01643-31032

Washer

SN: 5329-UP

4шт.

14

01010-81050

Bolt

SN: 5329-UP

2шт.

15

01643-31032

Washer

SN: 5329-UP

2шт.

16

6251-11-9210

Bracket

SN: 567239-UP

1шт.

17

6131-12-5920

Spacer

SN: 567239-UP

2шт.

18

01435-01090

Bolt

SN: 567239-UP

2шт.

19

6251-11-9220

Bracket

SN: 567239-UP

1шт.

20

01435-01020

Bolt

SN: 567239-UP

1шт.

21

6251-11-9130

Clamp, Half

SN: 567239-UP

1шт.

22

6251-11-9170

Clamp, Half

SN: 567239-UP

1шт.

23

01435-01025

Bolt

SN: 567239-UP

2шт.

24

6251-11-9180

Clamp, Half

SN: 567239-UP

1шт.

25

6251-11-9170

Clamp, Half

SN: 567239-UP

1шт.

26

01435-01025

Bolt

SN: 567239-UP

1шт.

27

6112-23-6971

Spacer

SN: 567239-UP

1шт.

28

01435-01085

Bolt

SN: 567239-UP

1шт.

29

6215-11-5920

Plug

SN: 567239-UP

1шт.

Выбрано товаров: 29