Запчасти Komatsu SAA6D125E-5G КАРТЕР МАХОВИКА (№79-) КАРТЕР МАХОВИКА

Схема запчастей Komatsu SAA6D125E-5G - КАРТЕР МАХОВИКА (№79-) КАРТЕР МАХОВИКА
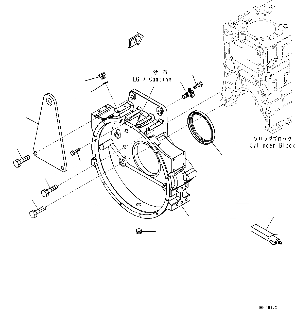
10
1
11
12
7
6
2
9
3
4
8
5
13
FIT
1:1
100%

Артикул

Название

Примечание

Количество

1

6251-21-4170

Housing, Flywheel

SN: 567239-UP

1шт.

2

07043-70617

Plug

SN: 567239-UP

1шт.

3

01010-61650

Bolt

SN: 567239-UP

6шт.

4

01010-61660

Bolt

SN: 567239-UP

2шт.

5

01010-81050

Bolt

SN: 567239-UP

2шт.

6

6151-21-4161

Seal, Rear

SN: 567239-UP

1шт.

7

6156-21-3920

Plate

SN: 567239-UP

1шт.

8

01010-61665

Bolt

SN: 567239-UP

2шт.

9

6261-81-2902

Sensor Assembly, Revolution

SN: 567239-UP

1шт.

10

01435-00820

Bolt

SN: 567239-UP

1шт.

11

6114-11-8910

Plug

SN: 567239-UP

1шт.

12

07005-02216

Seal, Washer

SN: 567239-UP

1шт.

13

09920-00150

Liquid gasket, LG-7, 150G

SN: 567239-UP

-2шт.

Выбрано товаров: 13