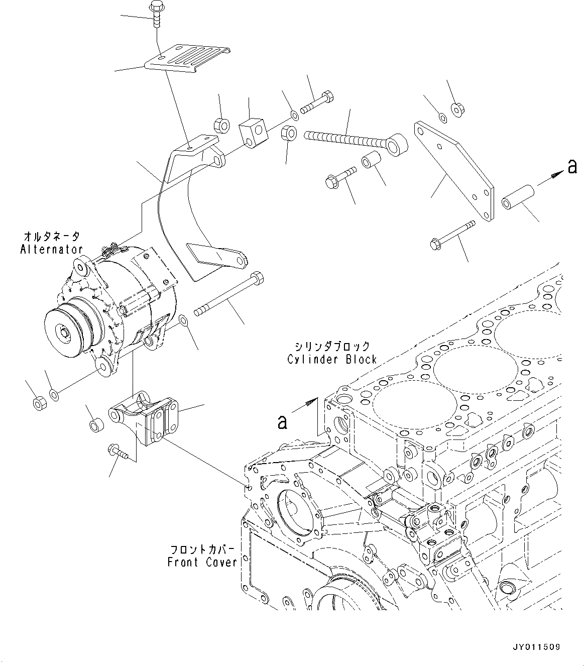
Запчасти Komatsu SAA6D125E-5J ГЕНЕРАТОР, КРЕПЛЕНИЕ (№9-) ГЕНЕРАТОР, AMP.

Схема запчастей Komatsu SAA6D125E-5J - ГЕНЕРАТОР, КРЕПЛЕНИЕ (№9-) ГЕНЕРАТОР, AMP.
7
3
1
14
6
2
9
8
4
3
10
12
15
5
11
12
13
16
19
18
17
20
21
FIT
1:1
100%

Артикул

Название

Примечание

Количество

1

6128-21-6780

Bolt

SN: 566329-UP

1шт.

2

02205-10812

Nut

SN: 566329-UP

1шт.

3

01640-21323

Washer

SN: 566329-UP

2шт.

4

6251-81-6490

Bracket

SN: 566329-UP

1шт.

5

01435-01030

Bolt

SN: 566329-UP

4шт.

6

6151-51-8490

Spacer

SN: 566329-UP

1шт.

7

6251-81-6530

Plate

SN: 566329-UP

1шт.

8

01435-01085

Bolt

SN: 566329-UP

2шт.

9

6112-23-6971

Spacer

SN: 566329-UP

2шт.

10

6150-82-8610

Rod, Adjusting

SN: 566329-UP

1шт.

11

6150-82-8690

Plate

SN: 566329-UP

1шт.

12

01580-11411

Nut

SN: 566329-UP

2шт.

13

6215-81-6150

Pin

SN: 566329-UP

1шт.

14

01435-01255

Bolt

SN: 566329-UP

1шт.

15

01584-01210

Nut

SN: 566329-UP

1шт.

16

01643-31232

Washer

SN: 566329-UP

1шт.

17

01050-51260

Bolt

SN: 566329-UP

1шт.

18

01643-31232

Washer

SN: 566329-UP

1шт.

19

6251-81-6550

Cover, Safety

SN: 566329-UP

1шт.

20

6251-81-6560

Cover, Safety

SN: 566329-UP

1шт.

21

01435-01016

Bolt

SN: 566329-UP

2шт.

Выбрано товаров: 21