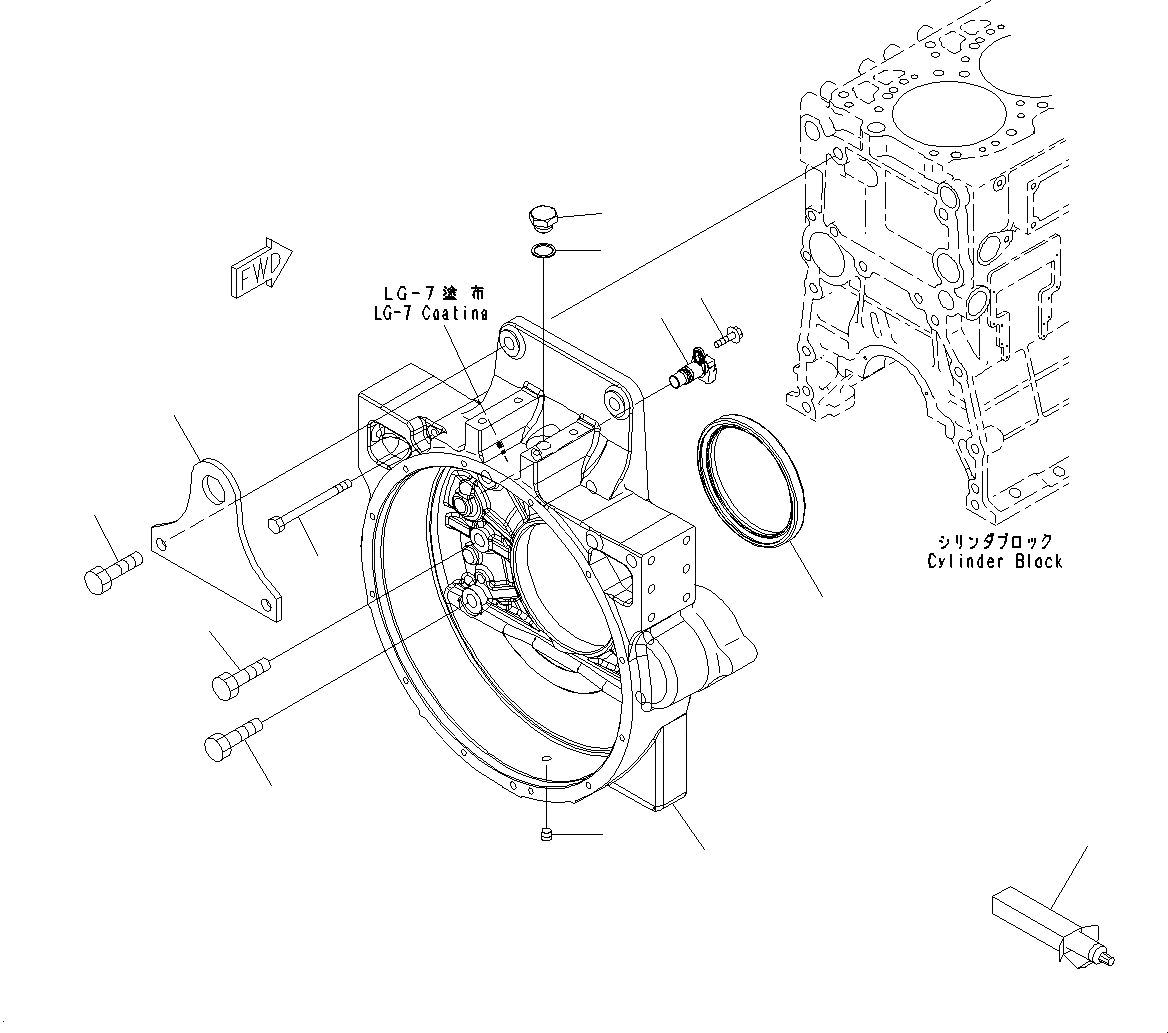
Запчасти Komatsu SAA6D125E-5J КАРТЕР МАХОВИКА, (№9-77) КАРТЕР МАХОВИКА

Схема запчастей Komatsu SAA6D125E-5J - КАРТЕР МАХОВИКА, (№9-77) КАРТЕР МАХОВИКА
2
1
6
3
4
5
13
8
10
9
12
11
7
FIT
1:1
100%

Артикул

Название

Примечание

Количество

1

6251-21-4141

Housing, Flywheel

SN: 566329-@

1шт.

2

07043-70211

Plug

SN: 566329-@

1шт.

3

01010-61650

Bolt

SN: 566329-@

6шт.

4

01010-61660

Bolt

SN: 566329-@

2шт.

5

01011-81030

Bolt

SN: 566329-@

1шт.

6

6151-21-4150

Seal

SN: 566329-@

1шт.

7

6150-21-3921

Plate, Hanger

SN: 566329-@

1шт.

8

01010-61660

Bolt

SN: 566329-@

2шт.

9

6261-81-2902

Sensor Assembly

SN: 567018-@

1шт.

9

6261-81-2901

Sensor Assembly, Speed

SN: 566329-567017

1шт.

9

Sensor

SN: 566329-@

1шт.

9

6271-81-9220

O-ring

SN: 566329-@

1шт.

10

01435-00820

Bolt

SN: 566329-567017

1шт.

11

6114-11-8910

Plug

SN: 566329-@

1шт.

12

07005-02216

Seal, Washer

SN: 566329-@

1шт.

13

09920-00150

Liquid gasket, LG-7, 150G

SN: 566329-@

-2шт.

Выбрано товаров: 16