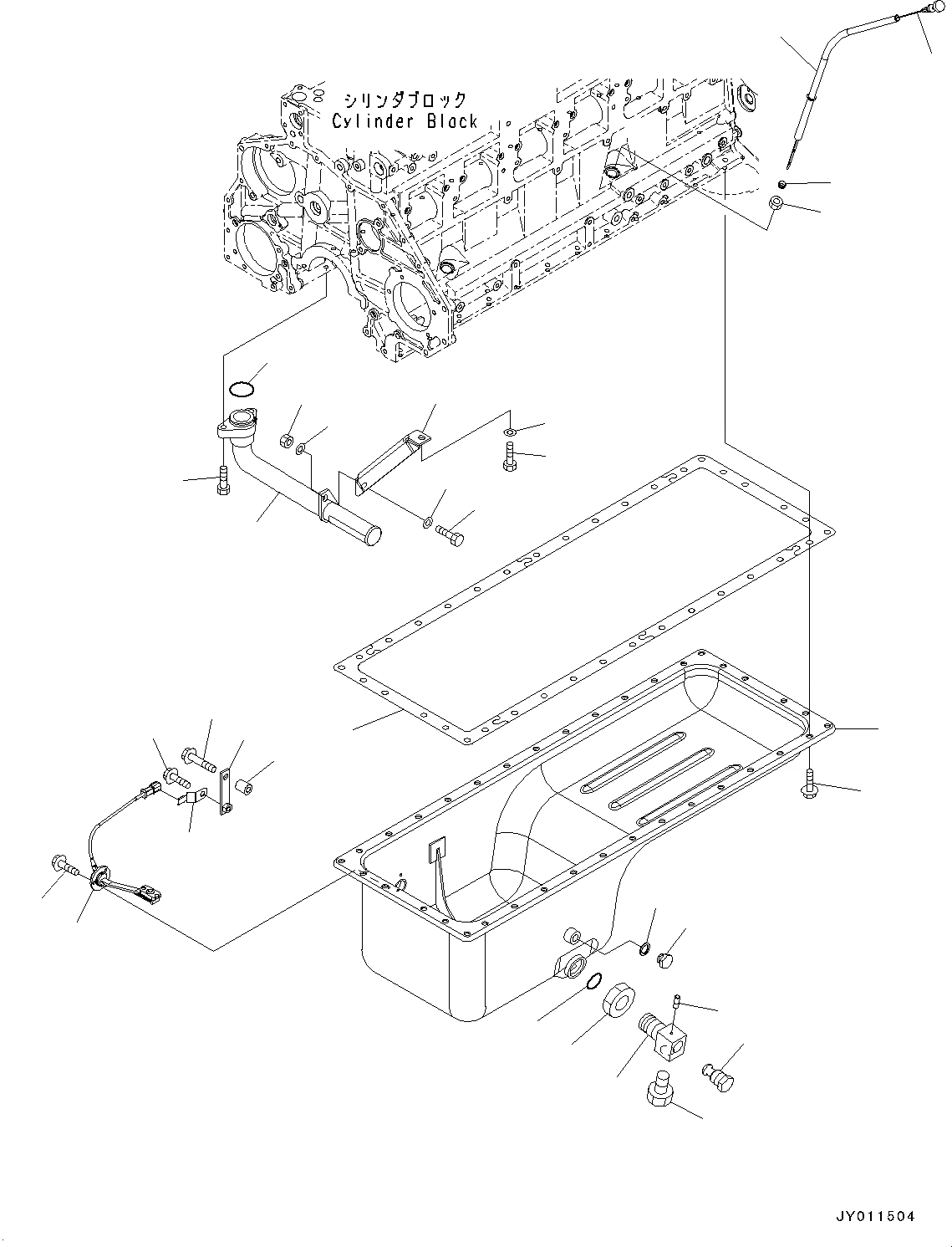
Запчасти Komatsu SAA6D125E-5J ПОДДОН ДВИГ-ЛЯ (№9-) ПОДДОН ДВИГ-ЛЯ

Схема запчастей Komatsu SAA6D125E-5J - ПОДДОН ДВИГ-ЛЯ (№9-) ПОДДОН ДВИГ-ЛЯ
6
22
21
1
3
4
8
9
7
5
12
13
10
11
26
31
32
30
29
28
27
25
23
24
2
20
16
17
15
14
19
18
FIT
1:1
100%

Артикул

Название

Примечание

Количество

1

6150-21-5550

Pan, Oil

SN: 566329-UP

1шт.

2

6150-21-5813

Gasket

SN: 566329-UP

1шт.

3

01435-01025

Bolt

SN: 566329-UP

36шт.

|$3

6156-21-5600

Valve Assembly

SN: 566329-UP

1шт.

4

6156-21-5610

Body, Valve

SN: 566329-UP

1шт.

5

6693-22-5620

Valve

SN: 566329-UP

1шт.

6

07040-02412

Plug

SN: 566329-UP

1шт.

7

6156-21-5620

Pin

SN: 566329-UP

1шт.

8

01583-13621

Nut

SN: 566329-UP

1шт.

9

07002-23634

O-ring

SN: 566329-UP

1шт.

10

6251-21-5340

Gauge, Oil Level

SN: 566329-UP

1шт.

11

6251-21-5420

Guide, Oil Gauge

SN: 566329-UP

1шт.

12

6150-21-5920

Collar

SN: 566329-UP

1шт.

13

6150-21-5930

Nut

SN: 566329-UP

1шт.

14

6741-81-9220

Sensor

SN: 566329-UP

1шт.

14

7861-91-4220

O-ring

SN: 566329-UP

1шт.

15

01435-00612

Bolt

SN: 566329-UP

3шт.

16

421-62-11940

Plate

SN: 566329-UP

1шт.

17

01435-01045

Bolt

SN: 566329-UP

1шт.

18

144-874-7470

Boss

SN: 566329-UP

1шт.

19

08193-20010

Clip

SN: 566329-UP

1шт.

20

01435-01016

Bolt

SN: 566329-UP

1шт.

21

6672-12-6290

Bolt

SN: 566329-UP

1шт.

22

07005-01612

Seal, Washer

SN: 566329-UP

1шт.

23

6150-51-6330

Strainer

SN: 566329-UP

1шт.

24

07000-73045

O-ring

SN: 566329-UP

1шт.

25

01010-81035

Bolt

SN: 566329-UP

2шт.

26

6150-51-6340

Bracket

SN: 566329-UP

1шт.

27

01010-81020

Bolt

SN: 566329-UP

1шт.

28

01643-31032

Washer

SN: 566329-UP

1шт.

29

01010-81030

Bolt

SN: 566329-UP

1шт.

30

01643-31032

Washer

SN: 566329-UP

1шт.

31

01580-01008

Nut

SN: 566329-UP

1шт.

32

01643-31032

Washer

SN: 566329-UP

1шт.

Выбрано товаров: 34