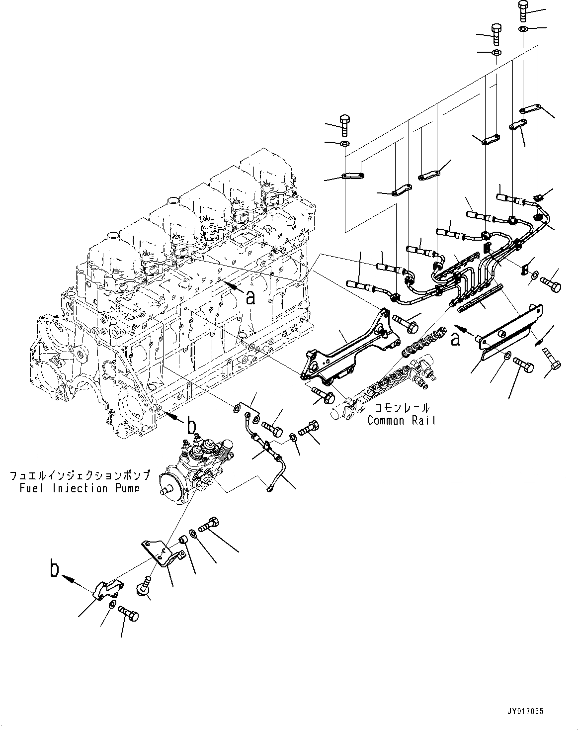
Запчасти Komatsu SAA6D125E-6A ТОПЛИВН. КРЕПЛЕНИЕ И ТРУБКИ СИСТЕМЫ ПОДАЧИ ТОПЛИВА, ТРУБЫ И КОРПУС ТОПЛИВН. КРЕПЛЕНИЕ И ТРУБКИ СИСТЕМЫ ПОДАЧИ ТОПЛИВА

Схема запчастей Komatsu SAA6D125E-6A - ТОПЛИВН. КРЕПЛЕНИЕ И ТРУБКИ СИСТЕМЫ ПОДАЧИ ТОПЛИВА, ТРУБЫ И КОРПУС ТОПЛИВН. КРЕПЛЕНИЕ И ТРУБКИ СИСТЕМЫ ПОДАЧИ ТОПЛИВА
9
11
4
6
7
8
10
5
18
19
21
22
23
27
28
37
38
41
42
43
20
29
24
25
26
30
39
40
31
32
33
34
35
36
44
31
31
31
31
14
13
12
15
16
17
3
2
1
FIT
1:1
100%

Артикул

Название

Примечание

Количество

1

6251-21-6110

Bracket

SN: 760002-UP

1шт.

2

01435-01030

Bolt

SN: 760002-UP

2шт.

3

01435-01040

Bolt

SN: 760002-UP

1шт.

4

6252-21-6160

Bracket

SN: 760002-UP

1шт.

5

01010-81050

Bolt

SN: 760002-UP

2шт.

6

01643-31032

Washer

SN: 760002-UP

2шт.

7

6252-21-6150

Bracket

SN: 760002-UP

1шт.

8

6144-85-6550

Spacer

SN: 760002-UP

1шт.

9

01010-81250

Bolt

SN: 760002-UP

1шт.

10

01643-31232

Washer

SN: 760002-UP

1шт.

11

01435-01220

Bolt

SN: 760002-UP

2шт.

12

6252-71-5470

Hose

SN: 760002-UP

1шт.

13

07206-30710

Bolt, Joint

SN: 760002-UP

1шт.

14

07005-01012

Seal, Washer

SN: 760002-UP

2шт.

15

600-052-3120

Clip

SN: 760002-UP

1шт.

16

01010-81020

Bolt

SN: 760002-UP

1шт.

17

01643-31032

Washer

SN: 760002-UP

1шт.

18

6252-71-5110

Tube

SN: 760002-UP

1шт.

19

6252-71-5120

Tube

SN: 760002-UP

1шт.

20

6252-71-5130

Tube

SN: 760002-UP

1шт.

21

6252-71-5140

Tube

SN: 760002-UP

1шт.

22

6252-71-5150

Tube

SN: 760002-UP

1шт.

23

6252-71-5160

Tube

SN: 760002-UP

1шт.

24

6252-71-5810

Bracket

SN: 760002-UP

1шт.

25

01010-81055

Bolt

SN: 760002-UP

2шт.

26

01643-31032

Washer

SN: 760002-UP

2шт.

27

6217-71-5261

Clamp

SN: 760002-UP

1шт.

28

6217-71-5761

Clamp

SN: 760002-UP

1шт.

29

01010-80640

Bolt

SN: 760002-UP

7шт.

30

01643-30623

Washer

SN: 760002-UP

7шт.

31

6251-71-5230

Bracket

SN: 760002-UP

5шт.

32

01010-81025

Bolt

SN: 760002-UP

4шт.

33

01643-31032

Washer

SN: 760002-UP

4шт.

34

6251-71-5220

Bracket

SN: 760002-UP

1шт.

35

01010-81030

Bolt

SN: 760002-UP

1шт.

36

01643-31032

Washer

SN: 760002-UP

1шт.

37

6261-71-6660

Clamp

SN: 760002-UP

6шт.

38

6261-71-6670

Clamp

SN: 760002-UP

6шт.

39

01010-80630

Bolt

SN: 760002-UP

6шт.

40

01643-30623

Washer

SN: 760002-UP

6шт.

41

6251-71-5840

Clamp

SN: 760002-UP

4шт.

42

6251-71-5850

Clamp

SN: 760002-UP

4шт.

43

01010-80625

Bolt

SN: 760002-UP

4шт.

44

01643-30623

Washer

SN: 760002-UP

4шт.

Выбрано товаров: 44