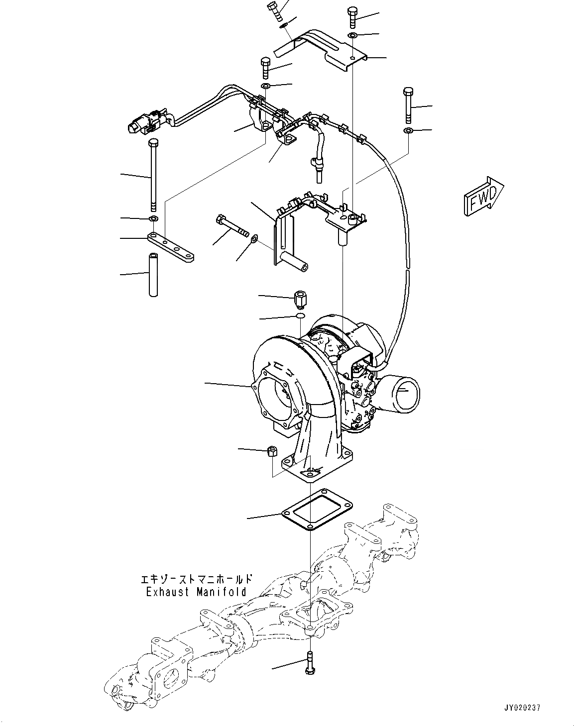
Запчасти Komatsu SAA6D125E-6A KOMATSU РЕГУЛИР. GEOMETRY ТУРБОНАГНЕТАТЕЛЬ (KVGT), КРЕПЛЕНИЕ (№7-) KOMATSU РЕГУЛИР. GEOMETRY ТУРБОНАГНЕТАТЕЛЬ (KVGT)

Схема запчастей Komatsu SAA6D125E-6A - KOMATSU РЕГУЛИР. GEOMETRY ТУРБОНАГНЕТАТЕЛЬ (KVGT), КРЕПЛЕНИЕ (№7-) KOMATSU РЕГУЛИР. GEOMETRY ТУРБОНАГНЕТАТЕЛЬ (KVGT)
17
6
5
10
4
9
7
8
12
13
15
16
8
9
11
12
11
14
17
19
18
2
3
1
FIT
1:1
100%

Артикул

Название

Примечание

Количество

1

6507-11-5010

Turbocharger

SN: 760002-UP

1шт.

2

6218-11-5830

Gasket

SN: 760002-UP

1шт.

3

6252-11-5540

Bolt

SN: 760002-UP

2шт.

4

6114-11-5590

Nut

SN: 760002-UP

4шт.

5

6162-73-4670

Nipple

SN: 760002-UP

1шт.

6

6252-61-6270

O-ring

SN: 760002-UP

1шт.

7

6252-81-8100

Bracket

SN: 760002-UP

1шт.

8

01010-80880

Bolt

SN: 760002-UP

2шт.

9

01643-30823

Washer

SN: 760002-UP

2шт.

10

6252-81-8120

Cover

SN: 760002-UP

1шт.

11

01010-80830

Bolt

SN: 760002-UP

2шт.

12

01643-30823

Washer

SN: 760002-UP

2шт.

13

6252-81-9540

Plate

SN: 760002-UP

1шт.

14

6217-11-9841

Spacer

SN: 760002-UP

2шт.

15

01011-81085

Bolt

SN: 760002-UP

2шт.

16

01643-31032

Washer

SN: 760002-UP

2шт.

17

6252-81-9300

Bracket Assembly

SN: 760002-UP

2шт.

18

01010-81025

Bolt

SN: 760002-UP

2шт.

19

01643-31032

Washer

SN: 760002-UP

2шт.

Выбрано товаров: 0