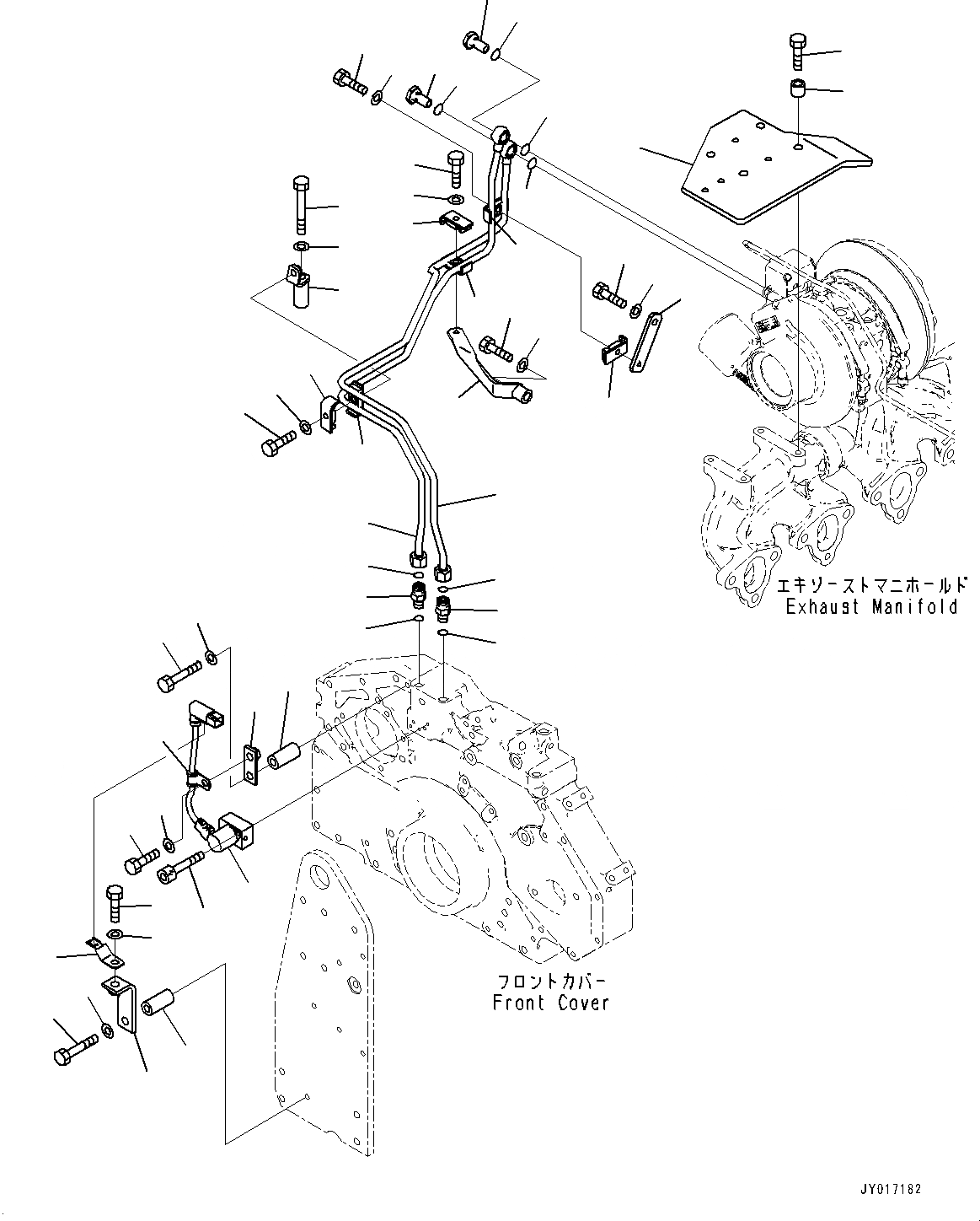
Запчасти Komatsu SAA6D125E-6A KOMATSU РЕГУЛИР. GEOMETRY ТУРБОНАГНЕТАТЕЛЬ (KVGT), EPC ТРУБЫ (№7-) KOMATSU РЕГУЛИР. GEOMETRY ТУРБОНАГНЕТАТЕЛЬ (KVGT)

Схема запчастей Komatsu SAA6D125E-6A - KOMATSU РЕГУЛИР. GEOMETRY ТУРБОНАГНЕТАТЕЛЬ (KVGT), EPC ТРУБЫ (№7-) KOMATSU РЕГУЛИР. GEOMETRY ТУРБОНАГНЕТАТЕЛЬ (KVGT)
1
5
9
12
13
3
6
15
22
11
16
19
2
4
5
7
8
10
11
14
17
18
21
20
23
24
22
22
22
24
23
22
22
24
23
41
42
43
25
26
27
28
30
29
31
32
33
34
35
36
37
38
39
40
FIT
1:1
100%

Артикул

Название

Примечание

Количество

1

02781-0031D

Nipple

SN: 760002-UP

1шт.

2

07002-21423

O-ring

SN: 760002-UP

1шт.

3

6252-51-8130

Tube

SN: 760002-UP

1шт.

4

02896-21009

O-ring

SN: 760002-UP

1шт.

5

02896-21015

O-ring

SN: 760002-UP

2шт.

6

6252-51-8171

Plug

SN: 760002-UP

1шт.

6

6252-51-8170

Plug

SN: 760002-760239

1шт.

7

02781-0031D

Nipple

SN: 760002-UP

1шт.

8

07002-21423

O-ring

SN: 760002-UP

1шт.

9

6252-51-8140

Tube

SN: 760002-UP

1шт.

10

02896-21009

O-ring

SN: 760002-UP

1шт.

11

02896-21015

O-ring

SN: 760002-UP

2шт.

12

6252-51-8171

Plug

SN: 760002-UP

1шт.

12

6252-51-8170

Plug

SN: 760002-760239

1шт.

13

6252-51-8240

Bracket

SN: 760002-UP

1шт.

14

01010-81080

Bolt

SN: 760002-UP

1шт.

15

01643-31032

Washer

SN: 760002-UP

1шт.

16

6252-51-8250

Bracket

SN: 760002-UP

1шт.

17

01010-81045

Bolt

SN: 760002-UP

1шт.

18

01643-31032

Washer

SN: 760002-UP

1шт.

19

6252-81-8140

Plate

SN: 760002-UP

1шт.

20

01010-80820

Bolt

SN: 760002-UP

1шт.

21

01643-30823

Washer

SN: 760002-UP

1шт.

22

6166-75-6821

Clamp, half

SN: 760002-UP

6шт.

23

01010-80835

Bolt

SN: 760002-UP

3шт.

24

01643-30823

Washer

SN: 760002-UP

3шт.

25

702-21-61200

Valve, Pilot

SN: 760002-UP

1шт.

26

01252-60635

Bolt, Hexagon Socket Head

SN: 760002-UP

2шт.

27

6202-11-5920

Bracket

SN: 760002-UP

1шт.

28

6152-21-6590

Spacer

SN: 760002-UP

1шт.

29

01010-81070

Bolt

SN: 760002-UP

1шт.

30

01643-31032

Washer

SN: 760002-UP

1шт.

31

08193-20010

Clip

SN: 760002-UP

1шт.

32

01010-81025

Bolt

SN: 760002-UP

1шт.

33

01643-31032

Washer

SN: 760002-UP

1шт.

34

6212-85-2440

Bracket

SN: 760002-UP

1шт.

35

6152-21-6590

Spacer

SN: 760002-UP

1шт.

36

01010-81070

Bolt

SN: 760002-UP

1шт.

37

01643-31032

Washer

SN: 760002-UP

1шт.

38

600-052-3080

Clip

SN: 760002-UP

1шт.

39

01010-81025

Bolt

SN: 760002-UP

1шт.

40

01643-31032

Washer

SN: 760002-UP

1шт.

41

6252-21-6130

Plate

SN: 760002-UP

1шт.

42

6631-11-5630

Spacer

SN: 760002-UP

2шт.

43

01010-E1040

Bolt

SN: 760002-UP

2шт.

Выбрано товаров: 45