Запчасти Komatsu SAA6D125E-6A ВЫПУСКН. GAS RE-CIRCULATION (EGR) КЛАПАН, EGR ТРУБЫ И ОХЛАДИТЕЛЬ (№7-) ВЫПУСКН. GAS RE-CIRCULATION (EGR) КЛАПАН

Схема запчастей Komatsu SAA6D125E-6A - ВЫПУСКН. GAS RE-CIRCULATION (EGR) КЛАПАН, EGR ТРУБЫ И ОХЛАДИТЕЛЬ (№7-) ВЫПУСКН. GAS RE-CIRCULATION (EGR) КЛАПАН
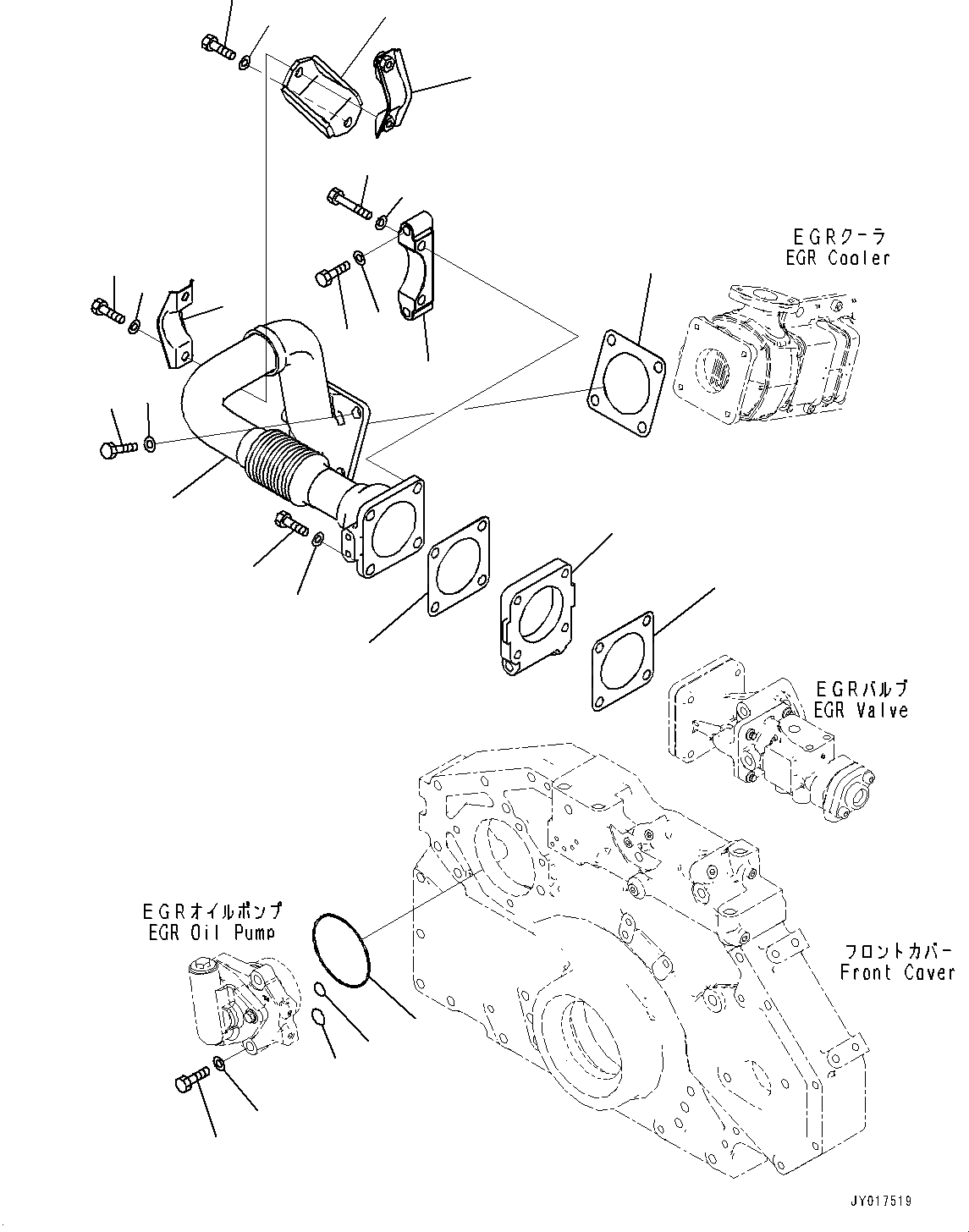
4
20
6
11
8
9
3
2
1
5
7
12
15
13
15
14
16
17
18
22
21
23
24
19
10
11
FIT
1:1
100%

Артикул

Название

Примечание

Количество

1

07000-72085

O-ring

SN: 760002-UP

1шт.

2

07000-72012

O-ring

SN: 760002-UP

1шт.

3

07000-72015

O-ring

SN: 760002-UP

1шт.

4

01010-81040

Bolt

SN: 760002-UP

3шт.

5

01643-31032

Washer

SN: 760002-UP

3шт.

6

6252-11-9121

Tube

SN: 760003-UP

1шт.

7

6207-11-5390

Gasket

SN: 760002-UP

1шт.

8

01010-E1030

Bolt

SN: 760002-UP

4шт.

9

01643-31032

Washer

SN: 760002-UP

4шт.

10

6252-11-9151

Block

SN: 760263-UP

1шт.

10

6252-11-9150

Block

SN: 760003-760262

1шт.

11

6207-11-5390

Gasket

SN: 760003-UP

2шт.

12

01010-E1050

Bolt

SN: 760003-UP

2шт.

13

6251-11-9150

Plate

SN: 760263-UP

1шт.

13

6251-11-9151

Block

SN: 760055-760262

1шт.

13

6251-11-9150

Plate

SN: 760002-760054

1шт.

14

01010-E1080

Bolt

SN: 760002-UP

2шт.

15

01643-31032

Washer

SN: 760002-UP

4шт.

16

01010-81050

Bolt

SN: 760002-UP

2шт.

17

01643-31032

Washer

SN: 760002-UP

2шт.

18

6252-11-9131

Bracket

SN: 760002-UP

1шт.

19

01010-81025

Bolt

SN: 760002-UP

1шт.

20

01643-31032

Washer

SN: 760002-UP

1шт.

21

6251-11-9130

Clamp

SN: 760002-UP

1шт.

22

6251-11-9170

Clamp

SN: 760002-UP

1шт.

23

01010-81025

Bolt

SN: 760002-UP

2шт.

24

01643-31032

Washer

SN: 760002-UP

2шт.

Выбрано товаров: 27