Запчасти Komatsu SAA6D125E-6A KOMATSU ЗАКРЫТ.D CRANKКОРПУС ВЕНТИЛЯТОРILATION (KCCV), КОМПОНЕНТЫ (№7-) KOMATSU ЗАКРЫТ.D CRANKКОРПУС ВЕНТИЛЯТОРILATION (KCCV)

Схема запчастей Komatsu SAA6D125E-6A - KOMATSU ЗАКРЫТ.D CRANKКОРПУС ВЕНТИЛЯТОРILATION (KCCV), КОМПОНЕНТЫ (№7-) KOMATSU ЗАКРЫТ.D CRANKКОРПУС ВЕНТИЛЯТОРILATION (KCCV)
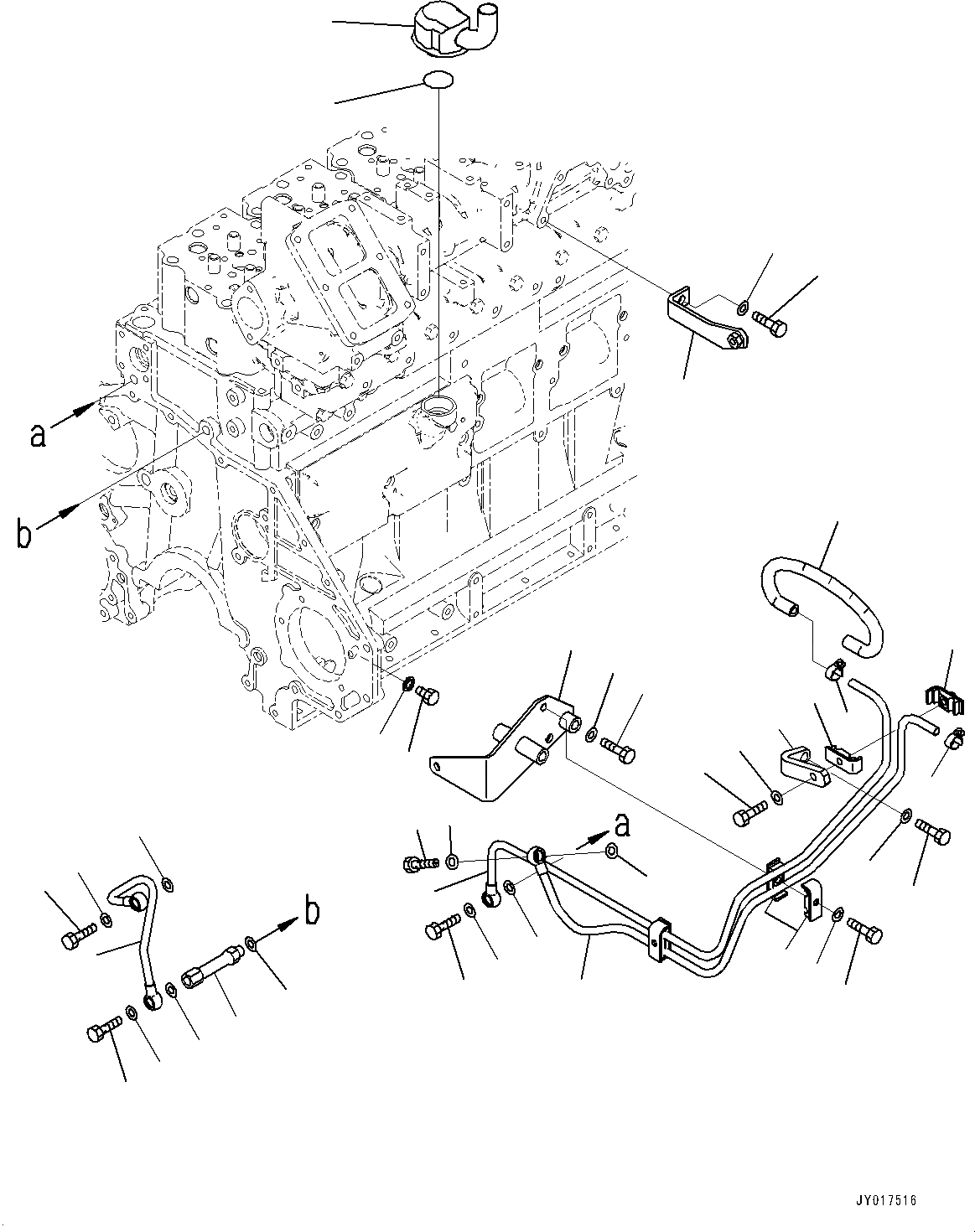
1
2
3
4
5
8
11
14
15
16
17
18
19
20
28
12
13
9
10
13
13
23
21
22
25
26
24
27
28
12
13
13
12
13
13
12
13
13
6
7
FIT
1:1
100%

Артикул

Название

Примечание

Количество

1

6252-21-6710

Breather Assembly

SN: 760003-UP

1шт.

2

6114-21-5190

O-ring

SN: 760002-UP

1шт.

3

6252-71-6320

Bracket

SN: 760003-UP

1шт.

4

01010-81025

Bolt

SN: 760003-UP

1шт.

5

01643-31032

Washer

SN: 760003-UP

1шт.

6

6110-53-5910

Plug

SN: 760002-UP

1шт.

7

07005-01412

Seal, Washer

SN: 760002-UP

1шт.

8

6252-21-7331

Tube

SN: 760003-UP

1шт.

9

6252-21-7590

Tube

SN: 760003-UP

1шт.

10

6252-21-7580

Nipple

SN: 760003-UP

1шт.

11

6252-21-7340

Tube

SN: 760002-UP

1шт.

12

07206-31014

Bolt, Joint

SN: 760003-UP

4шт.

13

07005-01412

Seal, Washer

SN: 760003-UP

9шт.

14

6252-21-7370

Bracket

SN: 760002-UP

1шт.

15

01010-81080

Bolt

SN: 760002-UP

1шт.

16

01643-31032

Washer

SN: 760002-UP

1шт.

17

6166-75-6821

Clamp, half

SN: 760003-UP

4шт.

18

01010-80835

Bolt

SN: 760003-UP

2шт.

19

01643-30823

Washer

SN: 760003-UP

2шт.

20

6252-21-7740

Bracket

SN: 760003-UP

1шт.

21

01010-81025

Bolt

SN: 760003-UP

1шт.

22

01643-31032

Washer

SN: 760003-UP

1шт.

23

6166-75-6821

Clamp, half

SN: 760003-UP

1шт.

24

6261-51-9481

Clamp, half

SN: 760003-UP

1шт.

25

01010-80845

Bolt

SN: 760003-UP

1шт.

26

01643-30823

Washer

SN: 760003-UP

1шт.

27

07260-20940

Hose

SN: 760002-UP

1шт.

28

07281-00197

Clamp

SN: 760002-UP

2шт.

Выбрано товаров: 28