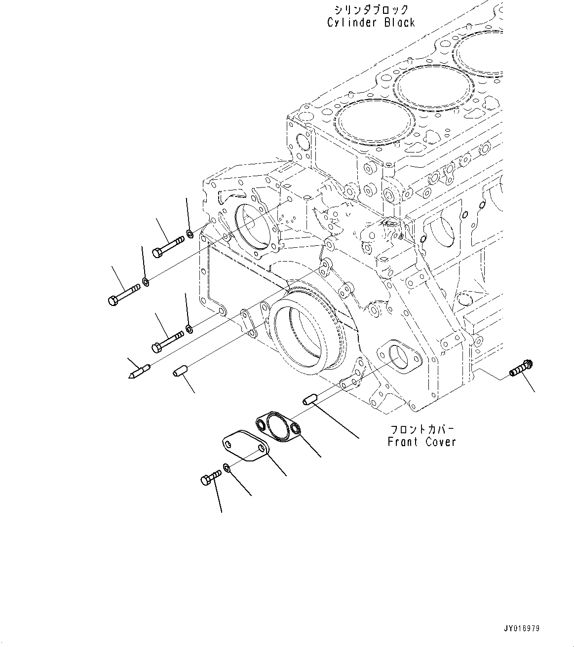
Запчасти Komatsu SAA6D125E-6A ЭЛЕМЕНТЫ ПЕРЕДН. КРЫШКИ (№7-) ЭЛЕМЕНТЫ ПЕРЕДН. КРЫШКИ

Схема запчастей Komatsu SAA6D125E-6A - ЭЛЕМЕНТЫ ПЕРЕДН. КРЫШКИ (№7-) ЭЛЕМЕНТЫ ПЕРЕДН. КРЫШКИ
2
1
12
13
1
3
4
5
6
7
10
11
8
9
FIT
1:1
100%

Артикул

Название

Примечание

Количество

1

04020-01228

Pin, Dowel

SN: 760002-UP

2шт.

2

01010-81070

Bolt

SN: 760002-UP

4шт.

3

01643-31032

Washer

SN: 760002-UP

4шт.

4

01010-81080

Bolt

SN: 760002-UP

7шт.

5

01643-31032

Washer

SN: 760002-UP

7шт.

6

01010-81095

Bolt

SN: 760002-UP

1шт.

7

01643-31032

Washer

SN: 760002-UP

1шт.

8

6251-21-3211

Plate

SN: 760002-UP

1шт.

9

6251-21-3231

Gasket

SN: 760002-UP

1шт.

10

01050-51225

Bolt

SN: 760002-UP

2шт.

11

6251-21-3250

Gasket

SN: 760002-UP

2шт.

12

6150-81-9130

Bolt

SN: 760002-UP

4шт.

13

6150-22-3340

Pointer

SN: 760002-UP

1шт.

Выбрано товаров: 13