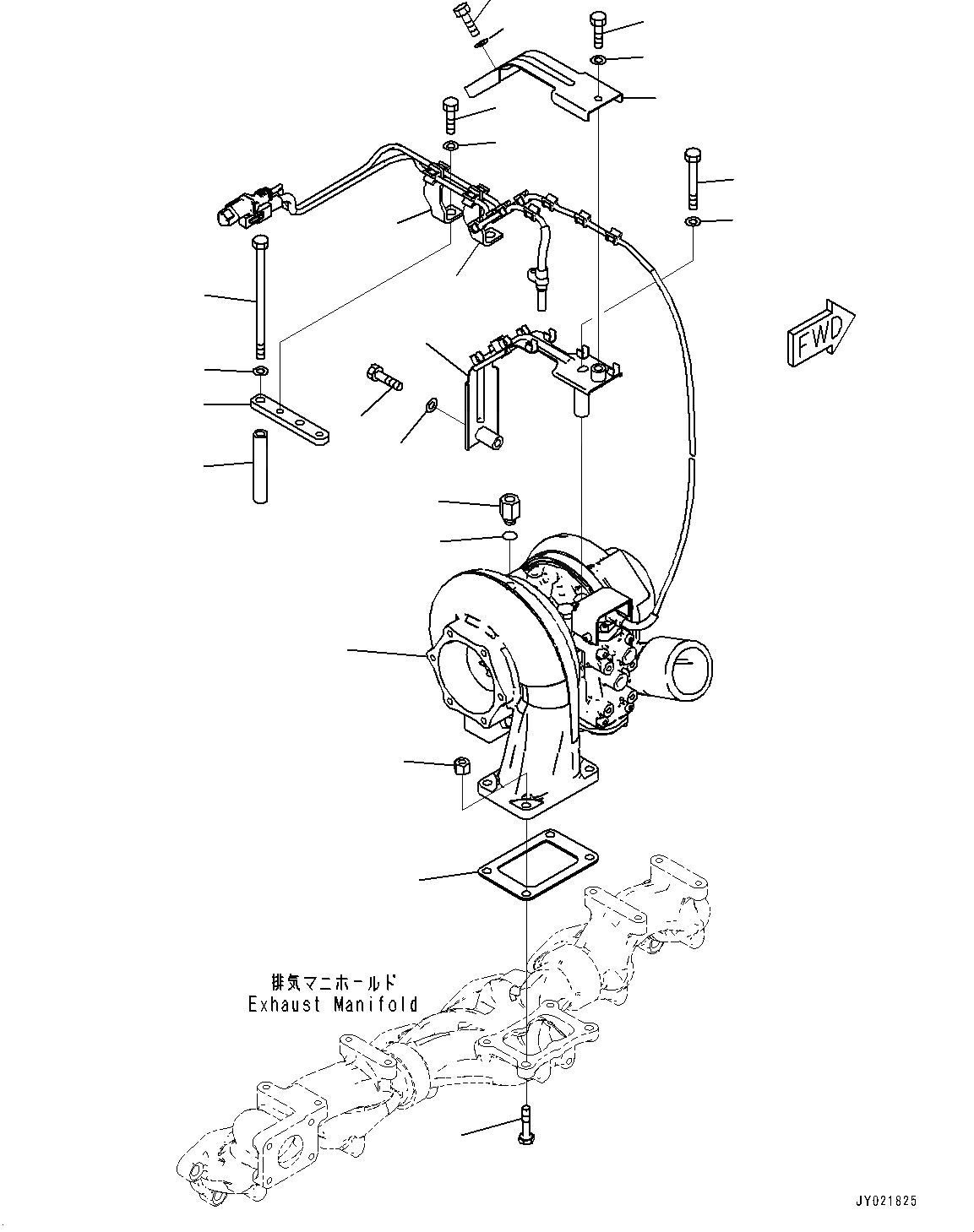
Запчасти Komatsu SAA6D125E-6B KOMATSU РЕГУЛИР. GEOMETRY ТУРБОНАГНЕТАТЕЛЬ (KVGT), КРЕПЛЕНИЕ (№78-) KOMATSU РЕГУЛИР. GEOMETRY ТУРБОНАГНЕТАТЕЛЬ (KVGT)

Схема запчастей Komatsu SAA6D125E-6B - KOMATSU РЕГУЛИР. GEOMETRY ТУРБОНАГНЕТАТЕЛЬ (KVGT), КРЕПЛЕНИЕ (№78-) KOMATSU РЕГУЛИР. GEOMETRY ТУРБОНАГНЕТАТЕЛЬ (KVGT)
19
6
5
12
4
11
7
10
14
15
17
18
8
9
13
14
13
16
19
21
20
2
3
1
FIT
1:1
100%

Артикул

Название

Примечание

Количество

1

6507-11-5020

Turbocharger

SN: 760004-UP

1шт.

2

6218-11-5830

Gasket

SN: 760004-UP

1шт.

3

6252-11-5540

Bolt

SN: 760004-UP

2шт.

4

6114-11-5590

Nut

SN: 760004-UP

4шт.

5

6162-73-4670

Nipple

SN: 760004-UP

1шт.

6

6252-61-6270

O-ring

SN: 760004-UP

1шт.

7

6252-81-8101

Bracket

SN: 760814-UP

1шт.

8

01010-80880

Bolt

SN: 760814-UP

1шт.

9

01643-30823

Washer

SN: 760814-UP

1шт.

10

01010-80860

Bolt

SN: 760814-UP

1шт.

11

01643-30823

Washer

SN: 760814-UP

1шт.

12

6252-81-8120

Cover

SN: 760004-UP

1шт.

13

01010-80830

Bolt

SN: 760004-UP

2шт.

14

01643-30823

Washer

SN: 760004-UP

2шт.

15

6252-81-9540

Plate

SN: 760004-UP

1шт.

16

6217-11-9841

Spacer

SN: 760004-UP

2шт.

17

01011-81085

Bolt

SN: 760004-UP

2шт.

18

01643-31032

Washer

SN: 760004-UP

2шт.

19

6252-81-9300

Bracket Assembly

SN: 760004-UP

2шт.

20

01010-81025

Bolt

SN: 760004-UP

2шт.

21

01643-31032

Washer

SN: 760004-UP

2шт.

Выбрано товаров: 21