Запчасти Komatsu SAA6D125E-6C KOMATSU РЕГУЛИР. GEOMETRY ТУРБОНАГНЕТАТЕЛЬ (KVGT), KOMATSU DIESEL ЧАСТЬICULATE ФИЛЬТР. (KDPF) ТРУБЫ (№7-) KOMATSU РЕГУЛИР. GEOMETRY ТУРБОНАГНЕТАТЕЛЬ (KVGT)

Схема запчастей Komatsu SAA6D125E-6C - KOMATSU РЕГУЛИР. GEOMETRY ТУРБОНАГНЕТАТЕЛЬ (KVGT), KOMATSU DIESEL ЧАСТЬICULATE ФИЛЬТР. (KDPF) ТРУБЫ (№7-) KOMATSU РЕГУЛИР. GEOMETRY ТУРБОНАГНЕТАТЕЛЬ (KVGT)
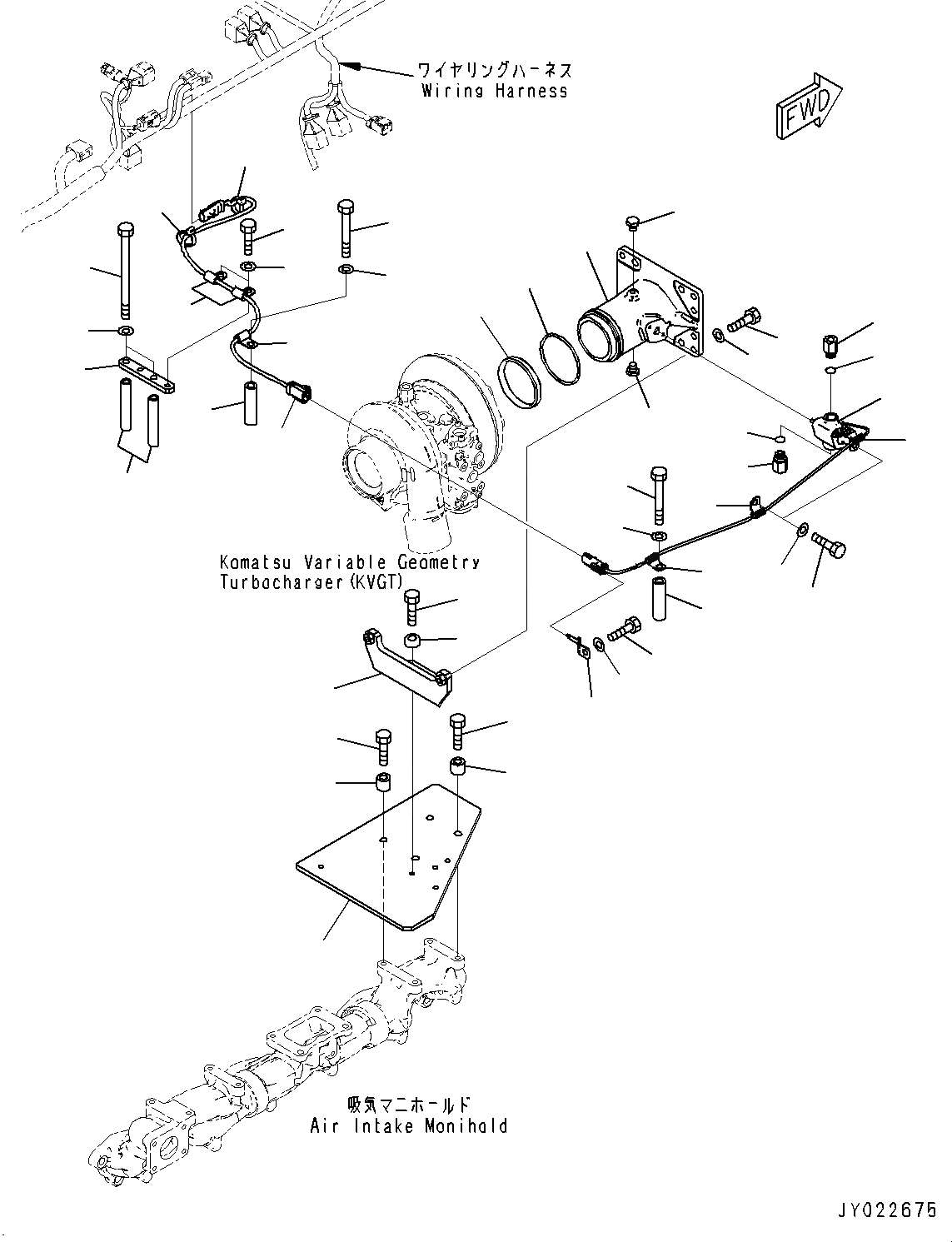
22
8
9
7
22
11
10
6
5
4
3
2
3
2
1
14
13
14
13
15
17
16
20
21
18
25
26
24
15
19
12
30
29
23
27
32
31
34
33
28
35
37
36
38
38
22
8
9
7
22
11
10
6
5
4
3
2
3
2
1
14
13
14
13
15
17
16
20
21
18
25
26
24
15
19
12
30
29
23
27
32
31
34
33
28
35
37
36
38
38
FIT
1:1
100%

Артикул

Название

Примечание

Количество

1

6252-21-6170

Plate

SN: 760611-UP

1шт.

2

6631-11-5630

Spacer

SN: 760611-UP

4шт.

3

01010-E1040

Bolt

SN: 760611-UP

4шт.

4

6252-11-5250

Bracket

SN: 760611-UP

1шт.

5

6132-21-4630

Spacer

SN: 760611-UP

2шт.

6

6252-11-5550

Bolt

SN: 760611-UP

2шт.

7

6252-11-5191

Connector

SN: 760611-UP

1шт.

8

6252-11-5210

Seal

SN: 760611-UP

1шт.

9

6252-11-5220

Seal Ring

SN: 760611-UP

1шт.

10

01010-E1040

Bolt

SN: 760611-UP

2шт.

11

01643-31032

Washer

SN: 760611-UP

2шт.

12

6520-71-1040

Injector Assembly

SN: 760611-UP

1шт.

13

6252-61-6340

Nipple

SN: 760611-UP

2шт.

14

6252-61-6280

O-ring

SN: 760611-UP

2шт.

15

6240-81-4431

Clip

SN: 760611-UP

2шт.

16

01010-81035

Bolt

SN: 760611-UP

2шт.

17

01643-31032

Washer

SN: 760611-UP

2шт.

18

6240-21-7470

Spacer

SN: 760611-UP

1шт.

19

6240-81-4431

Clip

SN: 760611-UP

1шт.

20

01011-81000

Bolt

SN: 760611-UP

1шт.

21

01643-31032

Washer

SN: 760611-UP

1шт.

22

6215-11-5920

Plug

SN: 760611-UP

2шт.

23

6252-81-9590

Wiring Harness

SN: 760611-UP

1шт.

24

6252-81-9610

Clip

SN: 760611-UP

1шт.

25

01010-81025

Bolt

SN: 760611-UP

1шт.

26

01643-31032

Washer

SN: 760611-UP

1шт.

27

6240-21-7470

Spacer

SN: 760611-UP

1шт.

28

600-051-6080

Clip

SN: 760611-UP

1шт.

29

01011-81000

Bolt

SN: 760611-UP

1шт.

30

01643-31032

Washer

SN: 760611-UP

1шт.

31

6252-81-9540

Plate

SN: 760611-UP

1шт.

32

6217-11-9841

Spacer

SN: 760611-UP

2шт.

33

01011-81085

Bolt

SN: 760611-UP

2шт.

34

01643-31032

Washer

SN: 760611-UP

2шт.

35

600-051-6080

Clip

SN: 760611-UP

2шт.

36

01010-81025

Bolt

SN: 760611-UP

2шт.

37

01643-31032

Washer

SN: 760611-UP

2шт.

38

6218-81-8490

Band

SN: 760611-UP

3шт.

1

6252-21-6170

Plate

SN: 760611-UP

1шт.

2

6631-11-5630

Spacer

SN: 760611-UP

4шт.

3

01010-E1040

Bolt

SN: 760611-UP

4шт.

4

6252-11-5250

Bracket

SN: 760611-UP

1шт.

5

6132-21-4630

Spacer

SN: 760611-UP

2шт.

6

6252-11-5550

Bolt

SN: 760611-UP

2шт.

7

6252-11-5191

Connector

SN: 760611-UP

1шт.

8

6252-11-5210

Seal

SN: 760611-UP

1шт.

9

6252-11-5220

Seal Ring

SN: 760611-UP

1шт.

10

01010-E1040

Bolt

SN: 760611-UP

2шт.

11

01643-31032

Washer

SN: 760611-UP

2шт.

12

6520-71-1040

Injector Assembly

SN: 760611-UP

1шт.

13

6252-61-6340

Nipple

SN: 760611-UP

2шт.

14

6252-61-6280

O-ring

SN: 760611-UP

2шт.

15

6240-81-4431

Clip

SN: 760611-UP

2шт.

16

01010-81035

Bolt

SN: 760611-UP

2шт.

17

01643-31032

Washer

SN: 760611-UP

2шт.

18

6240-21-7470

Spacer

SN: 760611-UP

1шт.

19

6240-81-4431

Clip

SN: 760611-UP

1шт.

20

01011-81000

Bolt

SN: 760611-UP

1шт.

21

01643-31032

Washer

SN: 760611-UP

1шт.

22

6215-11-5920

Plug

SN: 760611-UP

2шт.

23

6252-81-9590

Wiring Harness

SN: 760611-UP

1шт.

24

6252-81-9610

Clip

SN: 760611-UP

1шт.

25

01010-81025

Bolt

SN: 760611-UP

1шт.

26

01643-31032

Washer

SN: 760611-UP

1шт.

27

6240-21-7470

Spacer

SN: 760611-UP

1шт.

28

600-051-6080

Clip

SN: 760611-UP

1шт.

29

01011-81000

Bolt

SN: 760611-UP

1шт.

30

01643-31032

Washer

SN: 760611-UP

1шт.

31

6252-81-9540

Plate

SN: 760611-UP

1шт.

32

6217-11-9841

Spacer

SN: 760611-UP

2шт.

33

01011-81085

Bolt

SN: 760611-UP

2шт.

34

01643-31032

Washer

SN: 760611-UP

2шт.

35

600-051-6080

Clip

SN: 760611-UP

2шт.

36

01010-81025

Bolt

SN: 760611-UP

2шт.

37

01643-31032

Washer

SN: 760611-UP

2шт.

38

6218-81-8490

Band

SN: 760611-UP

3шт.

Выбрано товаров: 76