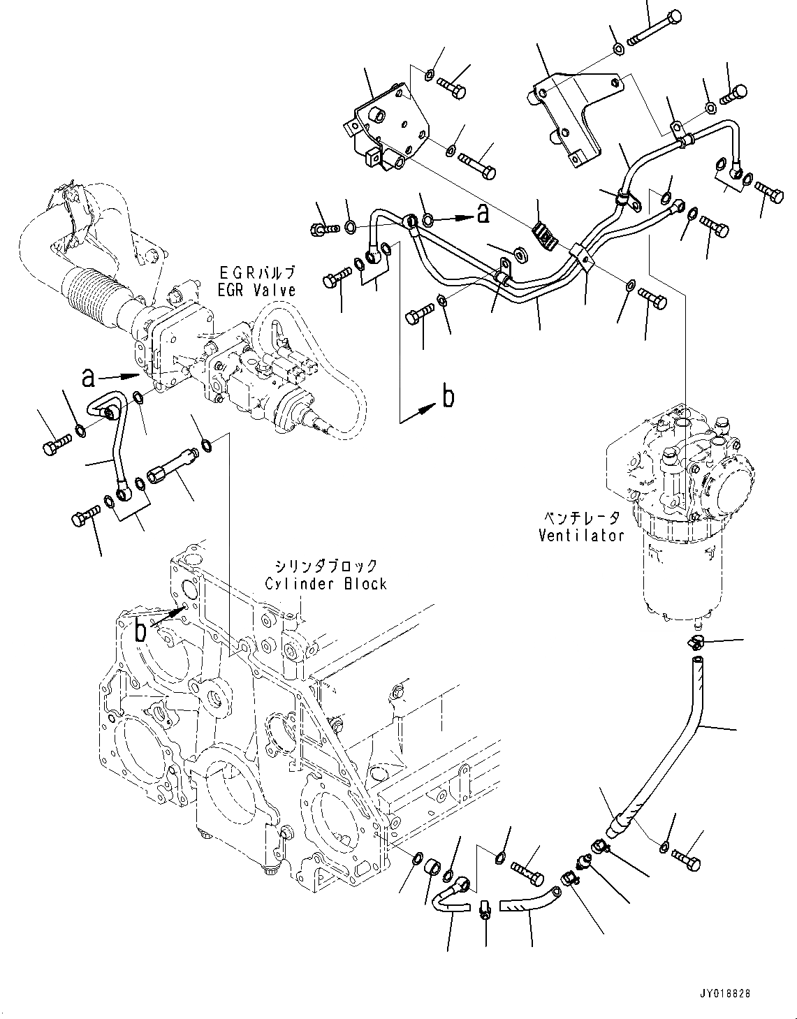
Запчасти Komatsu SAA6D125E-6C KOMATSU ЗАКРЫТ.D CRANKКОРПУС ВЕНТИЛЯТОРILATION (KCCV), ХЛАДАГЕНТ ТРУБЫ (№7-) KOMATSU ЗАКРЫТ.D CRANKКОРПУС ВЕНТИЛЯТОРILATION (KCCV)

Схема запчастей Komatsu SAA6D125E-6C - KOMATSU ЗАКРЫТ.D CRANKКОРПУС ВЕНТИЛЯТОРILATION (KCCV), ХЛАДАГЕНТ ТРУБЫ (№7-) KOMATSU ЗАКРЫТ.D CRANKКОРПУС ВЕНТИЛЯТОРILATION (KCCV)
36
31
30
18
17
28
27
26
23
22
20
19
17
14
13
12
11
10
7
8
9
6
5
3
4
2
1
15
35
24
25
18
32
3
3
9
7
18
37
29
18
20
19
20
18
17
18
17
21
26
32
32
16
34
33
18
36
31
30
18
17
28
27
26
23
22
20
19
17
14
13
12
11
10
7
8
9
6
5
3
4
2
1
15
35
24
25
18
32
3
3
9
7
18
37
29
18
20
19
20
18
17
18
17
21
26
32
32
16
34
33
18
FIT
1:1
100%

Артикул

Название

Примечание

Количество

1

6252-21-7470

Joint

SN: 760611-UP

1шт.

2

6151-51-8490

Spacer

SN: 760611-UP

1шт.

3

07005-01412

Seal, Washer

SN: 760611-UP

3шт.

4

7700-45-1710

Bolt, Joint

SN: 760611-UP

1шт.

5

6252-21-7660

Hose

SN: 760611-UP

1шт.

6

6261-51-2810

Valve, Check

SN: 760611-UP

1шт.

7

07281-00197

Clamp

SN: 760611-UP

2шт.

8

6252-21-7650

Hose

SN: 760611-UP

1шт.

9

07281-00197

Clamp

SN: 760611-UP

2шт.

10

600-051-2160

Clip

SN: 760611-UP

1шт.

11

01010-81020

Bolt

SN: 760611-UP

1шт.

12

01643-31032

Washer

SN: 760611-UP

1шт.

13

6252-21-7580

Nipple

SN: 760611-UP

1шт.

14

6252-21-7590

Tube

SN: 760611-UP

1шт.

15

6252-21-7431

Tube

SN: 760611-UP

1шт.

16

6252-21-7440

Tube

SN: 760611-UP

1шт.

17

07206-31014

Bolt, Joint

SN: 760611-UP

4шт.

18

07005-01412

Seal, Washer

SN: 760611-UP

9шт.

19

07206-30812

Bolt, Joint

SN: 760611-UP

2шт.

20

07005-01212

Seal, Washer

SN: 760611-UP

4шт.

21

6252-21-7391

Bracket

SN: 760611-UP

1шт.

22

01010-81030

Bolt

SN: 760611-UP

2шт.

23

01643-31032

Washer

SN: 760611-UP

2шт.

24

01010-81060

Bolt

SN: 760611-UP

1шт.

25

01643-31032

Washer

SN: 760611-UP

1шт.

26

6166-75-6821

Clamp, half

SN: 760611-UP

2шт.

27

01010-80835

Bolt

SN: 760611-UP

1шт.

28

01643-30823

Washer

SN: 760611-UP

1шт.

29

6252-21-7480

Bracket

SN: 760611-UP

1шт.

30

01011-81000

Bolt

SN: 760611-UP

2шт.

31

01643-31032

Washer

SN: 760611-UP

2шт.

32

600-052-3100

Clip

SN: 760611-UP

3шт.

33

01010-81020

Bolt

SN: 760611-UP

2шт.

34

01643-31032

Washer

SN: 760611-UP

2шт.

35

01010-81030

Bolt

SN: 760611-UP

1шт.

36

01643-31032

Washer

SN: 760611-UP

1шт.

37

6110-23-6490

Spacer

SN: 760611-UP

1шт.

1

6252-21-7470

Joint

SN: 760611-UP

1шт.

2

6151-51-8490

Spacer

SN: 760611-UP

1шт.

3

07005-01412

Seal, Washer

SN: 760611-UP

3шт.

4

7700-45-1710

Bolt, Joint

SN: 760611-UP

1шт.

5

6252-21-7660

Hose

SN: 760611-UP

1шт.

6

6261-51-2810

Valve, Check

SN: 760611-UP

1шт.

7

07281-00197

Clamp

SN: 760611-UP

2шт.

8

6252-21-7650

Hose

SN: 760611-UP

1шт.

9

07281-00197

Clamp

SN: 760611-UP

2шт.

10

600-051-2160

Clip

SN: 760611-UP

1шт.

11

01010-81020

Bolt

SN: 760611-UP

1шт.

12

01643-31032

Washer

SN: 760611-UP

1шт.

13

6252-21-7580

Nipple

SN: 760611-UP

1шт.

14

6252-21-7590

Tube

SN: 760611-UP

1шт.

15

6252-21-7431

Tube

SN: 760611-UP

1шт.

16

6252-21-7440

Tube

SN: 760611-UP

1шт.

17

07206-31014

Bolt, Joint

SN: 760611-UP

4шт.

18

07005-01412

Seal, Washer

SN: 760611-UP

9шт.

19

07206-30812

Bolt, Joint

SN: 760611-UP

2шт.

20

07005-01212

Seal, Washer

SN: 760611-UP

4шт.

21

6252-21-7391

Bracket

SN: 760611-UP

1шт.

22

01010-81030

Bolt

SN: 760611-UP

2шт.

23

01643-31032

Washer

SN: 760611-UP

2шт.

24

01010-81060

Bolt

SN: 760611-UP

1шт.

25

01643-31032

Washer

SN: 760611-UP

1шт.

26

6166-75-6821

Clamp, half

SN: 760611-UP

2шт.

27

01010-80835

Bolt

SN: 760611-UP

1шт.

28

01643-30823

Washer

SN: 760611-UP

1шт.

29

6252-21-7480

Bracket

SN: 760611-UP

1шт.

30

01011-81000

Bolt

SN: 760611-UP

2шт.

31

01643-31032

Washer

SN: 760611-UP

2шт.

32

600-052-3100

Clip

SN: 760611-UP

3шт.

33

01010-81020

Bolt

SN: 760611-UP

2шт.

34

01643-31032

Washer

SN: 760611-UP

2шт.

35

01010-81030

Bolt

SN: 760611-UP

1шт.

36

01643-31032

Washer

SN: 760611-UP

1шт.

37

6110-23-6490

Spacer

SN: 760611-UP

1шт.

Выбрано товаров: 74