Запчасти Komatsu SAA6D140E-2A-8 ТУРБОНАГНЕТАТЕЛЬ ВОДН. ГИДРОЛИНИЯ(№-) ДВИГАТЕЛЬ

Схема запчастей Komatsu SAA6D140E-2A-8 - ТУРБОНАГНЕТАТЕЛЬ ВОДН. ГИДРОЛИНИЯ(№-) ДВИГАТЕЛЬ
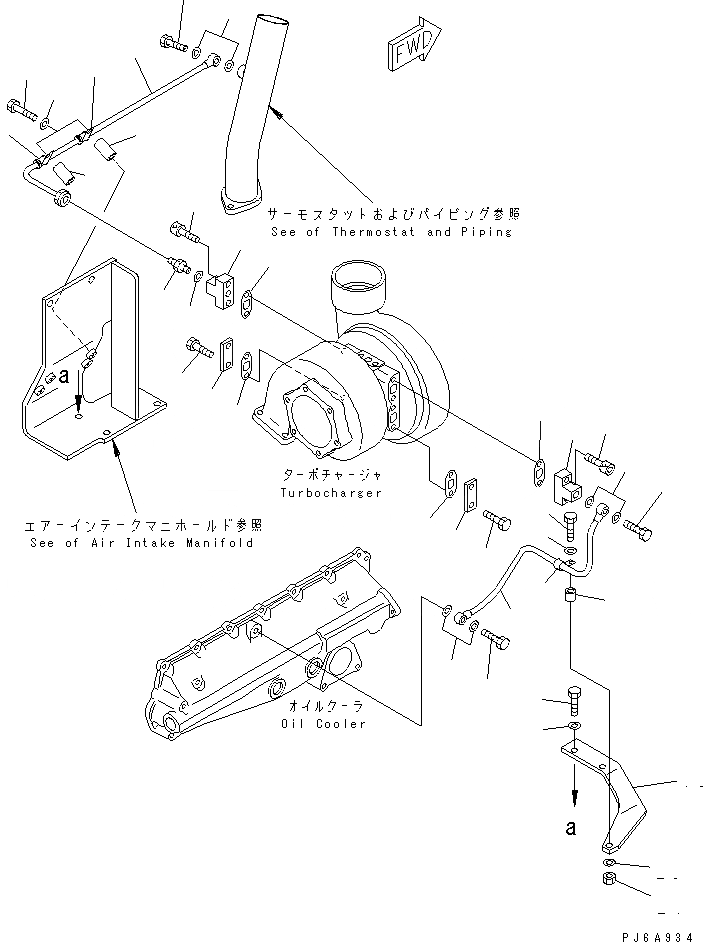
1
1
2
2
3
3
4
4
4
4
5
5
6
7
7
8
8
9
10
11
12
13
14
15
16
16
17
17
18
19
20
21
22
23
23
24
25
FIT
1:1
100%

Артикул

Название

Примечание

Количество

1

6162-63-8570

JOINT

SN: 22653-UP

2шт.

2

01252-31035

BOLT

SN: 22653-UP

4шт.

3

6164-62-8230

PLATE

SN: 22653-UP

2шт.

4

6164-62-8241

GASKET

SN: 22653-UP

4шт.

5

01010-81025

BOLT

SN: 22653-UP

4шт.

6

6212-62-8280

TUBE

SN: 22653-UP

1шт.

7

07206-31014

BOLT,JOINT

SN: 22653-UP

2шт.

8

07005-01412

GASKET

SN: 22653-UP

4шт.

9

6212-62-8290

UNION

SN: 22653-UP

1шт.

10

07005-01412

GASKET

SN: 22653-UP

1шт.

11

6212-62-8270

TUBE

SN: 22653-UP

1шт.

12

07206-31014

BOLT,JOINT

SN: 22653-UP

1шт.

13

07005-01412

GASKET

SN: 22653-UP

2шт.

14

01010-81065

BOLT

SN: 22653-UP

2шт.

15

01640-21016

WASHER

SN: 22653-UP

2шт.

16

6151-51-8540

CLIP

SN: 22653-UP

2шт.

17

6142-22-4640

SPACER

SN: 22653-UP

2шт.

18

6212-62-8250

STAY

SN: 28094-UP

1шт.

19

01010-81035

BOLT

SN: 28094-UP

2шт.

20

01643-31032

WASHER

SN: 28094-UP

2шт.

21

6151-51-8540

CLIP

SN: 28094-UP

1шт.

22

01010-81050

BOLT

SN: 28094-UP

1шт.

23

01643-31032

WASHER

SN: 28094-UP

2шт.

24

01580-11008

NUT

SN: 28094-UP

1шт.

25

6631-11-5630

SPACER

SN: 28094-UP

1шт.

Выбрано товаров: 25